LEMON Manuals: Even more car manuals for everyone
Home >> Chevrolet >> 1976 >> Chevette Base, Automatic Trans, Trans Mfr CD 200/M29 >> Repair and Diagnosis >> Engine Mechanical >> Auxiliary Emission Control Systems >> Controlled Combustion System >> Description & Operation >> Transmission Controlled Spark (TCS)

Transmission Controlled Spark (TCS)

Used on 1975 Chevrolet and Pontiac man. trans, and some auto, trans, models, and 1976 Chevette and Pontiac 1-Bbl. 4-Cyl. engines with manual transmissions only. System consists of a temperature switch, transmission switch and a vacuum solenoid.

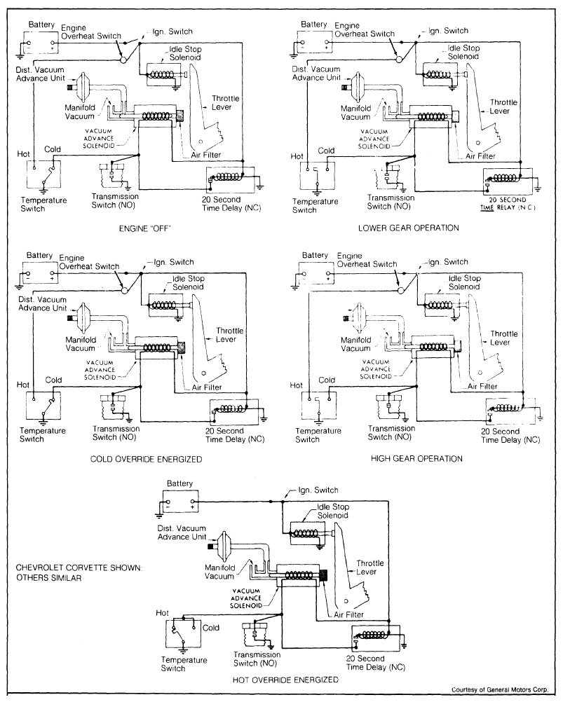
Some 1975 TCS systems also control EGR operation. It uses both carburetor ported and intake manifold vacuum. When ignition switch is ON, with a cold engine, circuit is completed after 20 seconds by time delay relay through temperature switch. This energizes vacuum solenoid and allows intake manifold vacuum to distributor. At the same time it also prevents EGR operation. See Fig 1.

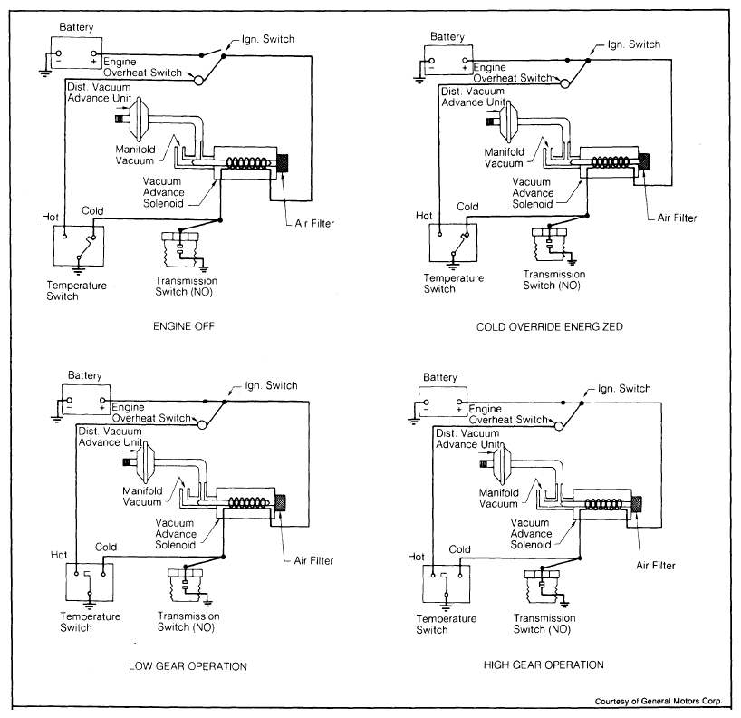
Most TCS systems use carburetor ported vacuum. When ignition switch is ON, with a cold engine, circuit is completed through temperature switch, this energizes vacuum solenoid and allows ported vacuum to distributor. With transmission in first or second gear and engine warm, both transmission and temperature switches are open which de-energizes vacuum solenoid and cuts off vacuum to distributor. When engine is warm and transmission is in third or fourth gear, transmission switch is closed, energizing vacuum solenoid and allowing vacuum to distributor. See Fig 2 or Figure.

NOTE: Some vehicles use ported spark vacuum source rather than full vacuum source; therefore when system allows for full vacuum spark advance, advance is cut off at closed throttle.
Fig 1: Typical TCS/EGR System Components (1975 Only)
G09320681Courtesy of GENERAL MOTORS COMPANY
Fig 2: Typical TCS System Components (1975 Only)
G09320682Courtesy of GENERAL MOTORS COMPANY