LEMON Manuals: Even more car manuals for everyone
Home >> Cadillac >> 2019 >> XT5 Base, FWD >> Repair and Diagnosis >> External Pages >> Different car >> Section 95 (Keyless Entry System And Remote Functions) >> Schematic and Wiring Diagrams >> Remote Function Wiring Schematics >> Keyless Entry - Passive and Keyless Start

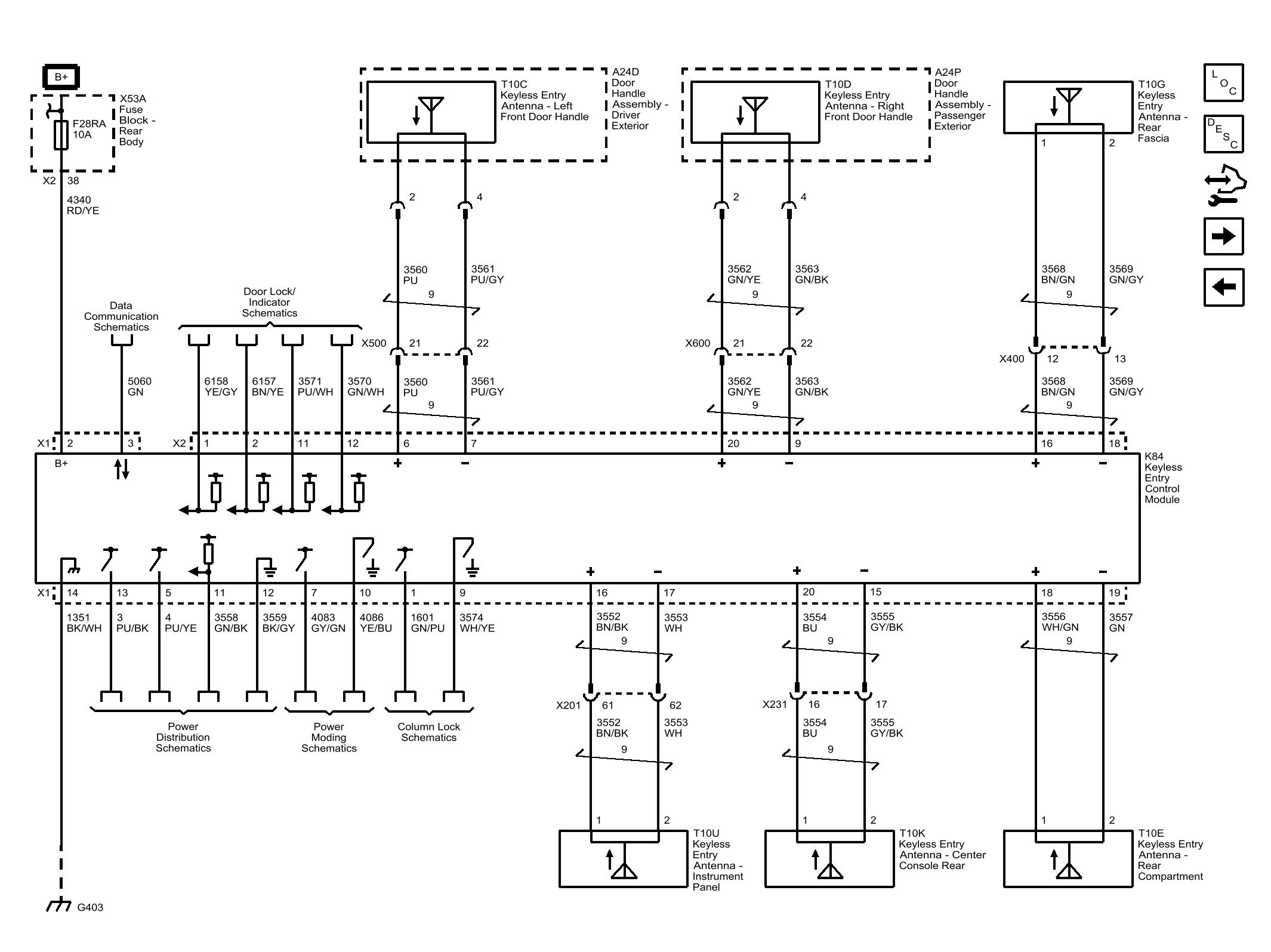
Keyless Entry - Passive and Keyless Start

WARNING: This page is about a different car, the 2018 Cadillac XT5. However, it is still accessible from the selected car via links, so may be relevant.
GM4664306Courtesy of GENERAL MOTORS COMPANY