LEMON Manuals: Even more car manuals for everyone
Home >> Cadillac >> 2019 >> XT5 Base, FWD >> Repair and Diagnosis >> Accessories & Equipment >> Anti-Theft Systems >> Keyless Entry System And Remote Functions >> Schematic Wiring Diagrams >> Remote Function Wiring Schematics >> Keyless Entry - Passive and Keyless Start

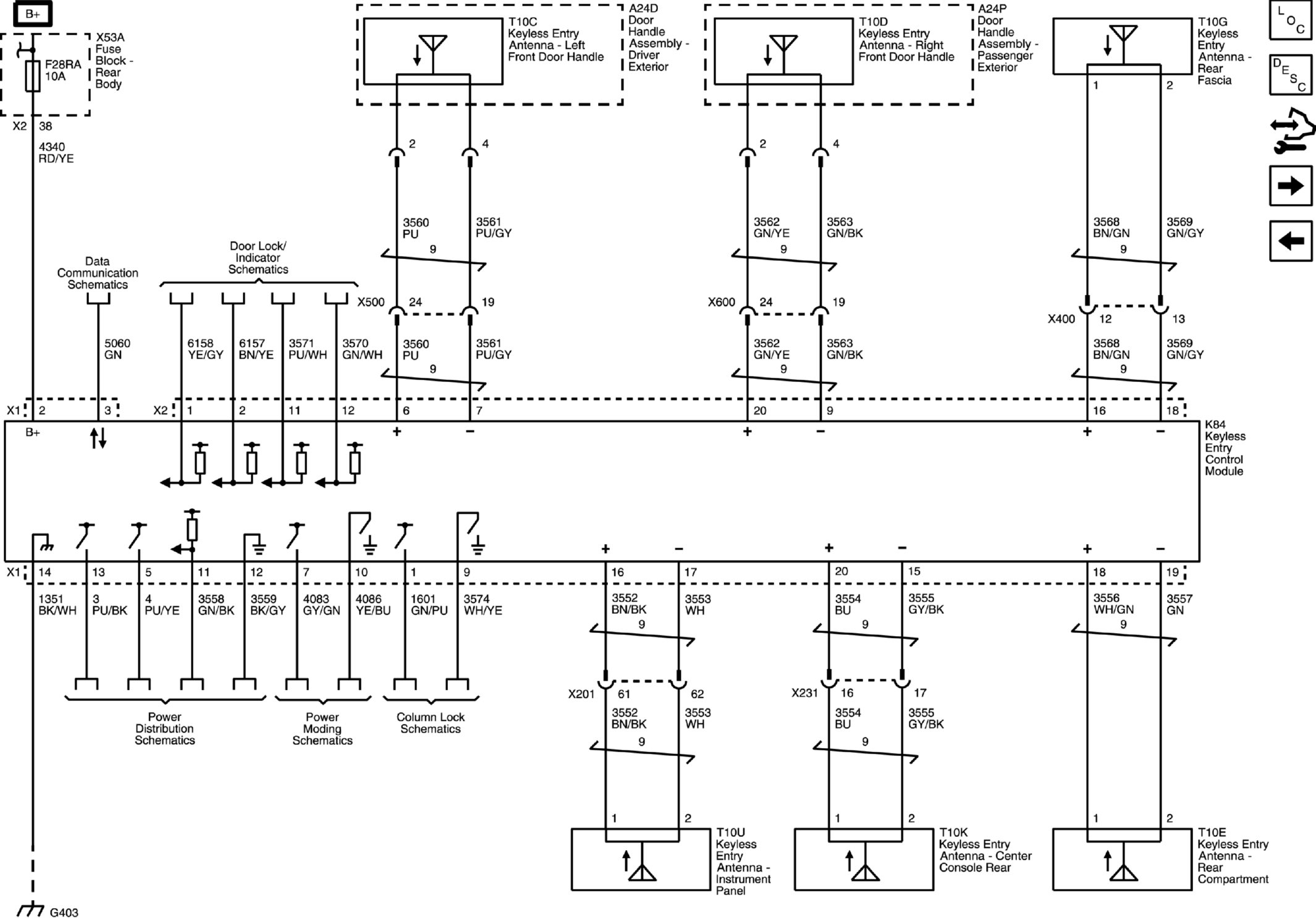
Keyless Entry - Passive and Keyless Start

GM4909821Courtesy of GENERAL MOTORS COMPANY