LEMON Manuals: Even more car manuals for everyone
Home >> Cadillac >> 2019 >> CTS Base, AWD >> Repair and Diagnosis >> Steering >> Steering Control Systems >> Steering Wheel And Column >> Schematic Wiring Diagrams >> Column Lock Wiring Schematics >> Steering Column Lock (ULS)

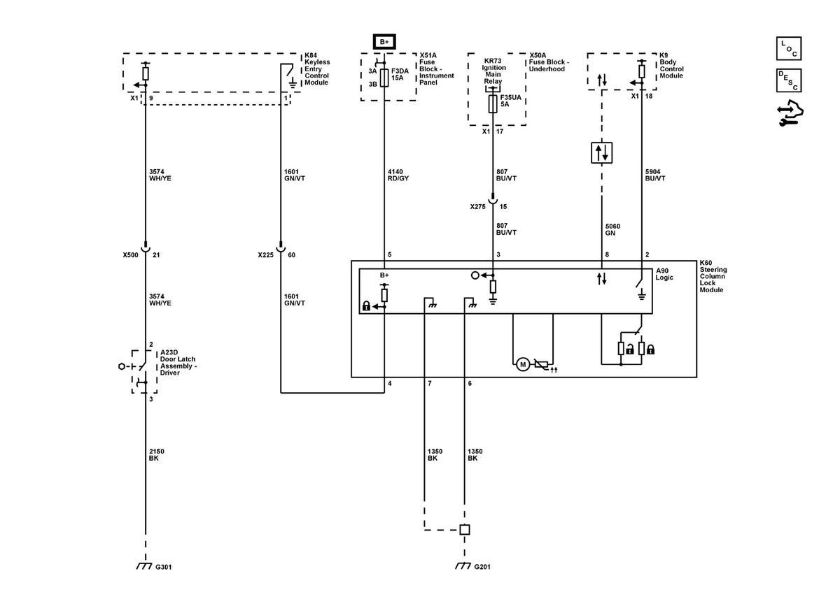
Steering Column Lock (ULS)

GM4934138Courtesy of GENERAL MOTORS COMPANY