LEMON Manuals: Even more car manuals for everyone
Home >> Cadillac >> 2018 >> CT6 Plug-In >> Repair and Diagnosis (Single Page) >> Accessories & Equipment >> Entertainment Systems >> Cellular System, Entertainment System, And Navigation System - Schematic Wiring Diagrams >> Schematic Wiring Diagrams >> Video System Wiring Schematics >> Media Disc Player Power, Ground, Serial Data, Subsystem References, and Media Disc Eject Switch

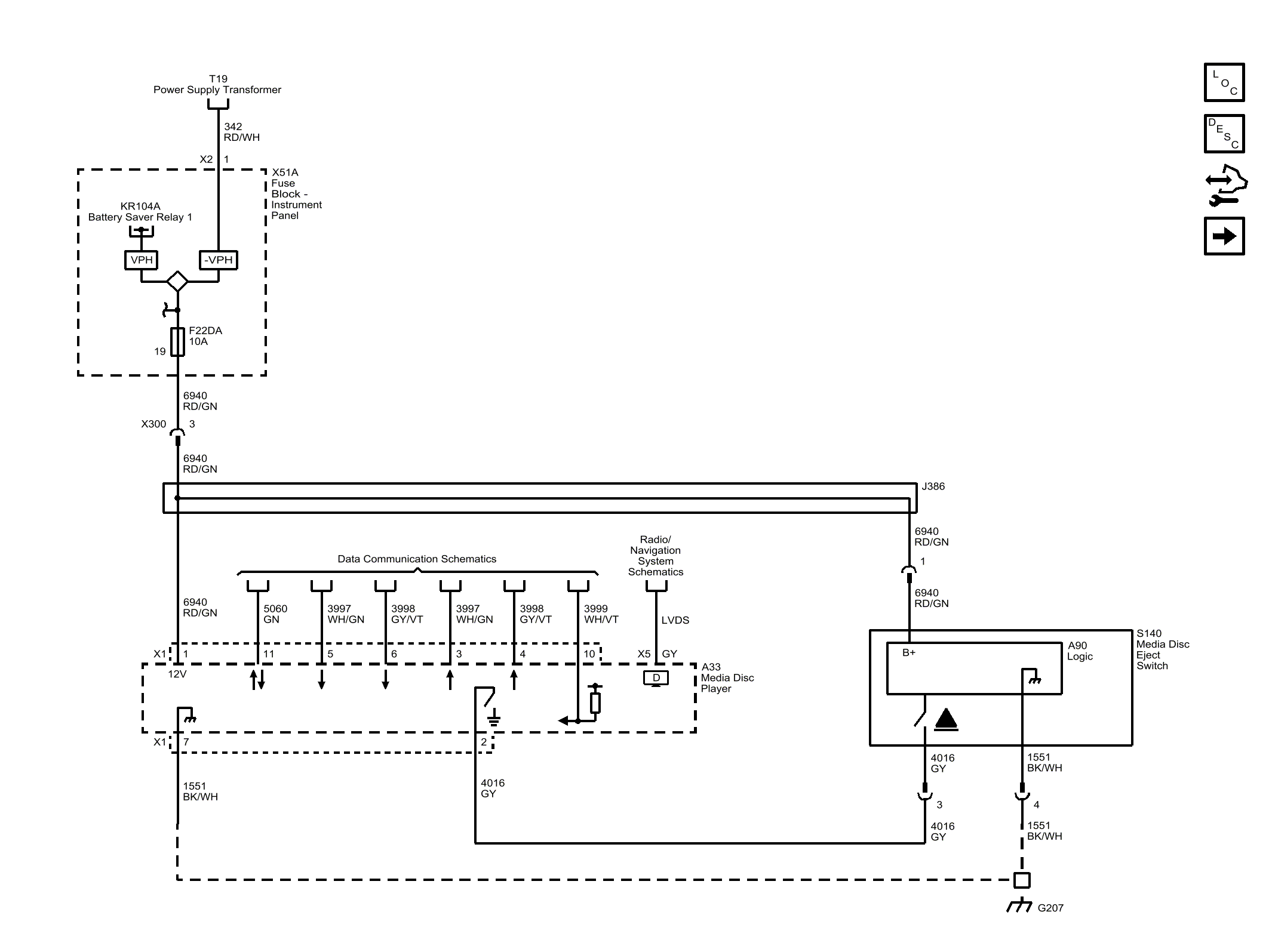
Media Disc Player Power, Ground, Serial Data, Subsystem References, and Media Disc Eject Switch

GM4598158