LEMON Manuals: Even more car manuals for everyone
Home >> Cadillac >> 2018 >> CT6 Plug-In >> Repair and Diagnosis (Single Page) >> Accessories & Equipment >> Drivers Assistance Systems - ADAS >> Image Display Camera Systems >> Schematic Wiring Diagrams >> Image Display Camera Wiring Schematics >> 360 Degree Vision - Memory Card Receptacle (XVR) and Module Power, Ground, Serial Data, and Camera Signals (UVH)

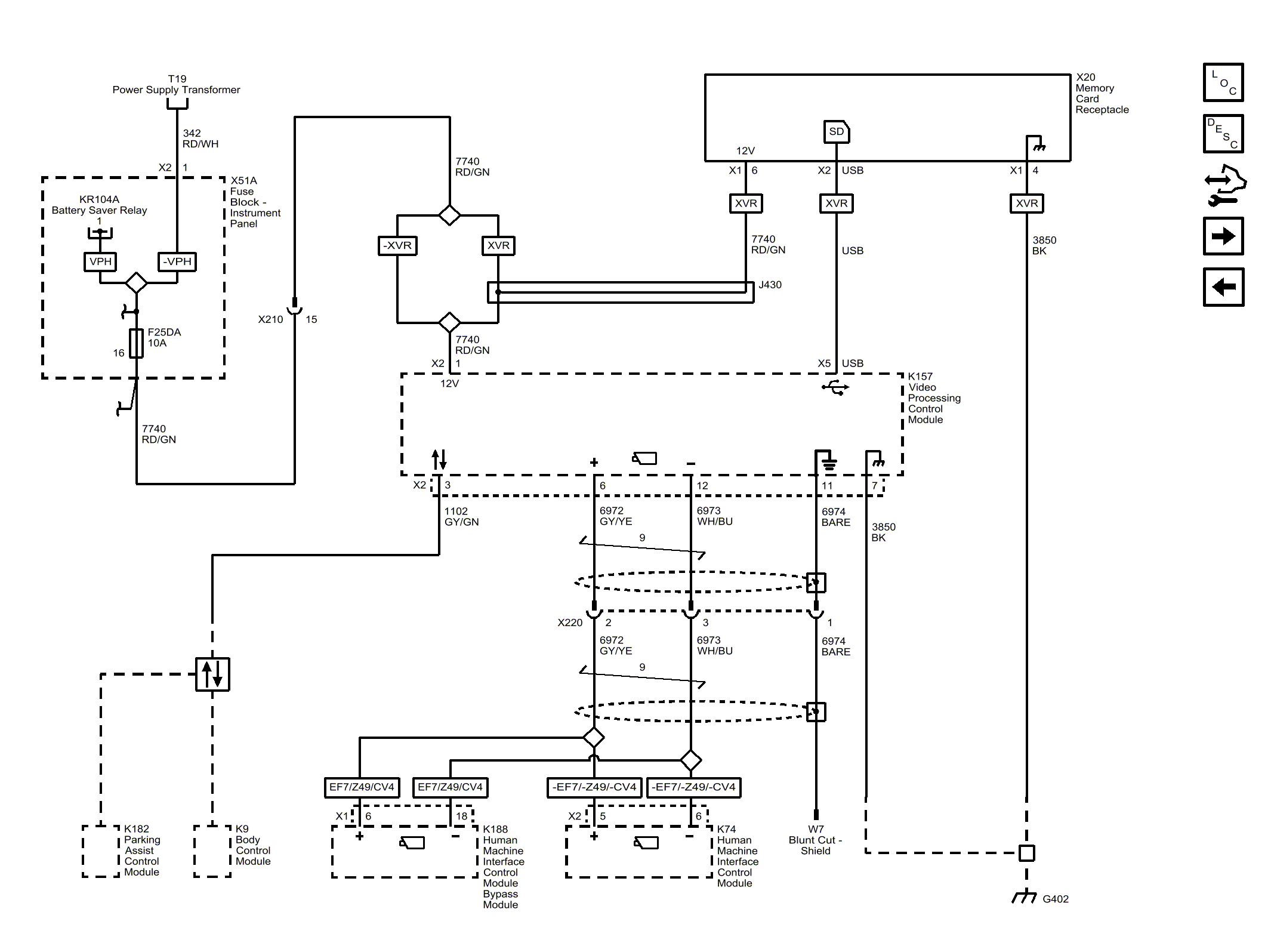
360 Degree Vision - Memory Card Receptacle (XVR) and Module Power, Ground, Serial Data, and Camera Signals (UVH)

GM4598709Courtesy of GENERAL MOTORS COMPANY