LEMON Manuals: Even more car manuals for everyone
Home >> Cadillac >> 2017 >> XTS Base >> Repair and Diagnosis (Single Page) >> Accessories & Equipment >> Infotainment >> Cellular System, Entertainment System, And Navigation System >> Schematic Wiring Diagrams >> Radio/Navigation System Wiring Schematics >> Auxiliary Inputs

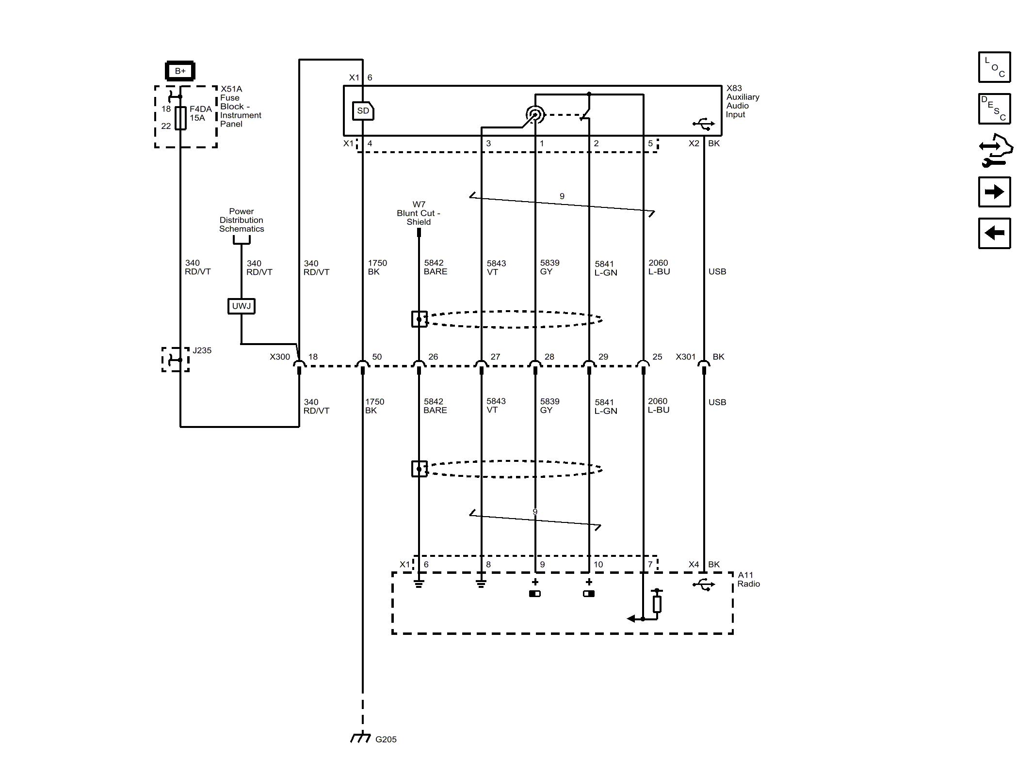
Auxiliary Inputs

Fig 1: Auxiliary Inputs
GM4453991Courtesy of GENERAL MOTORS COMPANY