LEMON Manuals: Even more car manuals for everyone
Home >> Cadillac >> 2017 >> XTS Base >> Repair and Diagnosis (Single Page) >> Accessories & Equipment >> Entertainment Systems >> Cellular System, Entertainment System, And Navigation System >> Schematic Wiring Diagrams >> Radio/Navigation System Wiring Schematics >> Information Display

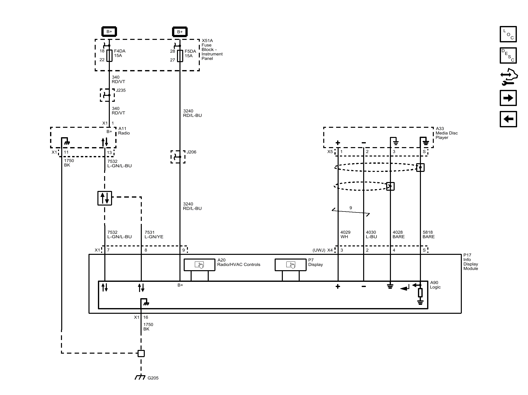
Information Display

Fig 1: Information Display
GM4453992Courtesy of GENERAL MOTORS COMPANY