LEMON Manuals: Even more car manuals for everyone
Home >> Cadillac >> 2017 >> XT5 Base >> Repair and Diagnosis >> Accessories & Equipment >> Drivers Assistance Systems - ADAS >> Object Detection System And Pedestrian Protection System >> Schematic Wiring Diagrams >> Object Detection Wiring Schematics >> Collision Avoidance - Left Front and Right Front Short Range Radars (UGN)

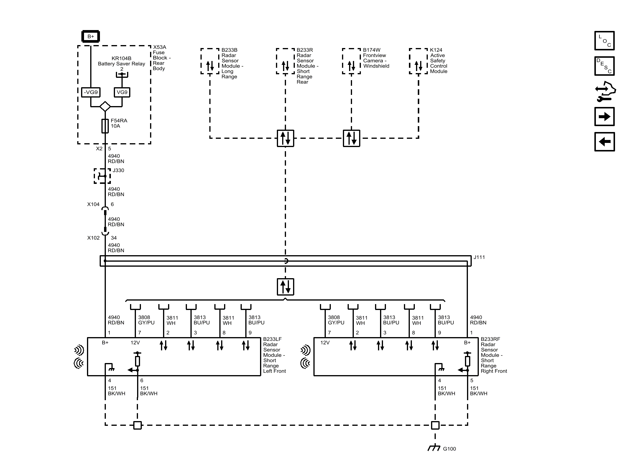
Collision Avoidance - Left Front and Right Front Short Range Radars (UGN)

Fig 1: Collision Avoidance - Left Front and Right Front Short Range Radars (UGN)
GM4306145Courtesy of GENERAL MOTORS COMPANY