LEMON Manuals: Even more car manuals for everyone
Home >> Cadillac >> 2017 >> XT5 Base >> Repair and Diagnosis (Single Page) >> Accessories & Equipment >> Entertainment Systems >> Cellular System, Entertainment System, And Navigation System >> Schematic Wiring Diagrams >> Radio/Navigation System Wiring Schematics >> Human Machine Interface and Display, Power, Ground, Serial Data and Microphone

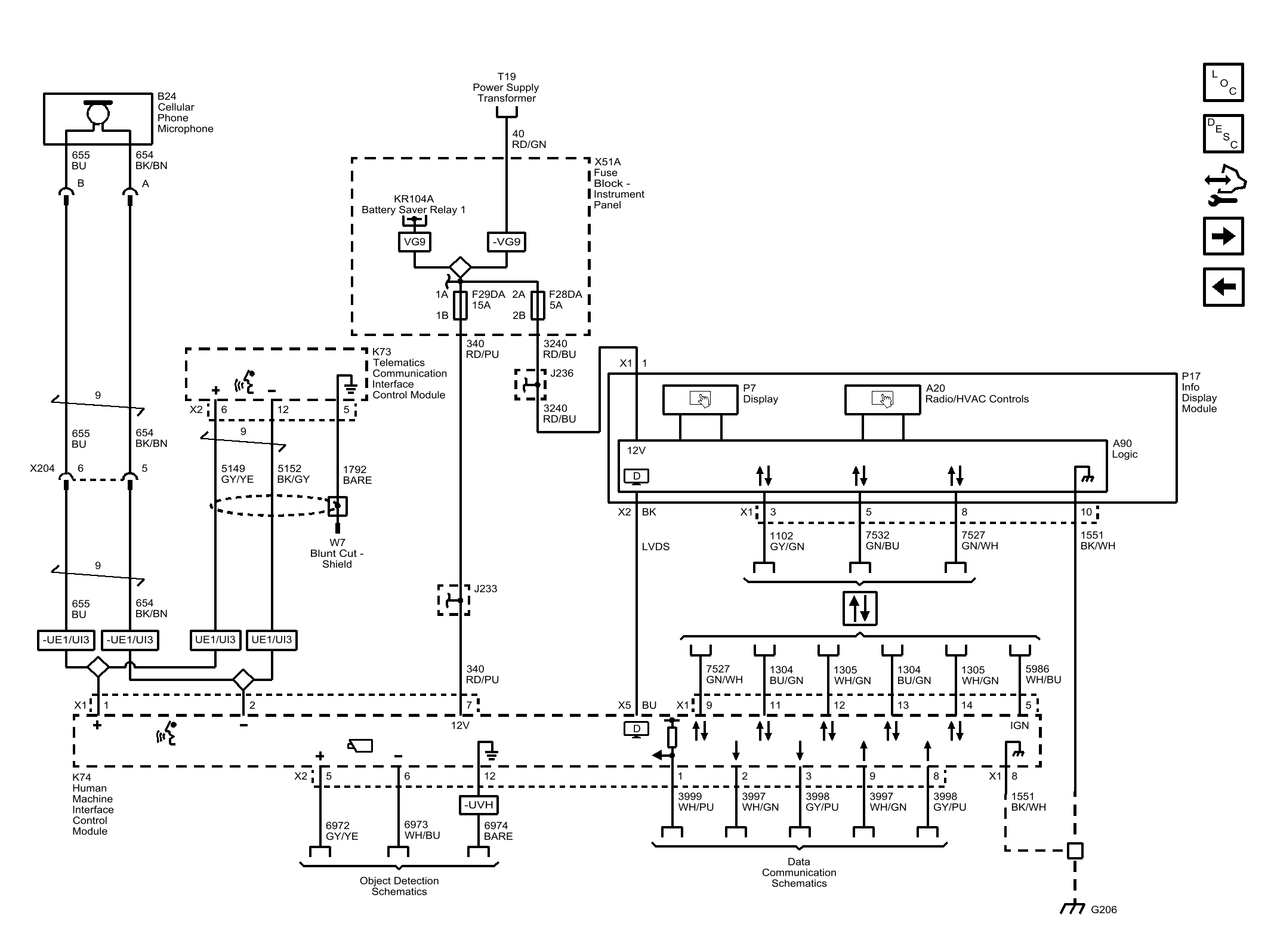
Human Machine Interface and Display, Power, Ground, Serial Data and Microphone

Fig 1: Human Machine Interface and Display, Power, Ground, Serial Data and Microphone
GM4298532Courtesy of GENERAL MOTORS COMPANY