LEMON Manuals: Even more car manuals for everyone
Home >> Cadillac >> 2017 >> XT5 Base >> Repair and Diagnosis (Single Page) >> Accessories & Equipment >> Collision/Avoidance >> Object Detection System And Pedestrian Protection System >> Schematic Wiring Diagrams >> Object Detection Wiring Schematics >> Collision Avoidance - Module Power, Ground, and Serial Data (UGN)

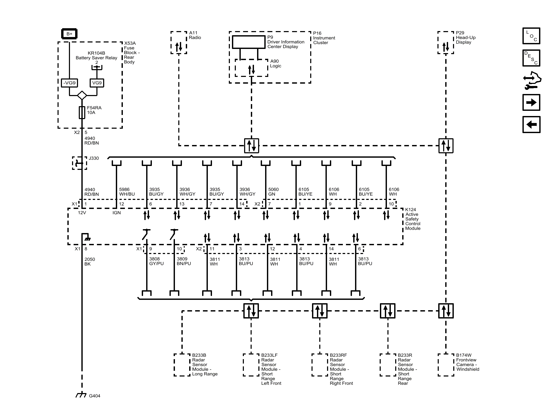
Collision Avoidance - Module Power, Ground, and Serial Data (UGN)

Fig 1: Collision Avoidance - Module Power, Ground, and Serial Data (UGN)
GM4305324Courtesy of GENERAL MOTORS COMPANY