LEMON Manuals: Even more car manuals for everyone
Home >> Cadillac >> 2017 >> Escalade Base, 4WD >> Repair and Diagnosis >> Accessories & Equipment >> Drivers Assistance Systems - ADAS >> Object Detection System And Pedestrian Protection System - Schematic Wiring Diagrams >> Schematic Wiring Diagrams >> Object Detection Wiring Schematics >> Side Blind Zone Alert (UKC)

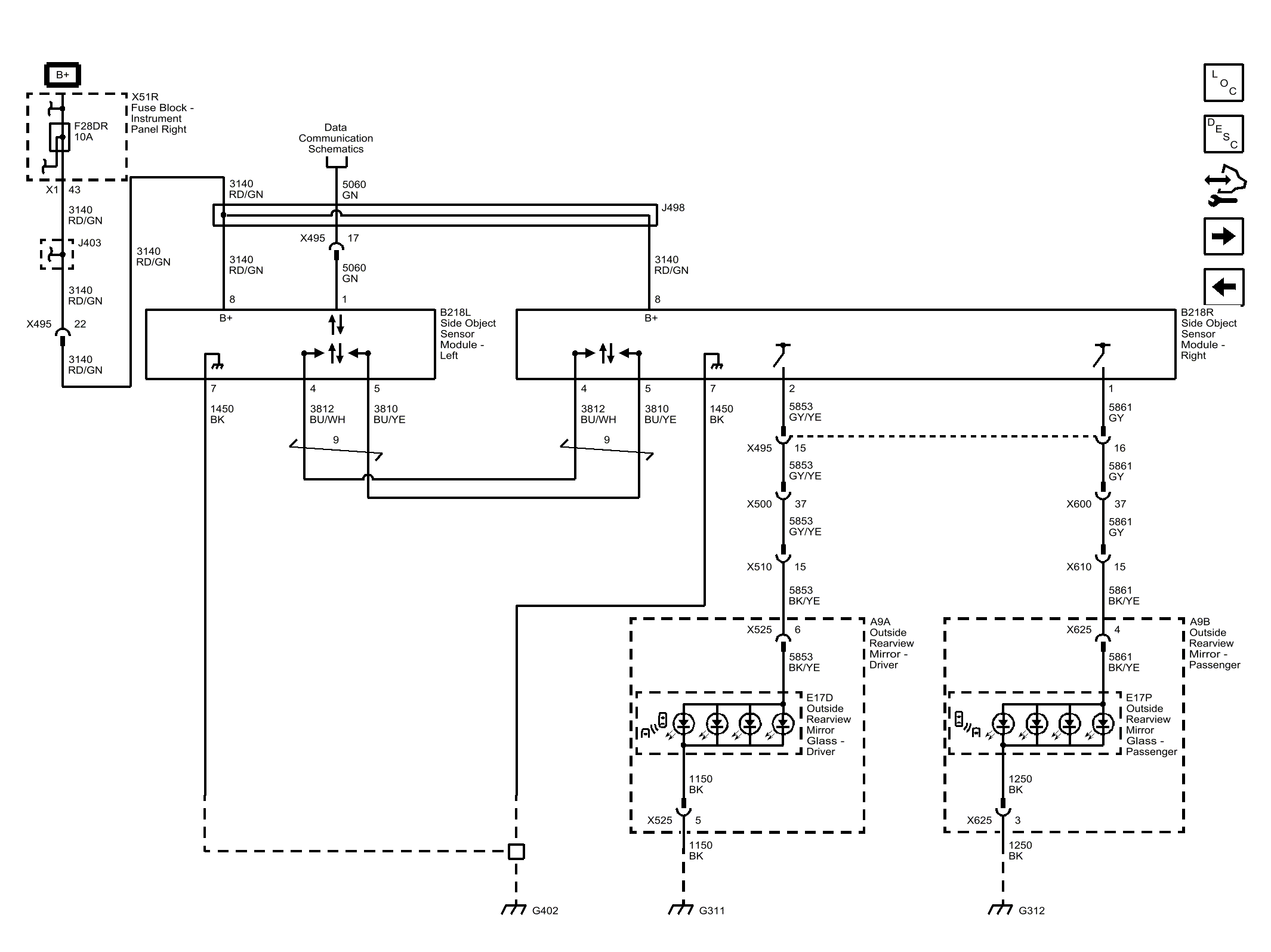
Side Blind Zone Alert (UKC)

Fig 1: Side Blind Zone Alert (UKC)
GM4499977Courtesy of GENERAL MOTORS COMPANY