LEMON Manuals: Even more car manuals for everyone
Home >> Cadillac >> 2017 >> Escalade Base, 4WD >> Repair and Diagnosis >> Accessories & Equipment >> Drivers Assistance Systems - ADAS >> Object Detection System And Pedestrian Protection System - Schematic Wiring Diagrams >> Schematic Wiring Diagrams >> Object Detection Wiring Schematics >> Rearview Camera (UVC) (1 of 2)

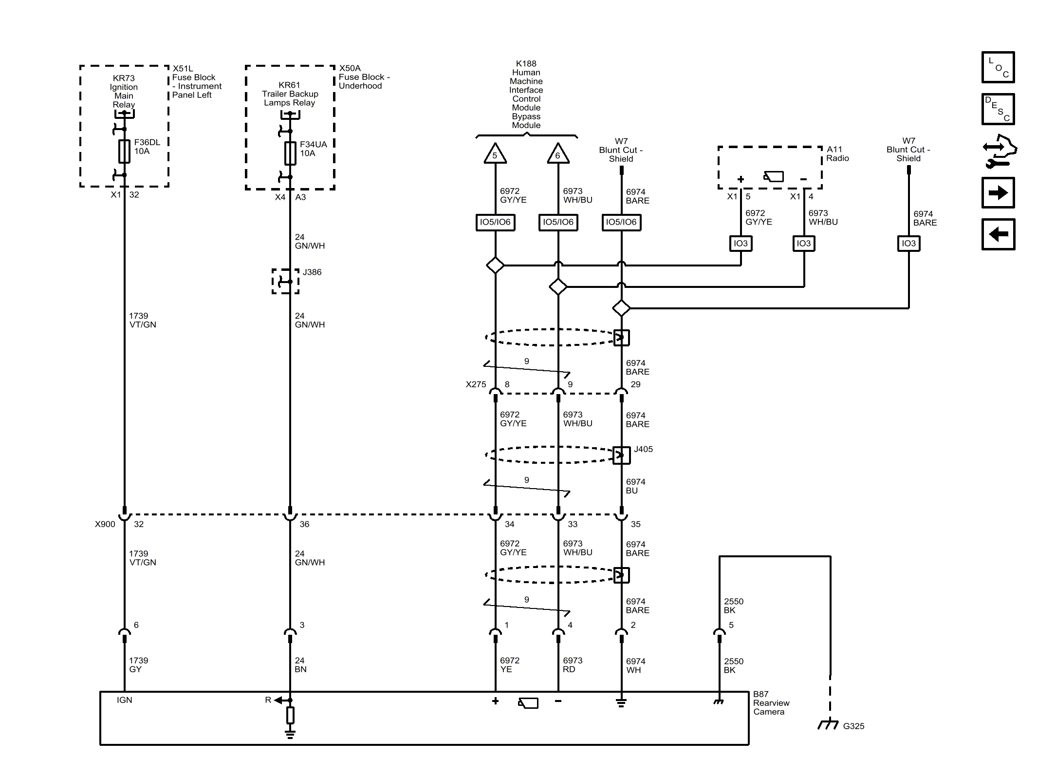
Rearview Camera (UVC) (1 of 2)

Fig 1: Rearview Camera (UVC) (1 of 2)
GM4499974Courtesy of GENERAL MOTORS COMPANY