LEMON Manuals: Even more car manuals for everyone
Home >> Cadillac >> 2017 >> CTS Base, AWD >> Repair and Diagnosis >> External Pages >> Different car >> Section 218 (Object Detection System And Pedestrian Protection System - Schematic Wiring Diagrams) >> Schematic Wiring Diagrams >> Object Detection Wiring Schematics >> Collision Avoidance - Modules Power, Ground and Controls (UGN)

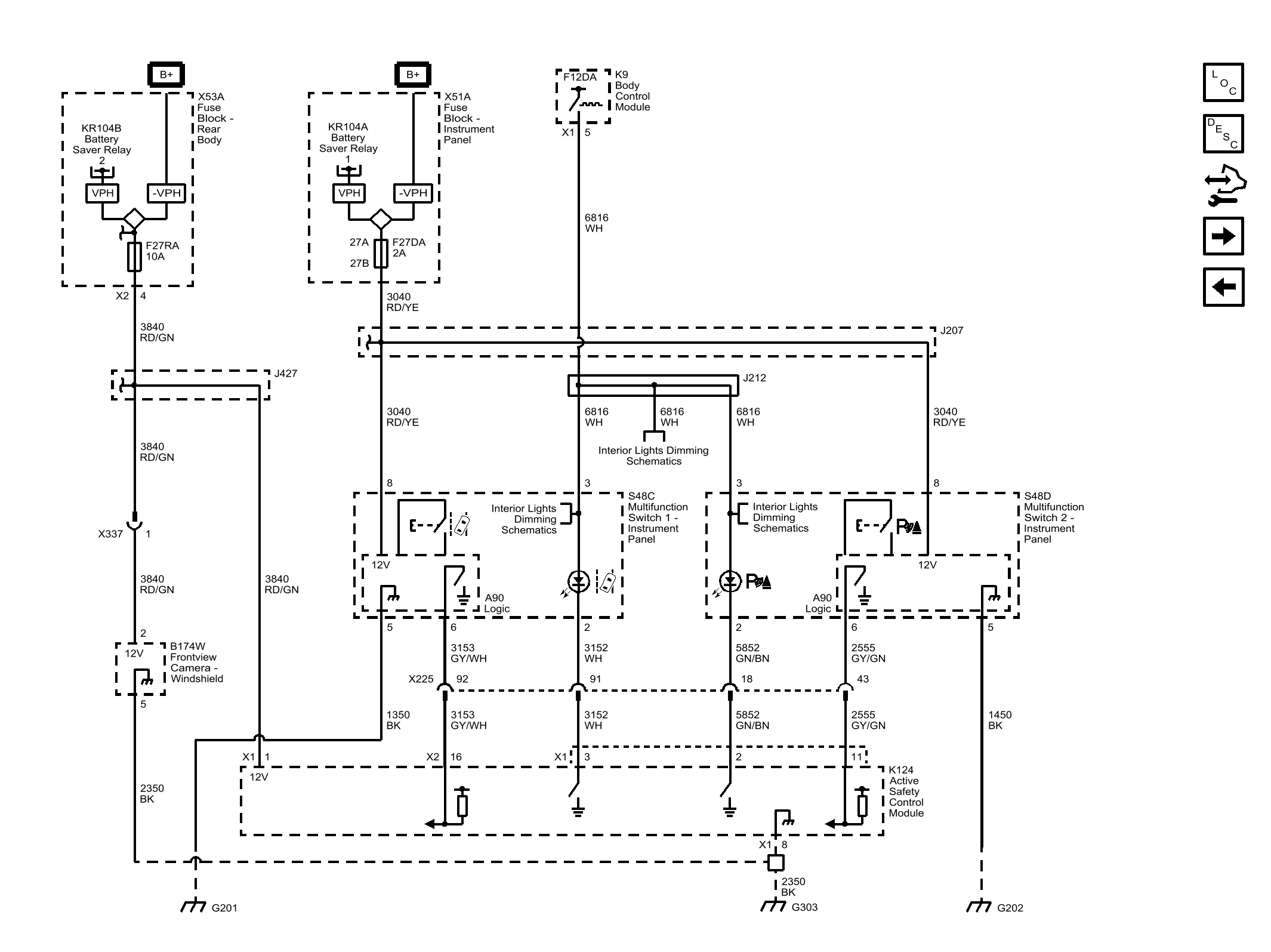
Collision Avoidance - Modules Power, Ground and Controls (UGN)

WARNING: This page is about a different car, the 2016 Cadillac CTS. However, it is still accessible from the selected car via links, so may be relevant.
Fig 1: Collision Avoidance - Modules Power, Ground and Controls (UGN)
GM4078888Courtesy of GENERAL MOTORS COMPANY