LEMON Manuals: Even more car manuals for everyone
Home >> Cadillac >> 2017 >> CTS Base, AWD >> Repair and Diagnosis >> External Pages >> Different car >> Section 185 (Cellular System, Entertainment System And Navigation System) >> Schematic Wiring Diagrams >> Radio/Navigation System Wiring Schematics >> Human Machine Interface and Display, Power, Ground, Serial Data and Microphone

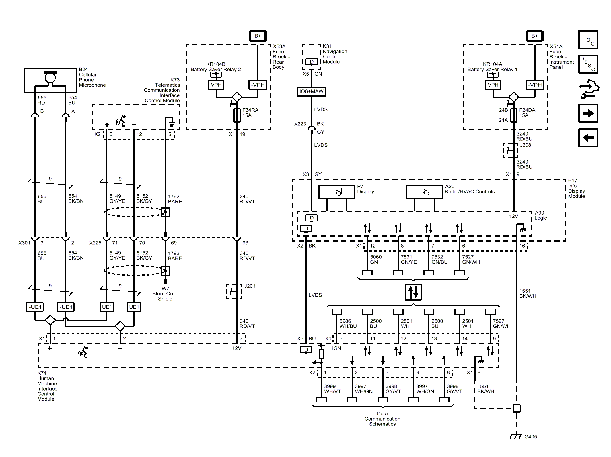
Human Machine Interface and Display, Power, Ground, Serial Data and Microphone

WARNING: This page is about a different car, the 2016 Cadillac CTS. However, it is still accessible from the selected car via links, so may be relevant.
Fig 1: Human Machine Interface and Display, Power, Ground, Serial Data and Microphone
GM4078460Courtesy of GENERAL MOTORS COMPANY