LEMON Manuals: Even more car manuals for everyone
Home >> Cadillac >> 2017 >> CTS Base, AWD >> Repair and Diagnosis >> Accessories & Equipment >> Drivers Assistance Systems - ADAS >> Object Detection System And Pedestrian Protection System >> Schematic Wiring Diagrams >> Object Detection Wiring Schematics >> Safety Alert Seat (UEU/UHX/UGN)

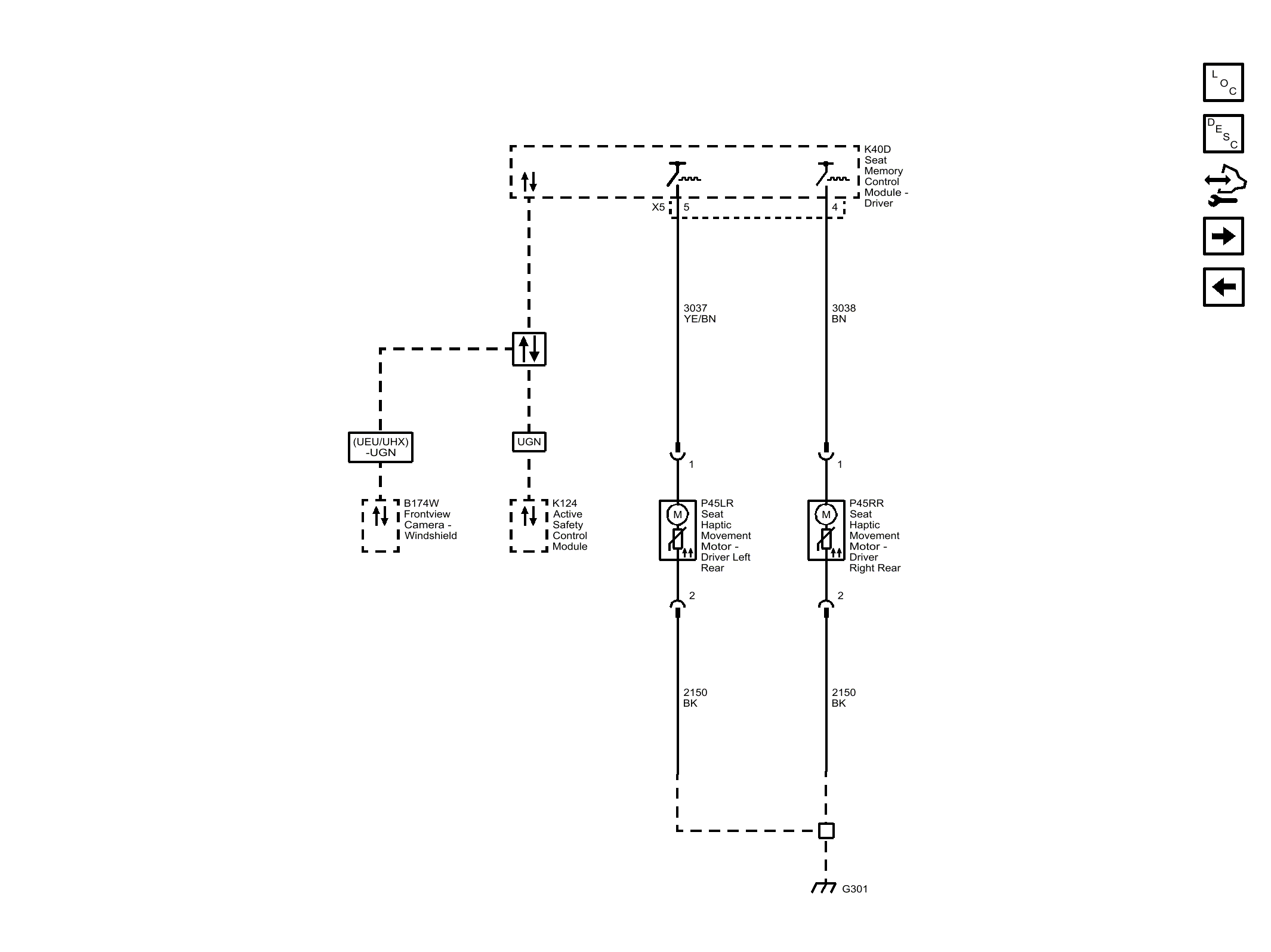
Safety Alert Seat (UEU/UHX/UGN)

Fig 1: Safety Alert Seat (UEU/UHX/UGN)
GM4493561Courtesy of GENERAL MOTORS COMPANY