LEMON Manuals: Even more car manuals for everyone
Home >> Cadillac >> 2017 >> CT6 Plug-In >> Repair and Diagnosis >> Accessories & Equipment >> Drivers Assistance Systems - ADAS >> Object Detection System And Pedestrian Protection System - Schematic Wiring Diagrams >> Schematic Wiring Diagrams >> Object Detection Wiring Schematics >> Lane Keep Assist and Forward Collision - Controls (UEU/UHX)

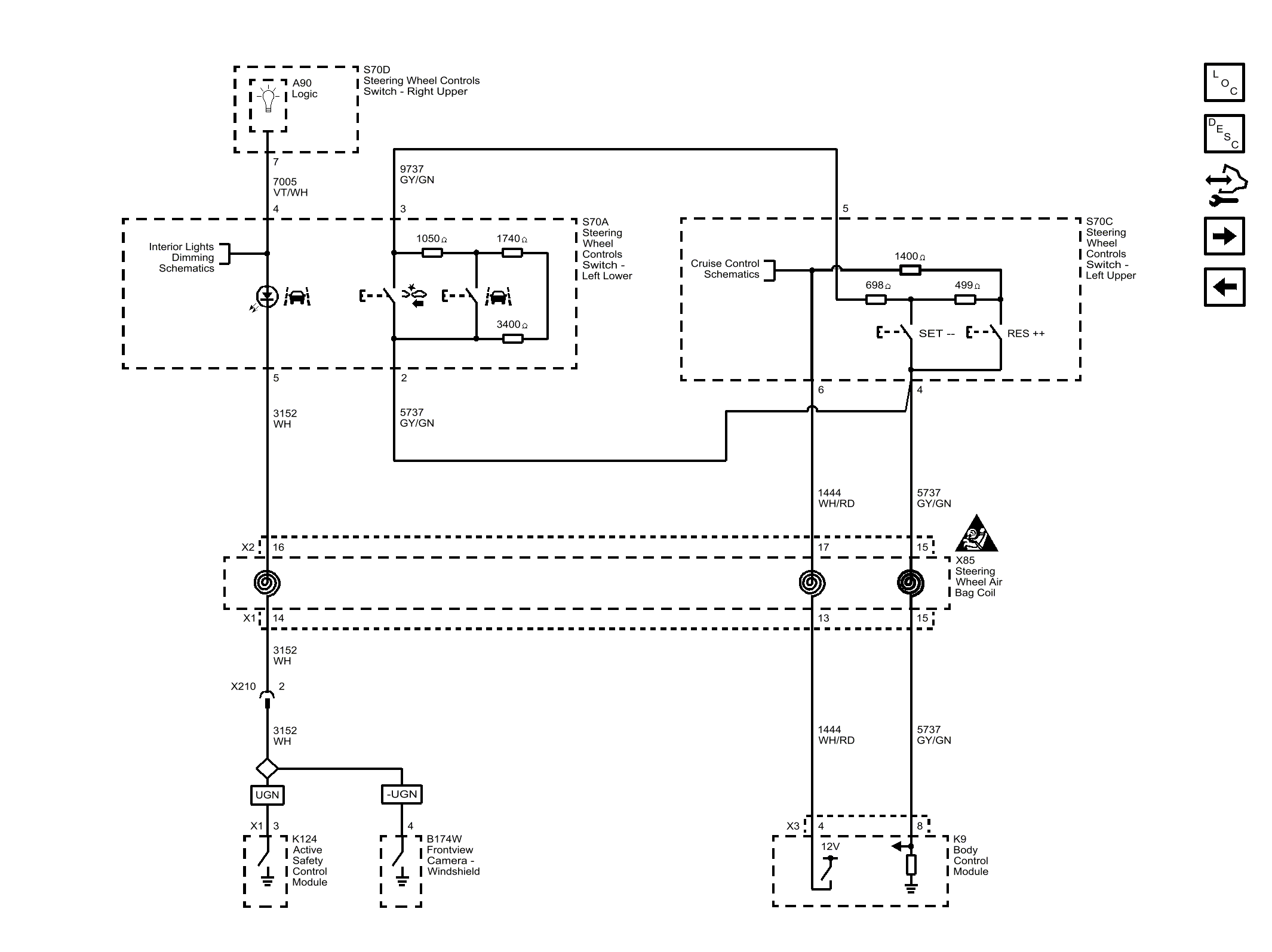
Lane Keep Assist and Forward Collision - Controls (UEU/UHX)

Fig 1: Lane Keep Assist and Forward Collision - Controls (UEU/UHX)
GM4489898Courtesy of GENERAL MOTORS COMPANY