LEMON Manuals: Even more car manuals for everyone
Home >> Cadillac >> 2017 >> CT6 Plug-In >> Repair and Diagnosis (Single Page) >> Accessories & Equipment >> Memory Modules >> Secondary And Configurable Customer Control System >> Schematic Wiring Diagrams >> Steering Wheel Secondary/Configurable Control Wiring Schematics >> Steering Wheel Controls

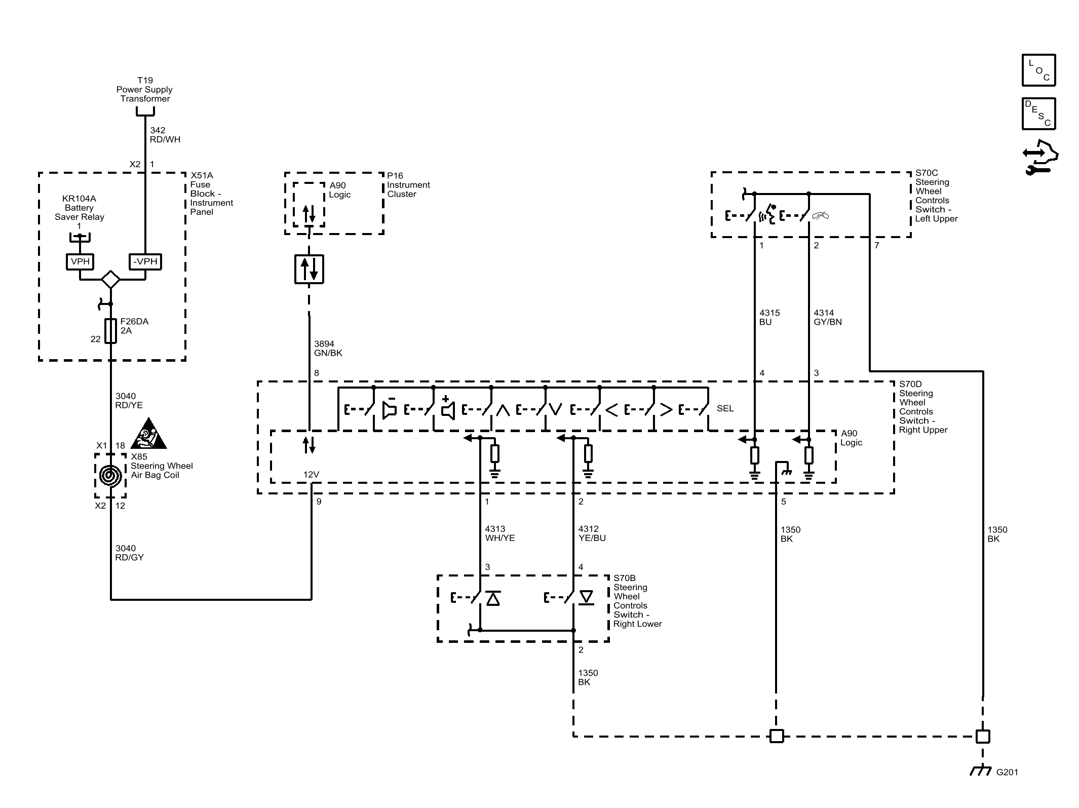
Steering Wheel Controls

Fig 1: Steering Wheel Controls
GM4489757Courtesy of GENERAL MOTORS COMPANY