LEMON Manuals: Even more car manuals for everyone
Home >> Cadillac >> 2017 >> CT6 Plug-In >> Repair and Diagnosis (Single Page) >> Accessories & Equipment >> Entertainment Systems >> Cellular System, Entertainment System, And Navigation System - Schematic Wiring Diagrams >> Schematic Wiring Diagrams >> Video System Wiring Schematics (UWG) >> Media Disc Player Power, Ground, Serial Data, Subsystem References and Media Disc Eject Switch

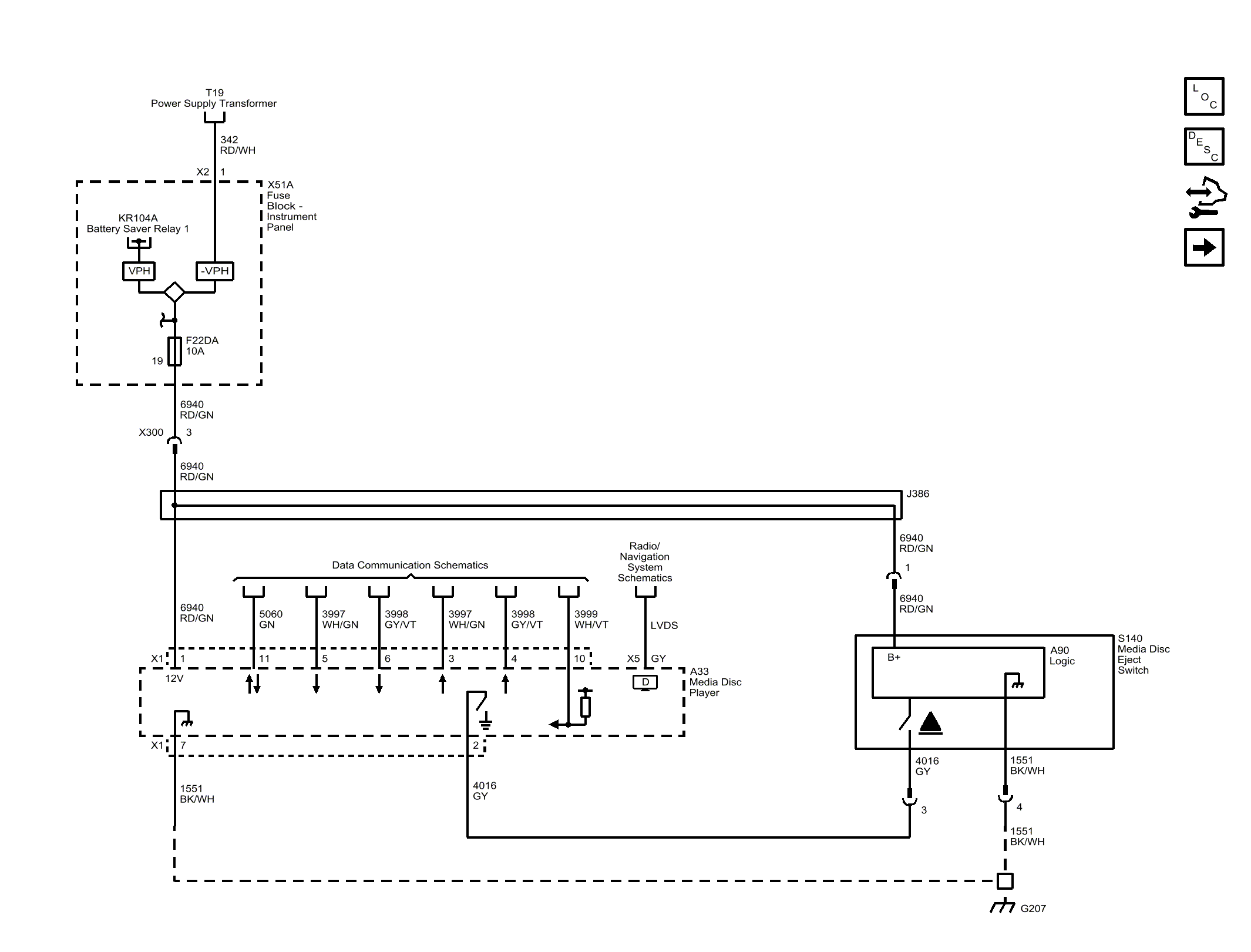
Media Disc Player Power, Ground, Serial Data, Subsystem References and Media Disc Eject Switch

Fig 1: Media Disc Player Power, Ground, Serial Data, Subsystem References and Media Disc Eject Switch
GM4489715Courtesy of GENERAL MOTORS COMPANY