LEMON Manuals: Even more car manuals for everyone
Home >> Cadillac >> 2017 >> CT6 Plug-In >> Repair and Diagnosis (Single Page) >> Accessories & Equipment >> Drivers Assistance Systems - ADAS >> Object Detection System And Pedestrian Protection System - Schematic Wiring Diagrams >> Schematic Wiring Diagrams >> Object Detection Wiring Schematics >> Night Vision Camera (UV3)

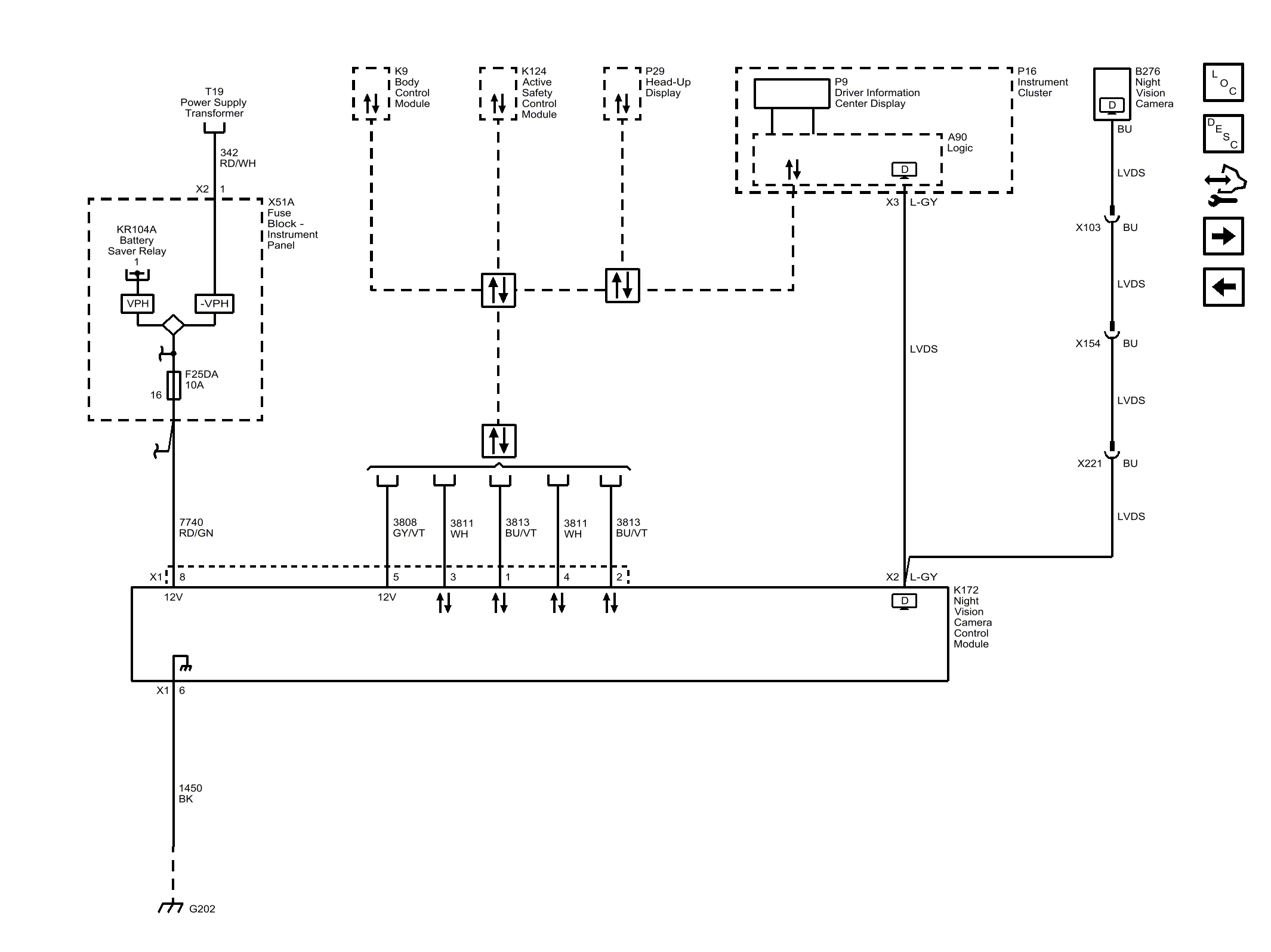
Night Vision Camera (UV3)

Fig 1: Night Vision Camera (UV3)
GM4489912Courtesy of GENERAL MOTORS COMPANY