LEMON Manuals: Even more car manuals for everyone
Home >> Cadillac >> 2017 >> CT6 Plug-In >> Repair and Diagnosis (Single Page) >> Accessories & Equipment >> Drivers Assistance Systems - ADAS >> Object Detection System And Pedestrian Protection System - Schematic Wiring Diagrams >> Schematic Wiring Diagrams >> Object Detection Wiring Schematics >> Lane Keep Assist and Forward Collision - Module Power, Ground and Serial Data (UEU/UHX)

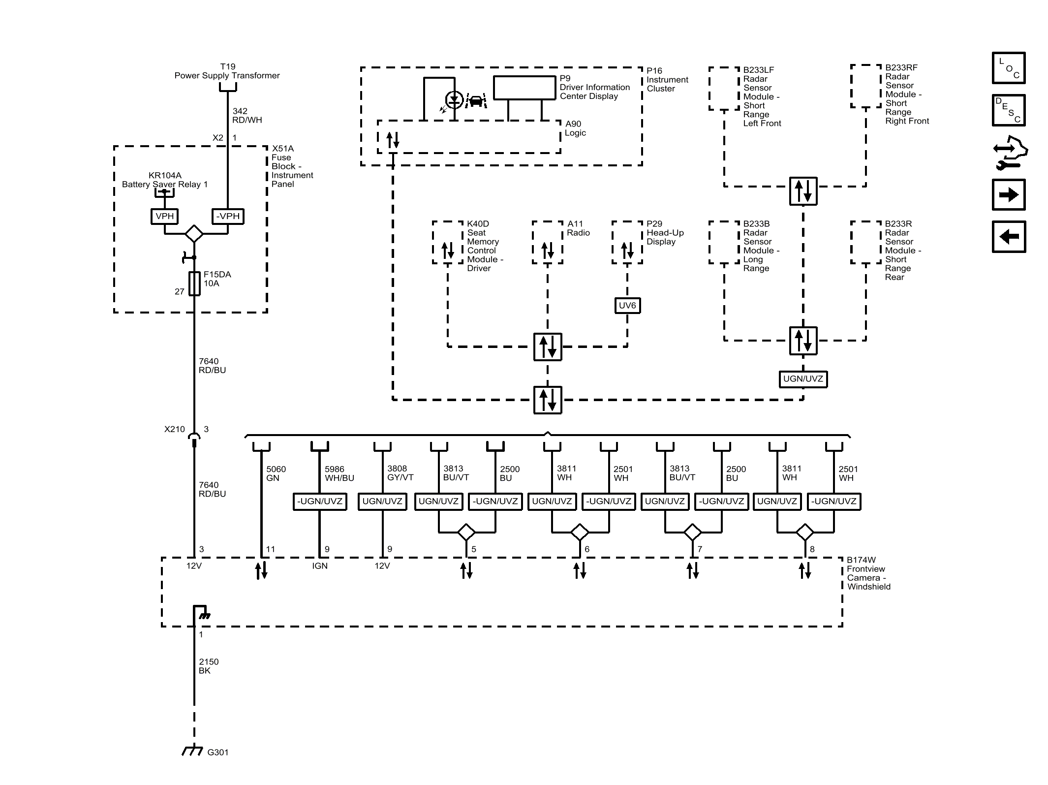
Lane Keep Assist and Forward Collision - Module Power, Ground and Serial Data (UEU/UHX)

Fig 1: Lane Keep Assist and Forward Collision - Module Power, Ground and Serial Data (UEU/UHX)
GM4489897Courtesy of GENERAL MOTORS COMPANY