LEMON Manuals: Even more car manuals for everyone
Home >> Cadillac >> 2016 >> XTS Base >> Repair and Diagnosis >> Accessories & Equipment >> Drivers Assistance Systems - ADAS >> Object Detection System And Pedestrian Protection System - Schematic Wiring Diagrams >> Schematic Wiring Diagrams >> Object Detection Wiring Schematics >> Multifunction Switches (UGN/UVZ)

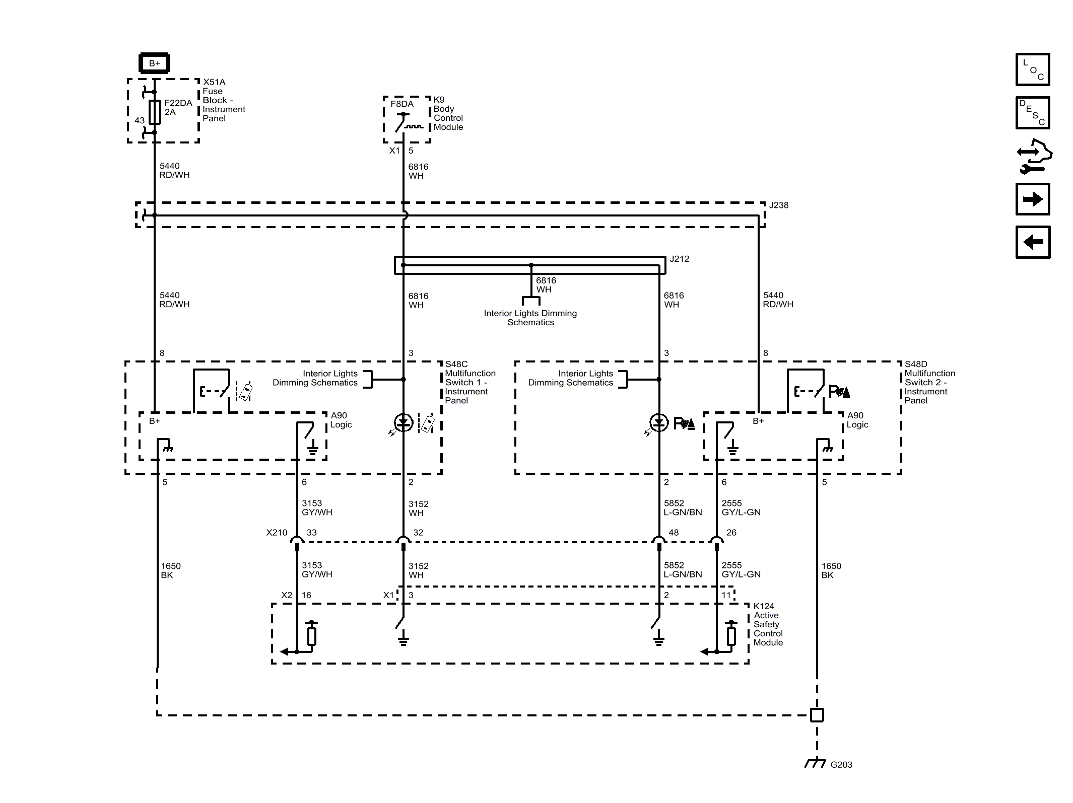
Multifunction Switches (UGN/UVZ)

Fig 1: Multifunction Switches (UGN/UVZ)
GM4143414Courtesy of GENERAL MOTORS COMPANY