LEMON Manuals: Even more car manuals for everyone
Home >> Cadillac >> 2016 >> SRX Base >> Repair and Diagnosis >> Accessories & Equipment >> Drivers Assistance Systems - ADAS >> Object Detection System >> Schematic Wiring Diagrams >> Object Detection Wiring Schematics >> Rear Vision Camera (UVC)

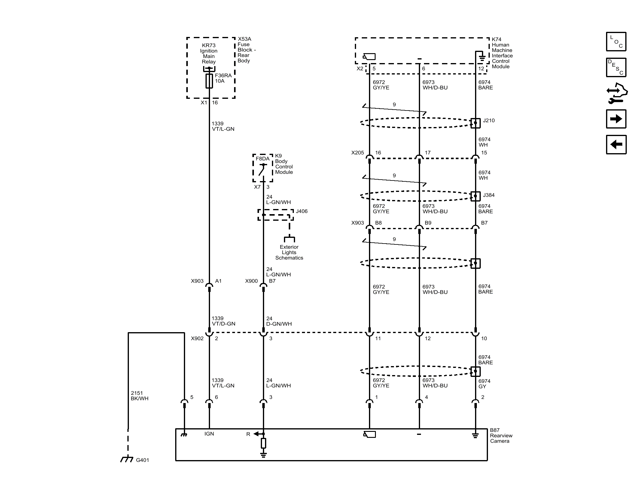
Rear Vision Camera (UVC)

Fig 1: Rear Vision Camera (UVC)
GM4083545Courtesy of GENERAL MOTORS COMPANY