LEMON Manuals: Even more car manuals for everyone
Home >> Cadillac >> 2016 >> SRX Base >> Repair and Diagnosis >> Accessories & Equipment >> Drivers Assistance Systems - ADAS >> Object Detection System >> Schematic Wiring Diagrams >> Object Detection Wiring Schematics >> Power, Ground and Serial Data (UGN/UVZ)

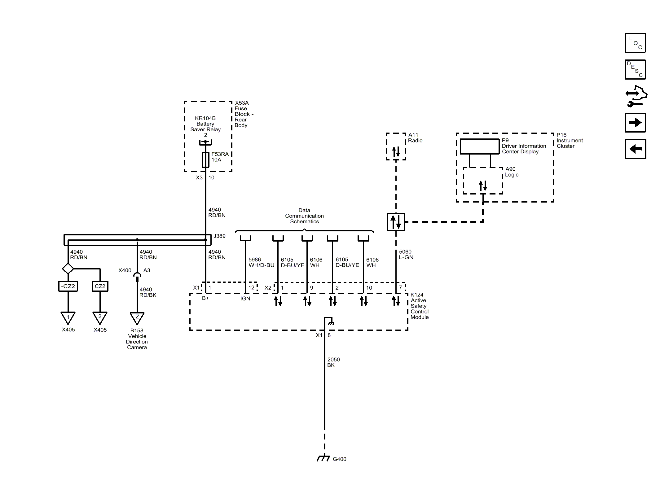
Power, Ground and Serial Data (UGN/UVZ)

Fig 1: Power, Ground and Serial Data (UGN/UVZ)
GM4083547Courtesy of GENERAL MOTORS COMPANY