LEMON Manuals: Even more car manuals for everyone
Home >> Cadillac >> 2016 >> ELR >> Repair and Diagnosis >> Accessories & Equipment >> Drivers Assistance Systems - ADAS >> Object Detection System And Pedestrian Protection System >> Schematic Wiring Diagrams >> Object Detection Wiring Schematics >> Side Object Detection (UFT)

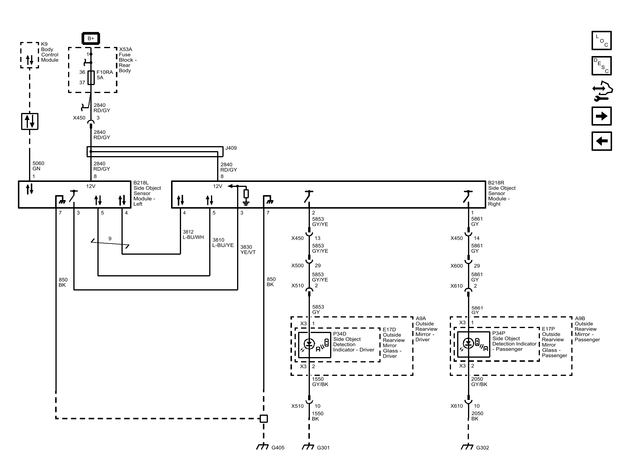
Side Object Detection (UFT)

Fig 1: Side Object Detection (UFT)
GM4041586Courtesy of GENERAL MOTORS COMPANY