LEMON Manuals: Even more car manuals for everyone
Home >> Cadillac >> 2016 >> ELR >> Repair and Diagnosis >> Accessories & Equipment >> Drivers Assistance Systems - ADAS >> Object Detection System And Pedestrian Protection System >> Schematic Wiring Diagrams >> Object Detection Wiring Schematics >> Rearview Camera (UVC)

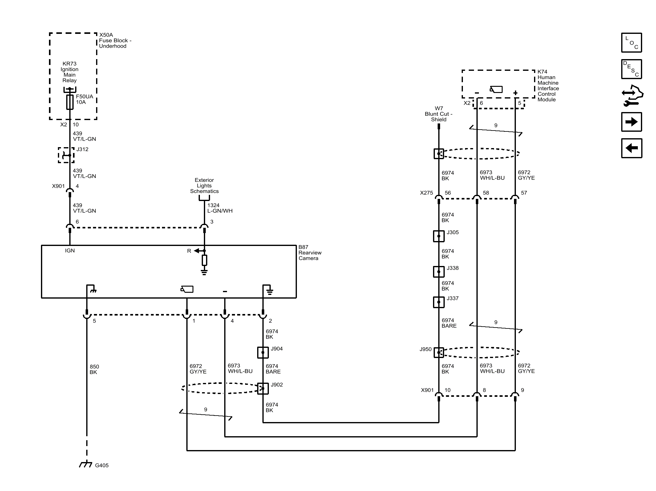
Rearview Camera (UVC)

Fig 1: Rearview Camera (UVC)
GM4041583Courtesy of GENERAL MOTORS COMPANY