LEMON Manuals: Even more car manuals for everyone
Home >> Cadillac >> 2015 >> XTS Base >> Repair and Diagnosis >> Accessories & Equipment >> Collision/Avoidance >> Object Detection System And Pedestrian Protection System >> Schematic Wiring Diagrams >> Object Detection Wiring Schematics >> Multifunction Switches (UGN/UVZ)

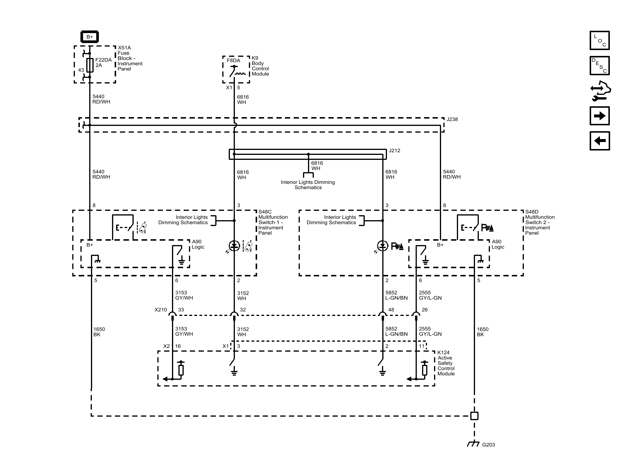
Multifunction Switches (UGN/UVZ)

Fig 1: Multifunction Switches (UGN/UVZ)
GM3792950Courtesy of GENERAL MOTORS COMPANY