LEMON Manuals: Even more car manuals for everyone
Home >> Cadillac >> 2014 >> ELR >> Repair and Diagnosis >> Accessories & Equipment >> Drivers Assistance Systems - ADAS >> Object Detection System And Pedestrian Protection System >> Schematic Wiring Diagrams >> Object Detection Wiring Schematics >> Safety Alert Seat (A45)

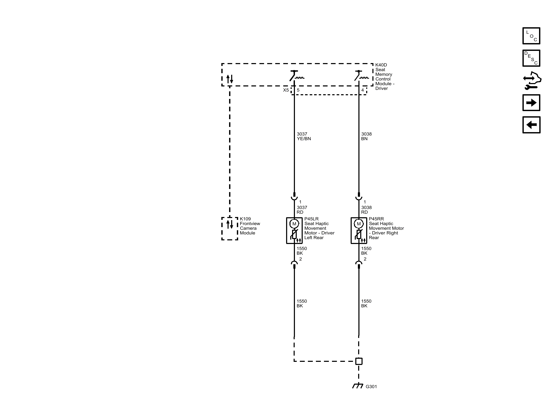
Safety Alert Seat (A45)

Fig 1: Safety Alert Seat (A45)
GM3617688Courtesy of GENERAL MOTORS COMPANY