LEMON Manuals: Even more car manuals for everyone
Home >> Cadillac >> 2014 >> ELR >> Repair and Diagnosis >> Accessories & Equipment >> Drivers Assistance Systems - ADAS >> Object Detection System And Pedestrian Protection System >> Schematic Wiring Diagrams >> Object Detection Wiring Schematics >> Front Park Assist (UDF)

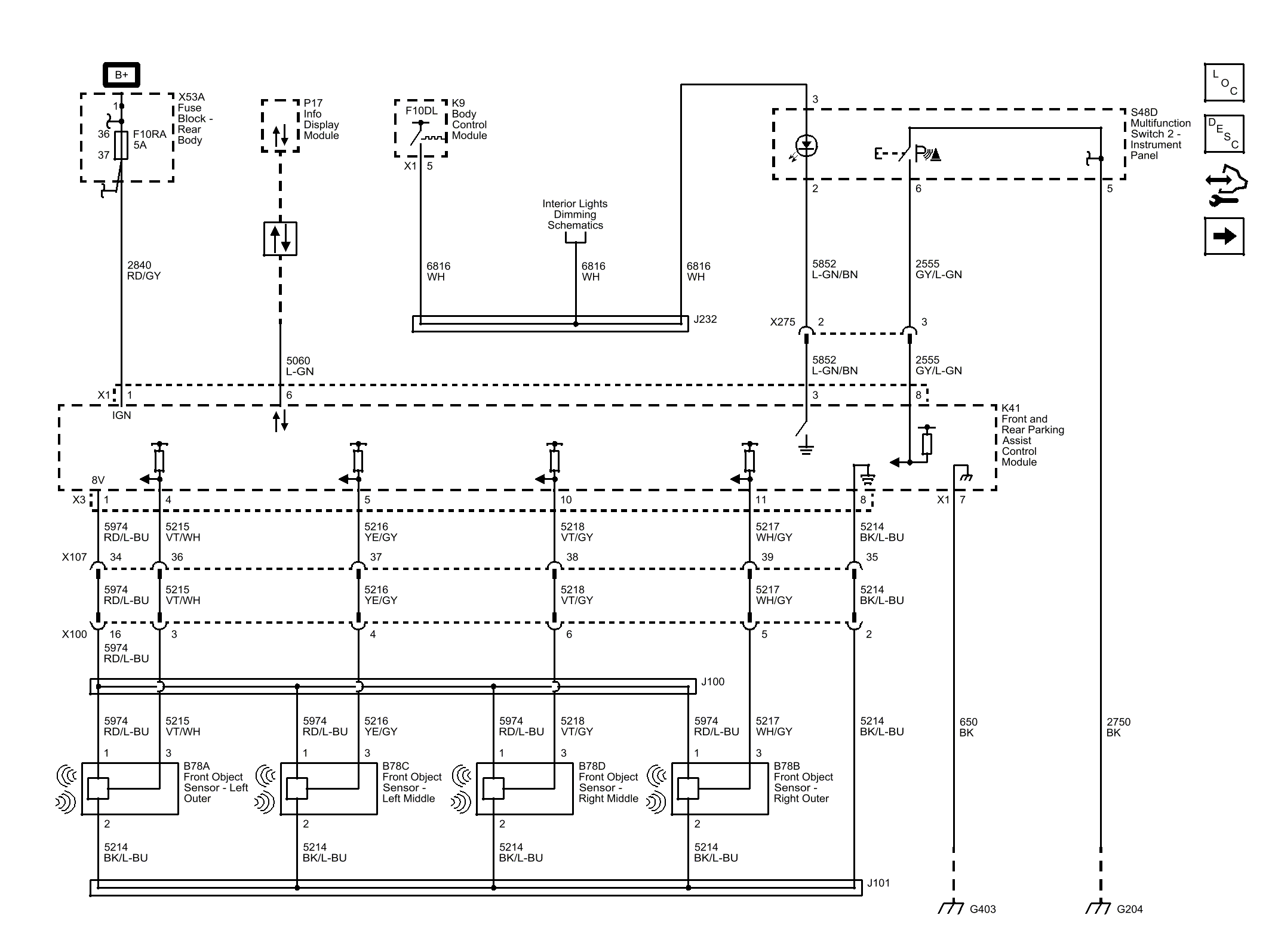
Front Park Assist (UDF)

Fig 1: Front Park Assist (UDF)
GM3598207Courtesy of GENERAL MOTORS COMPANY