LEMON Manuals: Even more car manuals for everyone
Home >> Cadillac >> 2013 >> XTS AWD >> Repair and Diagnosis >> Transmission >> Automatic Trans >> Shift Lock Control System >> Schematic Wiring Diagrams >> Shift Lock Control Wiring Schematics >> Shift Lock Control

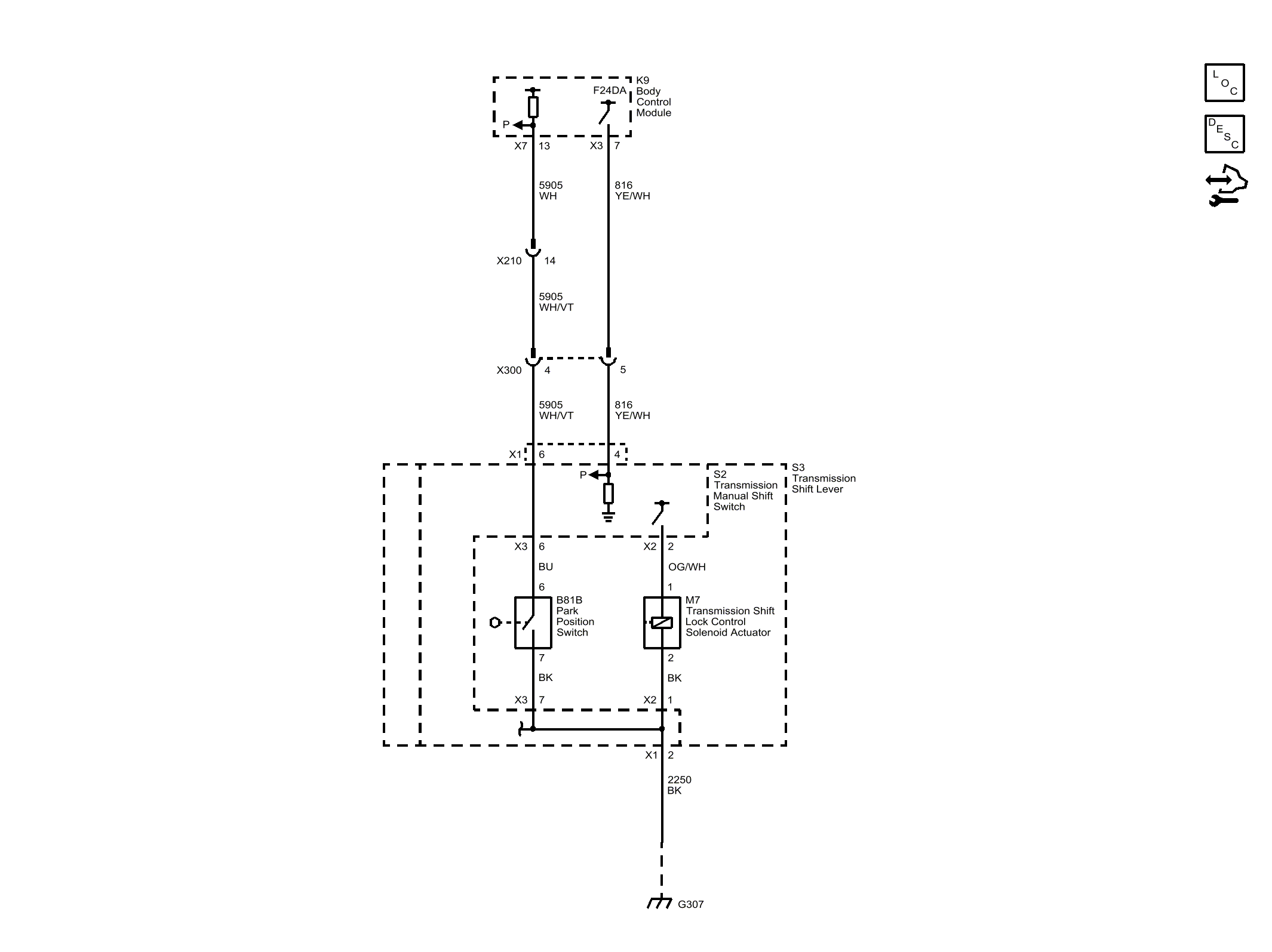
Shift Lock Control

Fig 1: Shift Lock Control Wiring Schematic
GM2771015Courtesy of GENERAL MOTORS COMPANY