LEMON Manuals: Even more car manuals for everyone
Home >> Cadillac >> 2013 >> SRX Base >> Repair and Diagnosis >> Body & Frame >> Door Locks >> Keyless Entry System And Remote Functions >> Schematic Wiring Diagrams >> Remote Function Wiring Schematics >> Passive Start

Passive Start

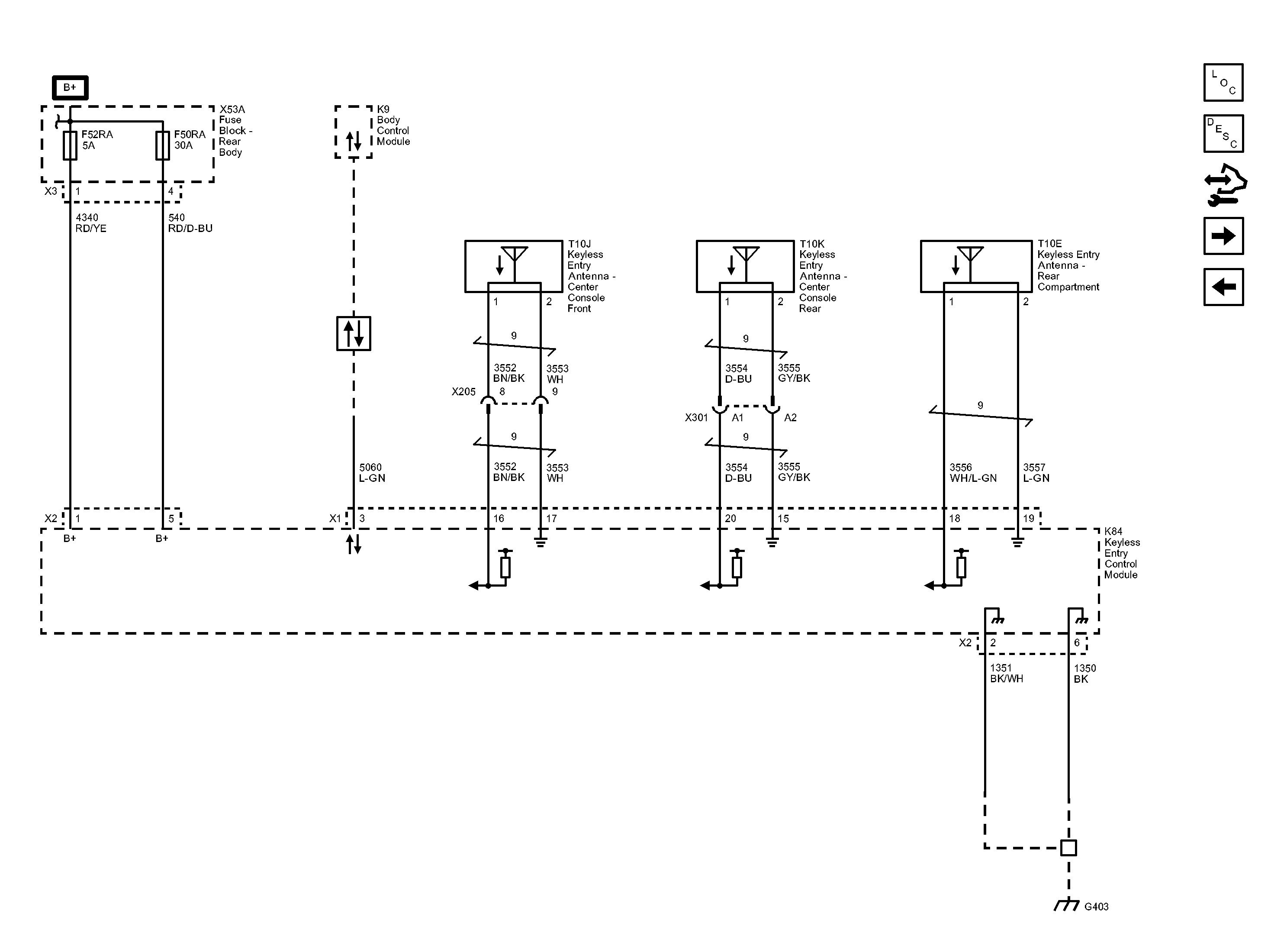
Fig 1: Passive Start Wiring Schematic
GM2838127Courtesy of GENERAL MOTORS COMPANY