LEMON Manuals: Even more car manuals for everyone
Home >> Cadillac >> 2013 >> SRX Base >> Repair and Diagnosis (Single Page) >> Accessories & Equipment >> Entertainment Systems >> Cellular System, Entertainment System, And Navigation System >> Schematic Wiring Diagrams >> Radio/Navigation System Wiring Schematics >> Radio, Amplifier, and Multimedia Player Interface Module Power, Ground and Data Communication

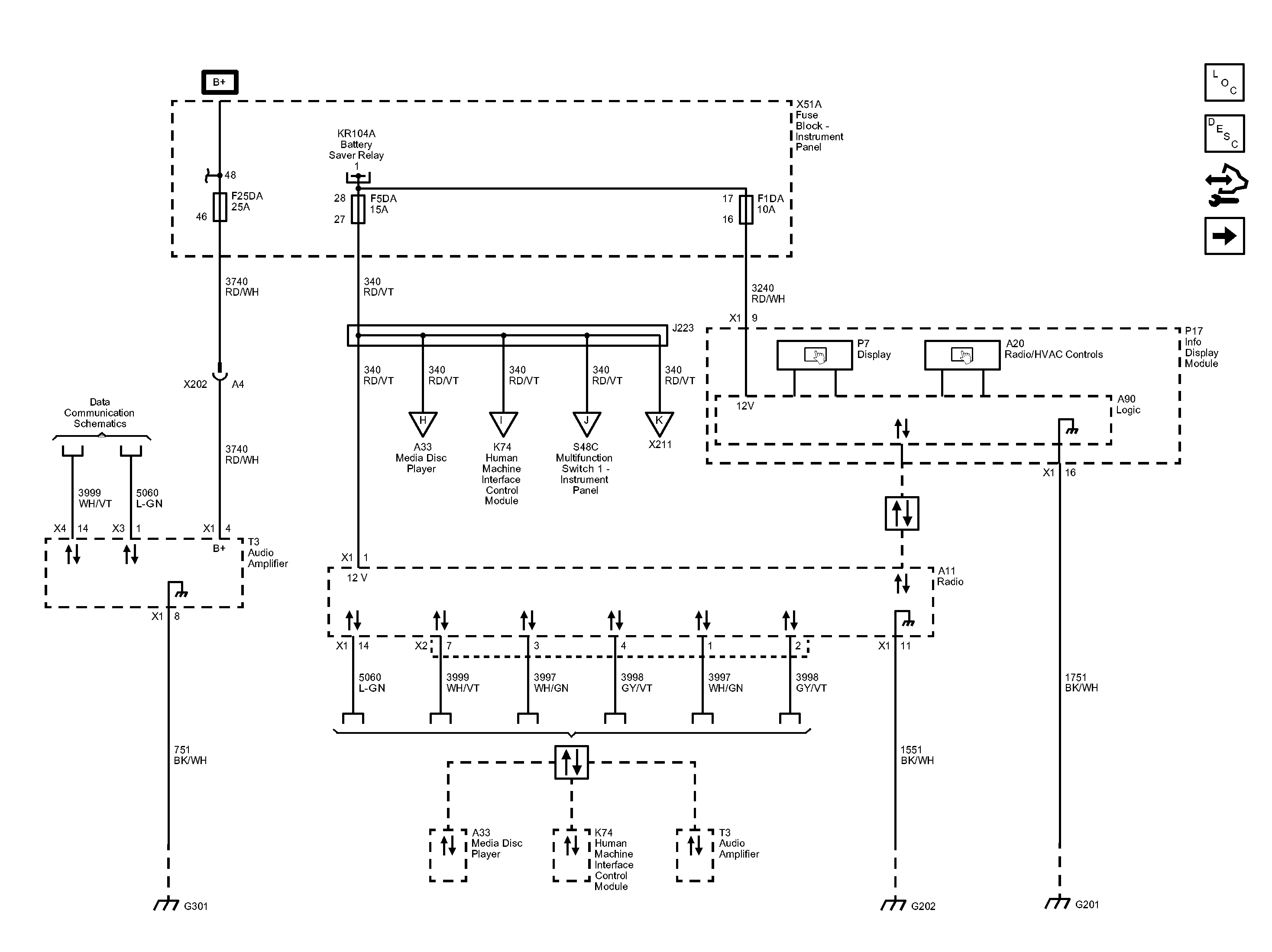
Radio, Amplifier, and Multimedia Player Interface Module Power, Ground and Data Communication

Fig 1: Radio, Amplifier, and Multimedia Player Interface Module Power, Ground and Data Communication Wiring Schematic
GM2837630Courtesy of GENERAL MOTORS COMPANY