LEMON Manuals: Even more car manuals for everyone
Home >> Cadillac >> 2013 >> SRX Base >> Repair and Diagnosis (Single Page) >> Accessories & Equipment >> Drivers Assistance Systems - ADAS >> Object Detection System - Park Assist System >> Schematic Wiring Diagrams >> Object Detection Wiring Schematics >> Rear Vision Camera (UVC)

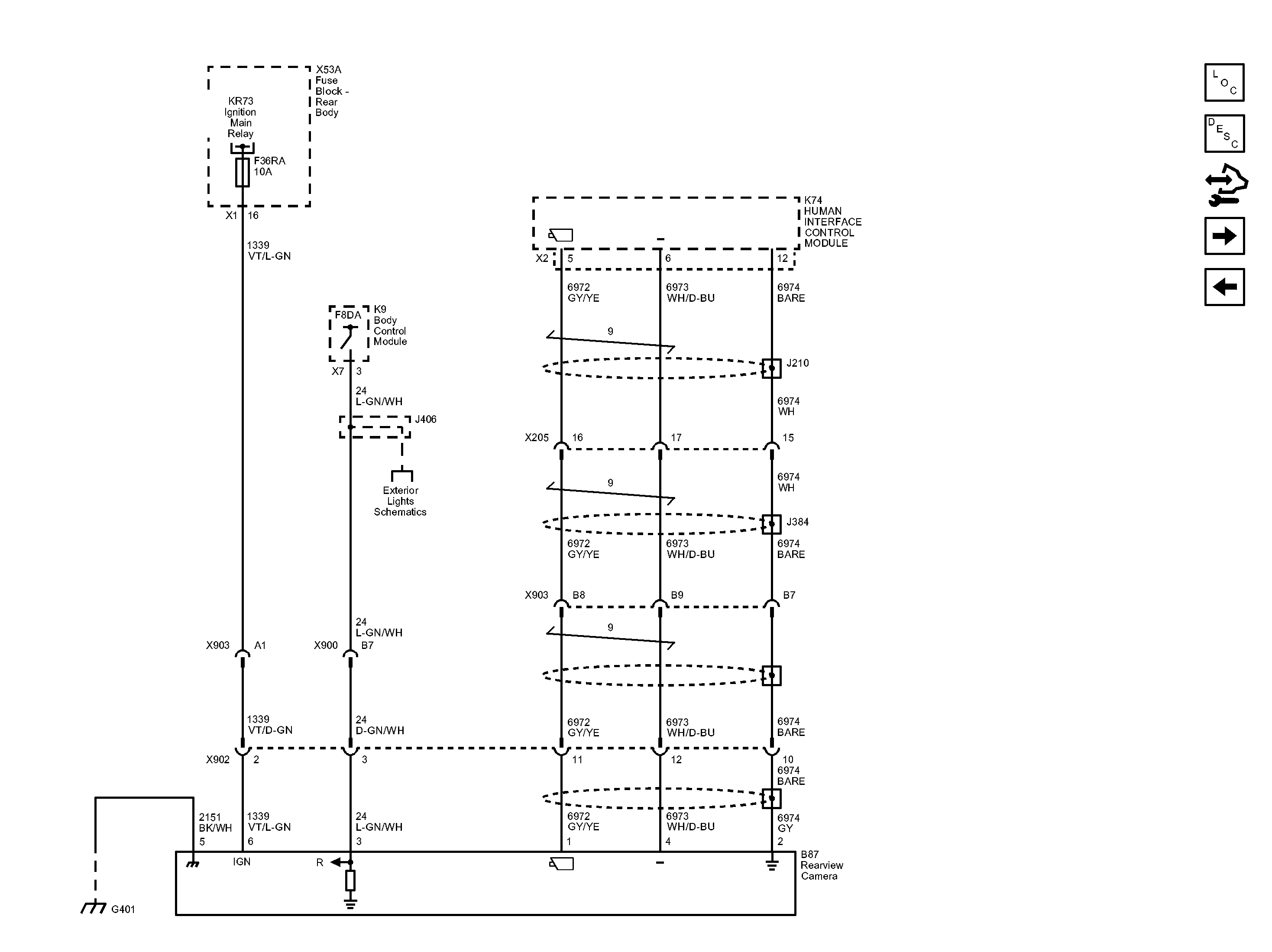
Rear Vision Camera (UVC)

Fig 1: Rear Vision Camera Wiring Schematic (UVC)
GM2838123Courtesy of GENERAL MOTORS COMPANY