LEMON Manuals: Even more car manuals for everyone
Home >> Cadillac >> 2012 >> Escalade EXT >> Repair and Diagnosis >> External Pages >> Different car >> Section 867 (Cellular System, Entertainment System, And Navigation System) >> Schematic and Routing Diagrams >> Radio/Navigation System Schematics

Radio/Navigation System Schematics

WARNING: This page is about a different car, the 2007 GMC Sierra and 2007 Chevrolet Silverado. However, it is still accessible from the selected car via links, so may be relevant.
Fig 1: Radio Power, Ground and Serial Data
GM1854533Courtesy of GENERAL MOTORS CORP.
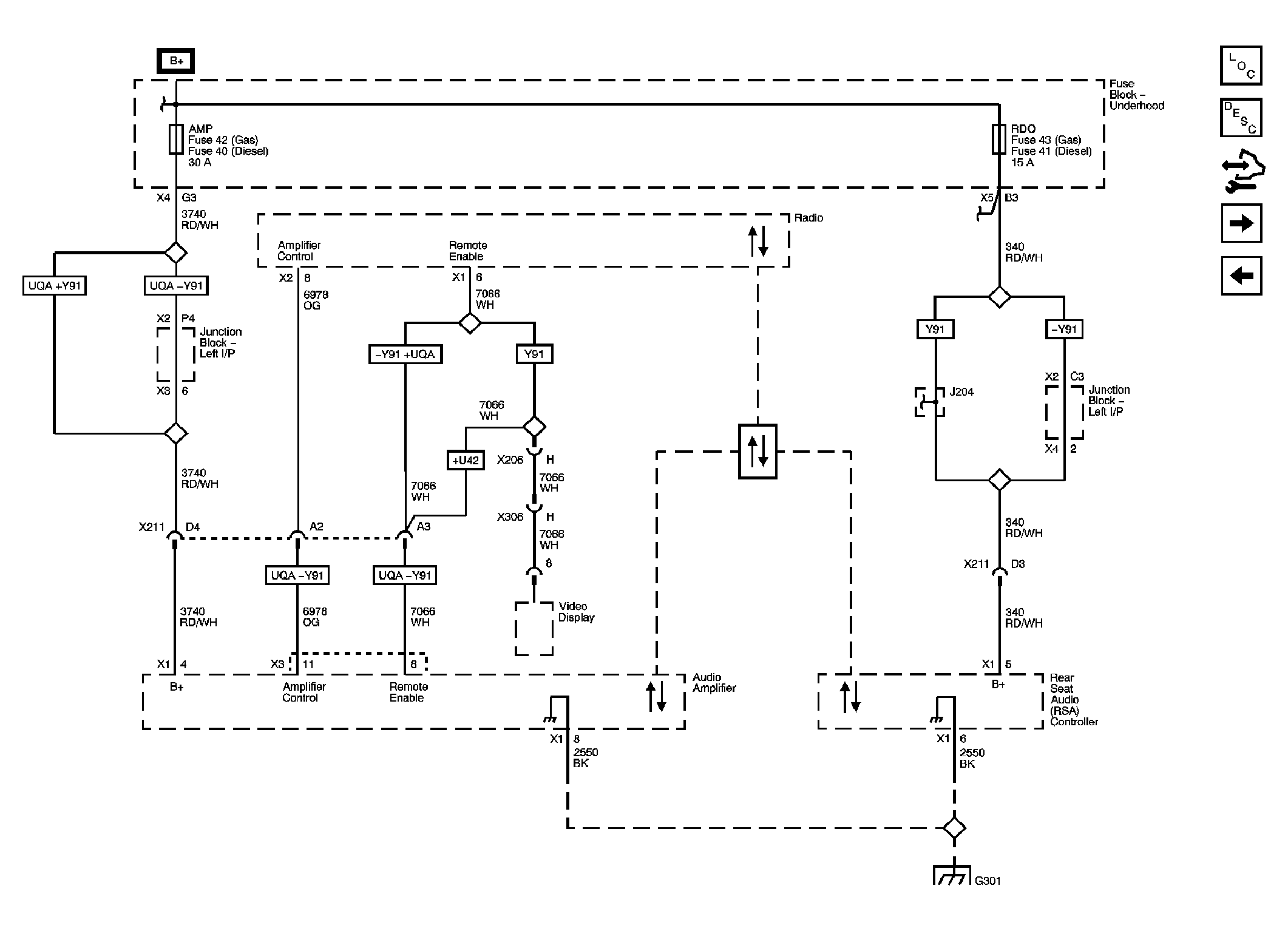
Fig 2: Amplifier (UQA) and Rear Seat Audio (UK6) Power, Ground and Serial Data
GM1854534Courtesy of GENERAL MOTORS CORP.
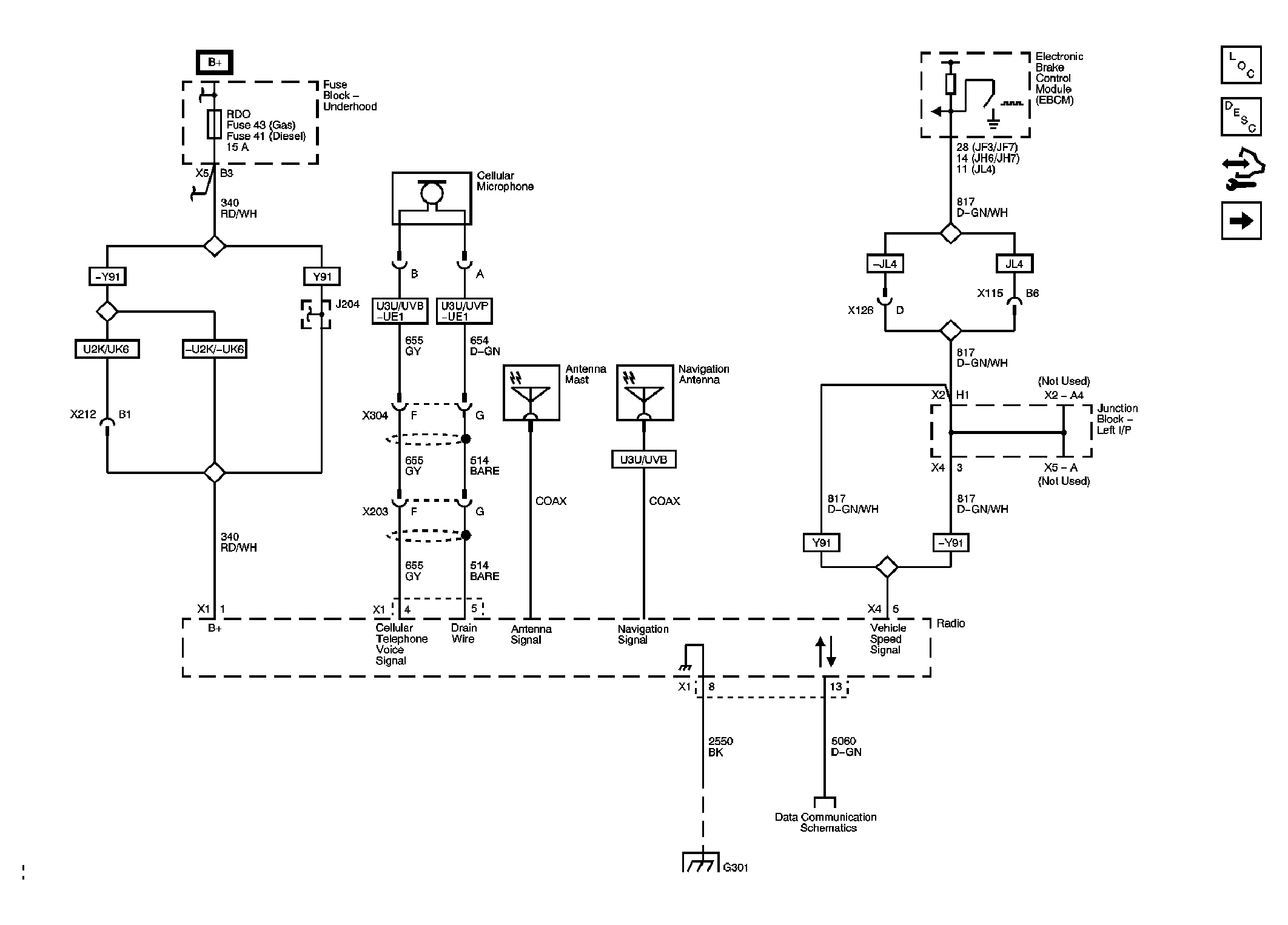
Fig 3: Amplifier Inputs (UQA)
GM1854535Courtesy of GENERAL MOTORS CORP.
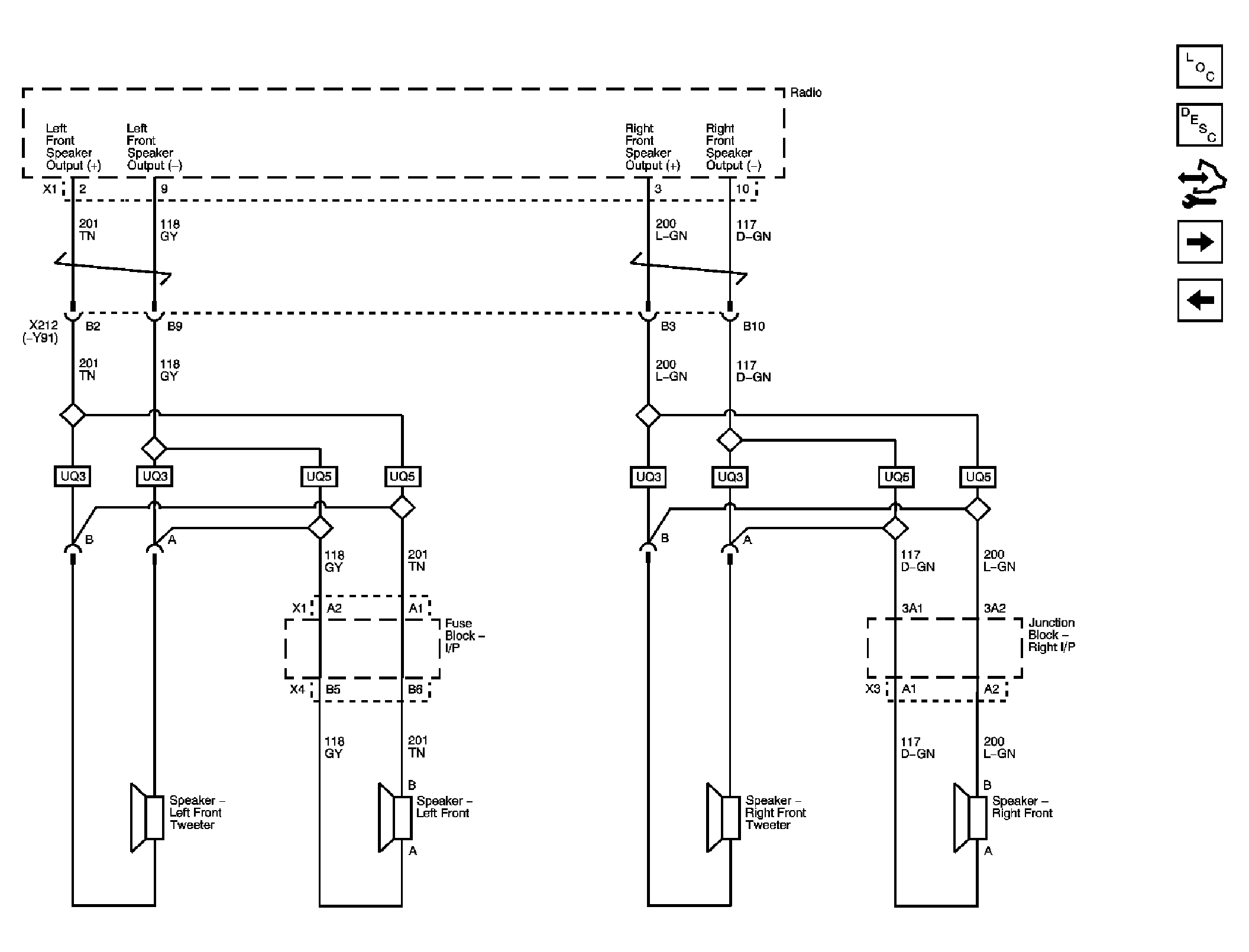
Fig 4: Front Speakers (UQ3/UQ5)
GM1854536Courtesy of GENERAL MOTORS CORP.
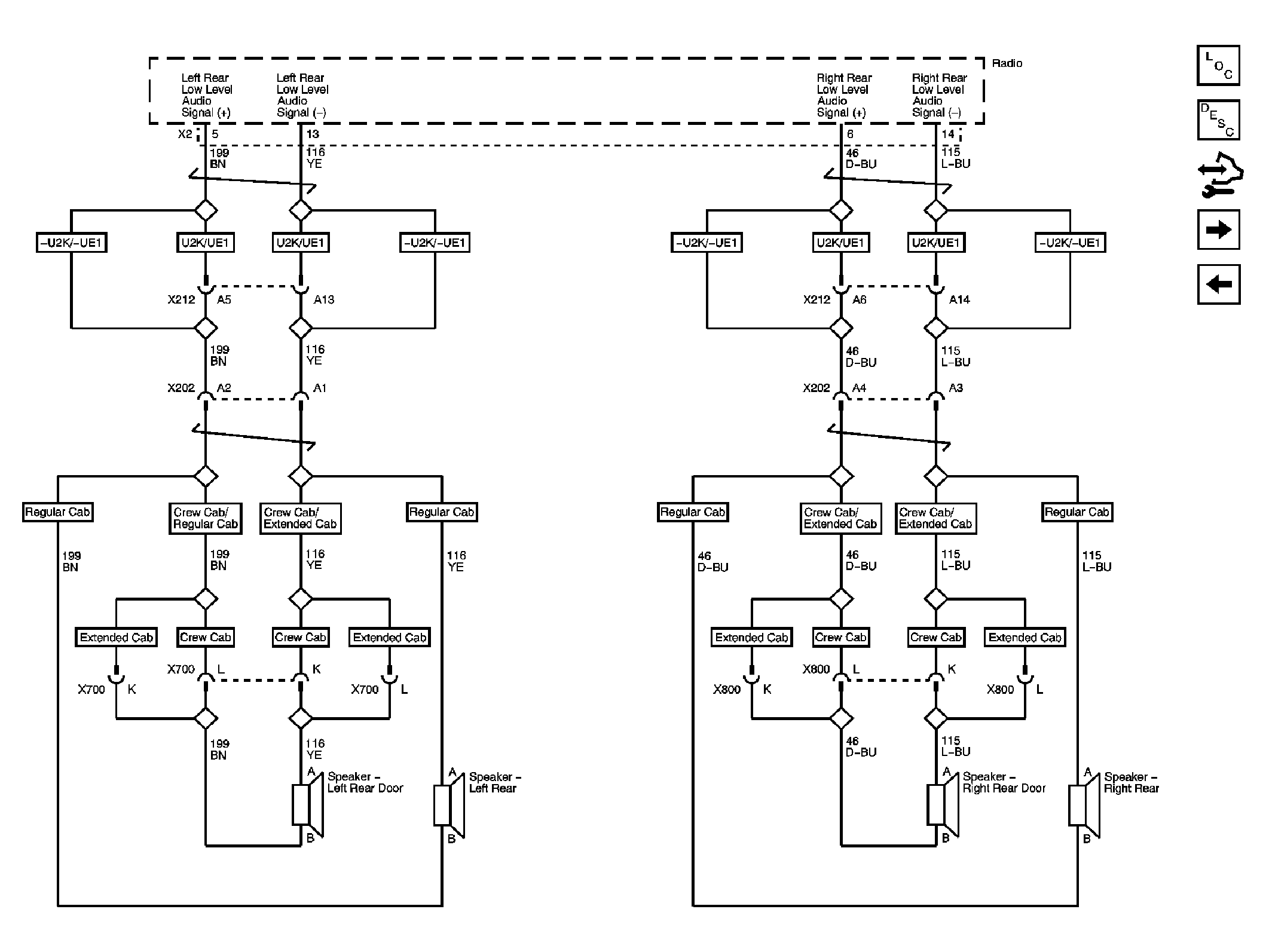
Fig 5: Rear Speakers (UQ3/UQ5)
GM1854537Courtesy of GENERAL MOTORS CORP.
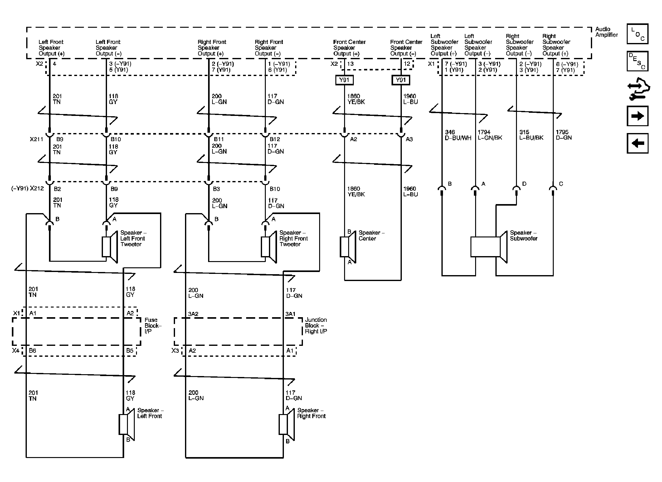
Fig 6: Front Speakers (UQA)
GM1854539Courtesy of GENERAL MOTORS CORP.
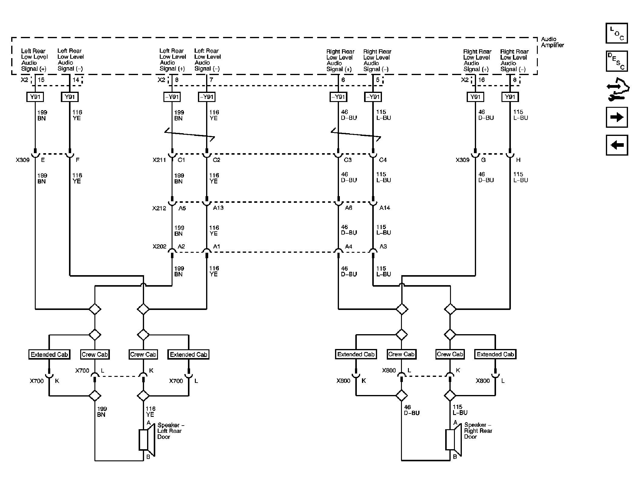
Fig 7: Rear Speakers (UQA)
GM1854540Courtesy of GENERAL MOTORS CORP.
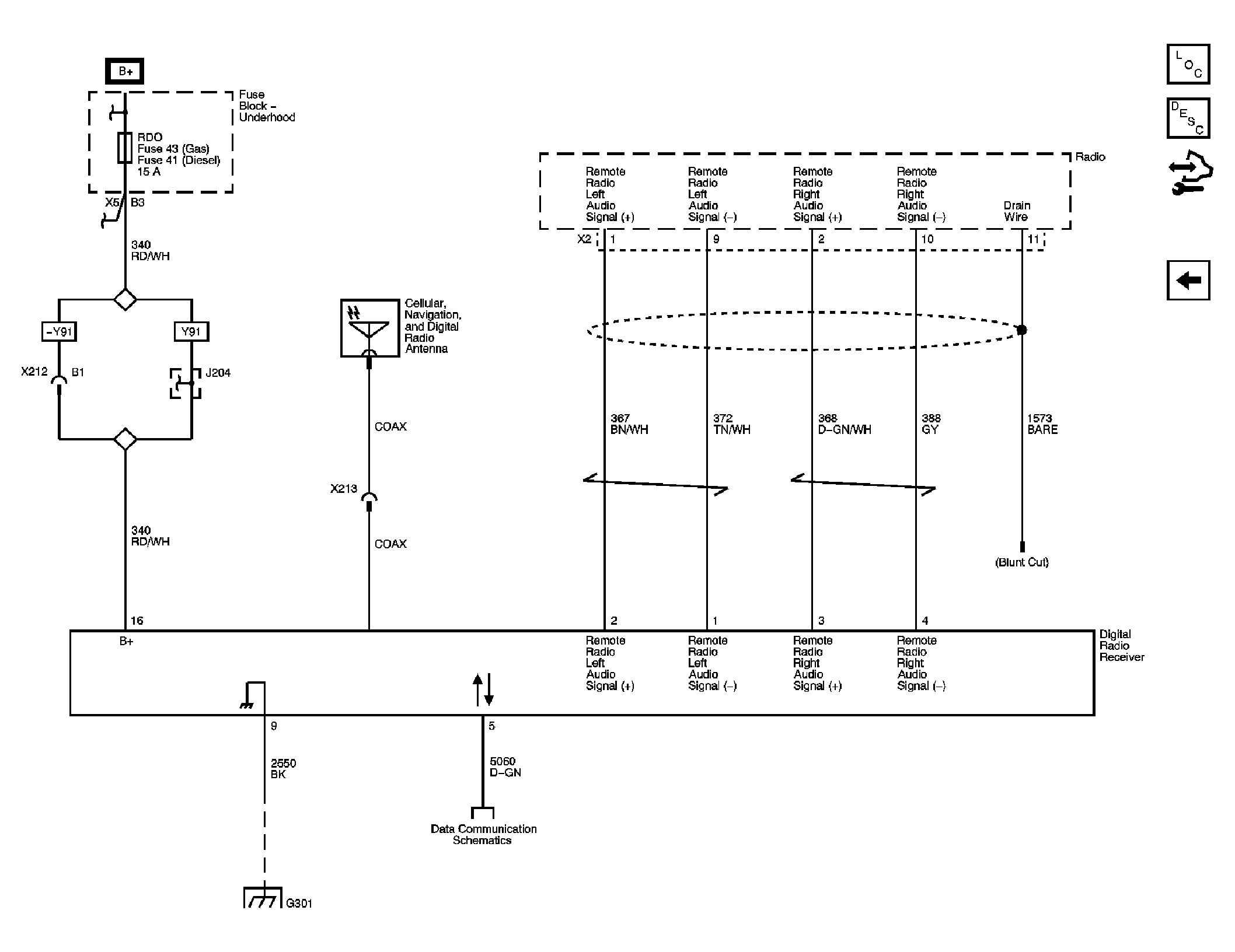
Fig 8: Digital Radio Receiver (U2K)
GM1854541Courtesy of GENERAL MOTORS CORP.