LEMON Manuals: Even more car manuals for everyone
Home >> Cadillac >> 2012 >> Escalade EXT >> Repair and Diagnosis >> External Pages >> Different car >> Section 1768 (Cellular System, Entertainment System, And Navigation System) >> Wiring Schematics >> Radio/Navigation System Wiring Schematics >> Radio Power, Ground, Serial Data, and Antenna Signals

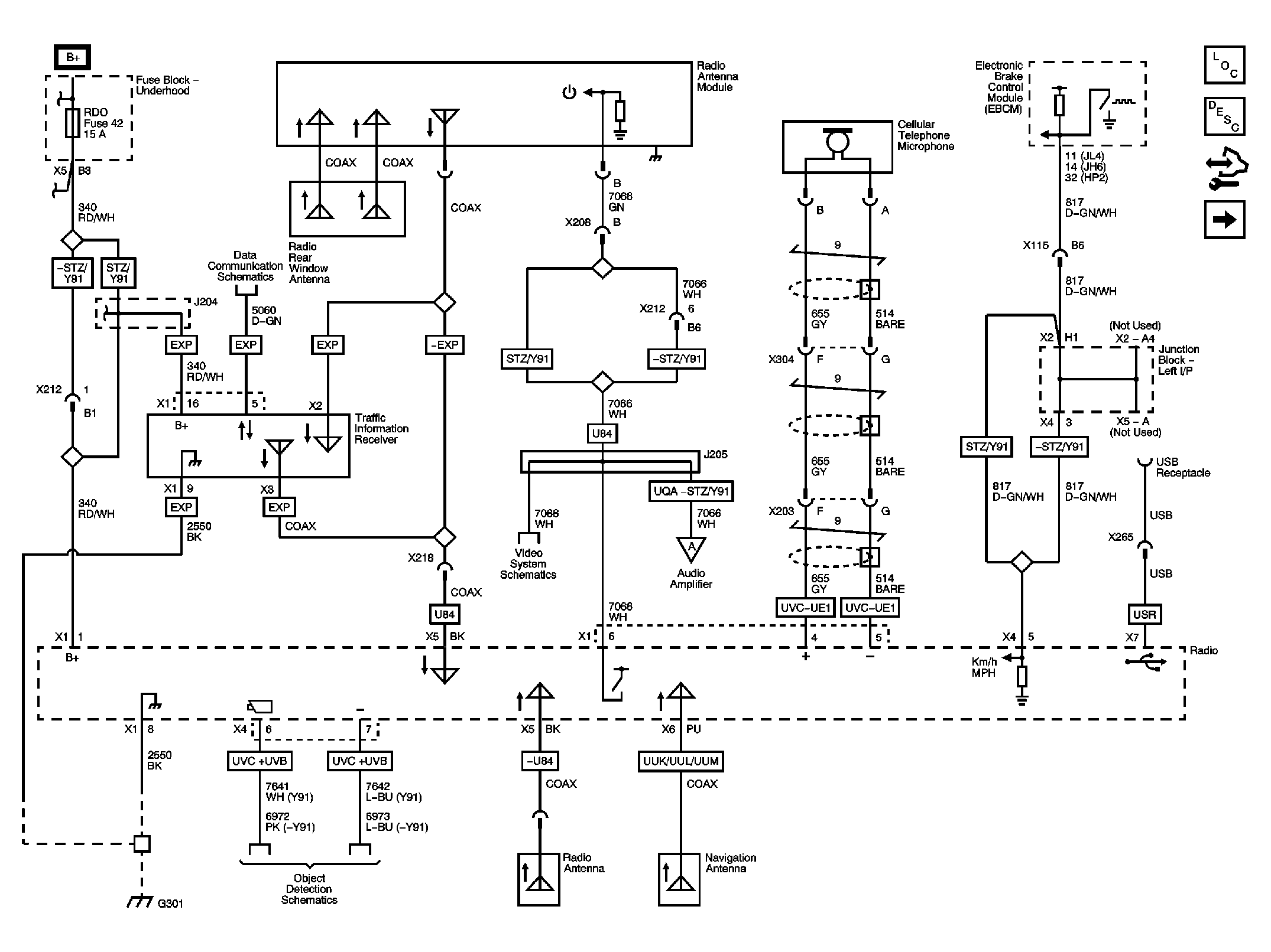
Radio Power, Ground, Serial Data, and Antenna Signals

WARNING: This page does not describe the selected car, but rather 8 other vehicles, including the 2011 GMC Yukon XL, 2011 GMC Yukon, 2011 Chevrolet Tahoe, 2011 Chevrolet Suburban, and 2011 Chevrolet Avalanche. However, it is still accessible from the selected car via links, so may be relevant.
Fig 1: Radio Power, Ground, Serial Data, and Antenna Signals Wiring Schematic
GM2399376Courtesy of GENERAL MOTORS CORP.