LEMON Manuals: Even more car manuals for everyone
Home >> Cadillac >> 2012 >> Escalade EXT >> Repair and Diagnosis >> External Pages >> Different car >> Section 1426 (Cellular System, Entertainment System, And Navigation System) >> Schematic and Routing Diagrams >> Radio/Navigation System Schematics

Radio/Navigation System Schematics

WARNING: This page is about a different car, the 2009 Saturn Vue. However, it is still accessible from the selected car via links, so may be relevant.
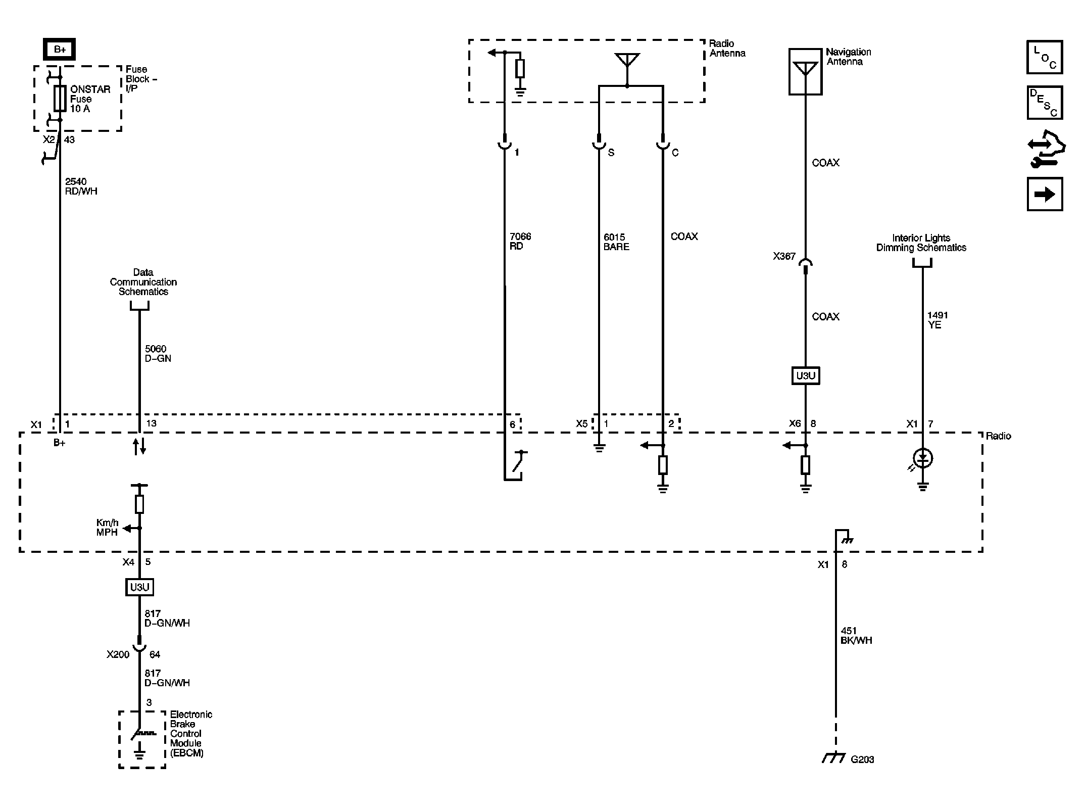
Fig 1: Radio
GM2079540Courtesy of GENERAL MOTORS CORP.
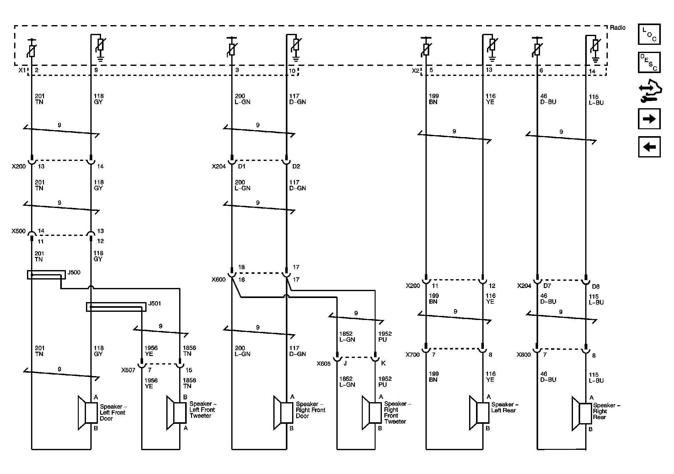
Fig 2: Speakers (UW6)
GM2079545Courtesy of GENERAL MOTORS CORP.
Fig 3: Audio Amplifier
GM2079548Courtesy of GENERAL MOTORS CORP.
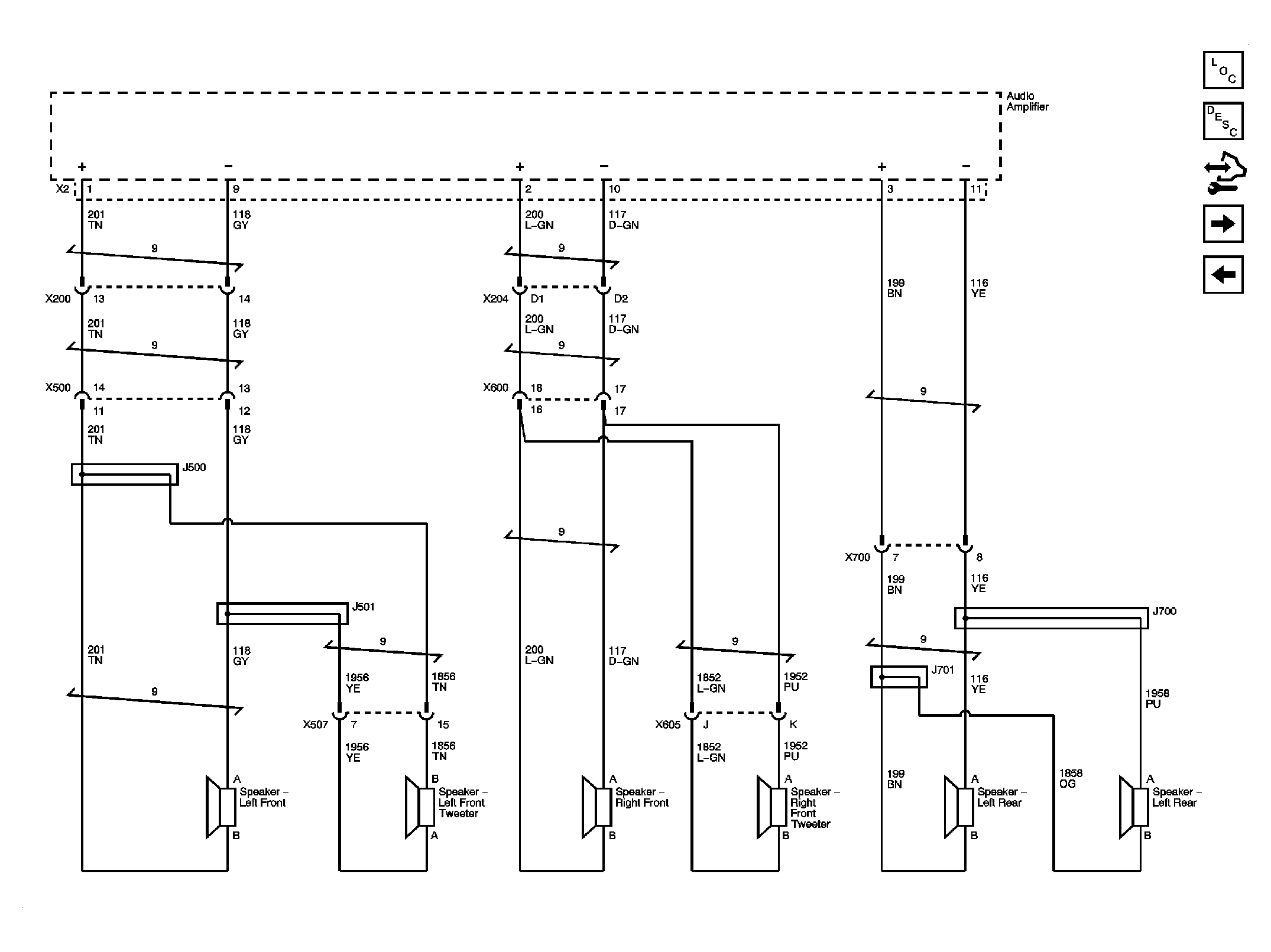
Fig 4: Speakers (U61) 1 of 2
GM2079553Courtesy of GENERAL MOTORS CORP.
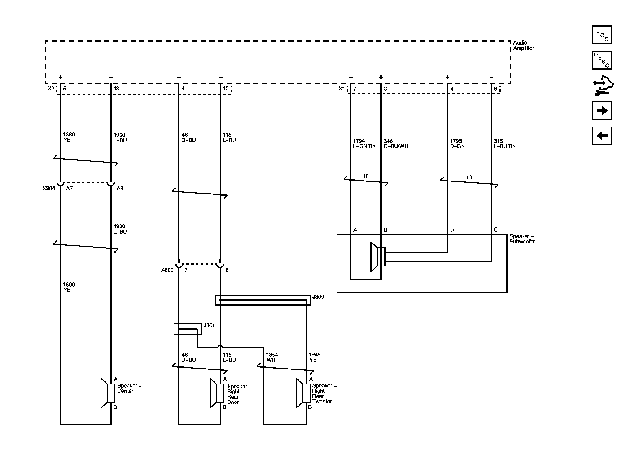
Fig 5: Speakers (U61) 2 of 2
GM2079557Courtesy of GENERAL MOTORS CORP.
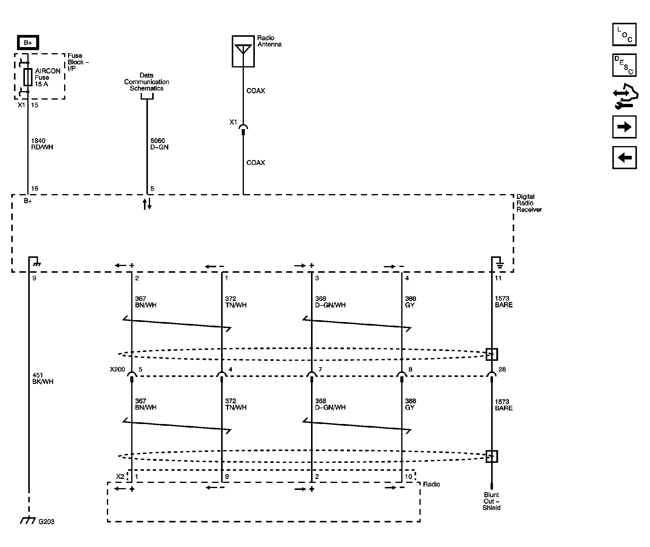
Fig 6: Digital Radio
GM2079564Courtesy of GENERAL MOTORS CORP.
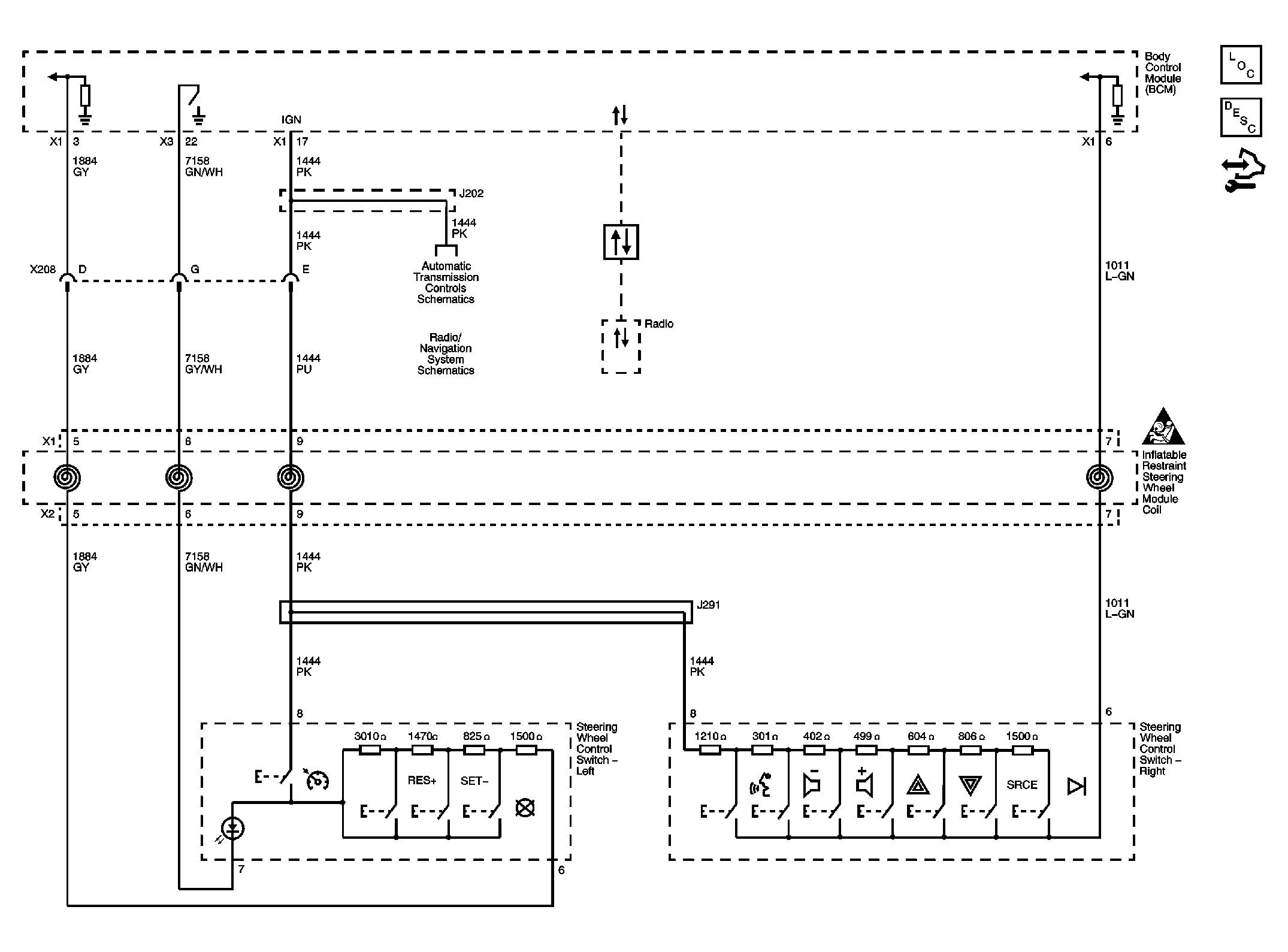
Fig 7: Steering Wheel Controls
GM2079569Courtesy of GENERAL MOTORS CORP.