LEMON Manuals: Even more car manuals for everyone
Home >> Cadillac >> 2012 >> Escalade EXT >> Repair and Diagnosis >> External Pages >> Different car >> Section 1302 (Data Communication System) >> Schematic and Routing Diagrams >> Data Communication Schematics

Data Communication Schematics

WARNING: This page is about a different car, the 2009 GMC Sierra, 2009 GMC Cab & Chassis Sierra, 2009 Chevrolet Silverado, and 2009 Chevrolet Cab & Chassis Silverado. However, it is still accessible from the selected car via links, so may be relevant.
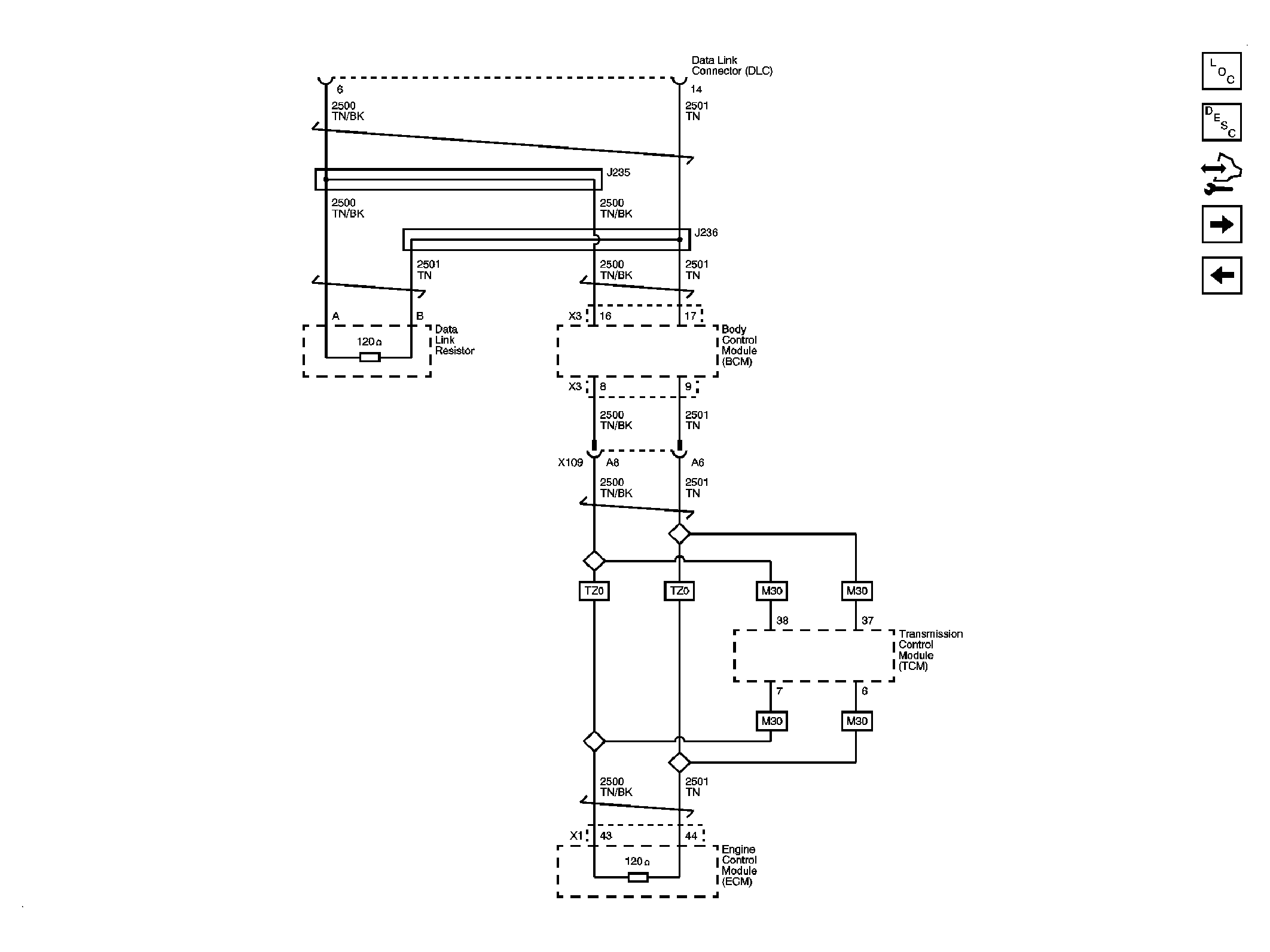
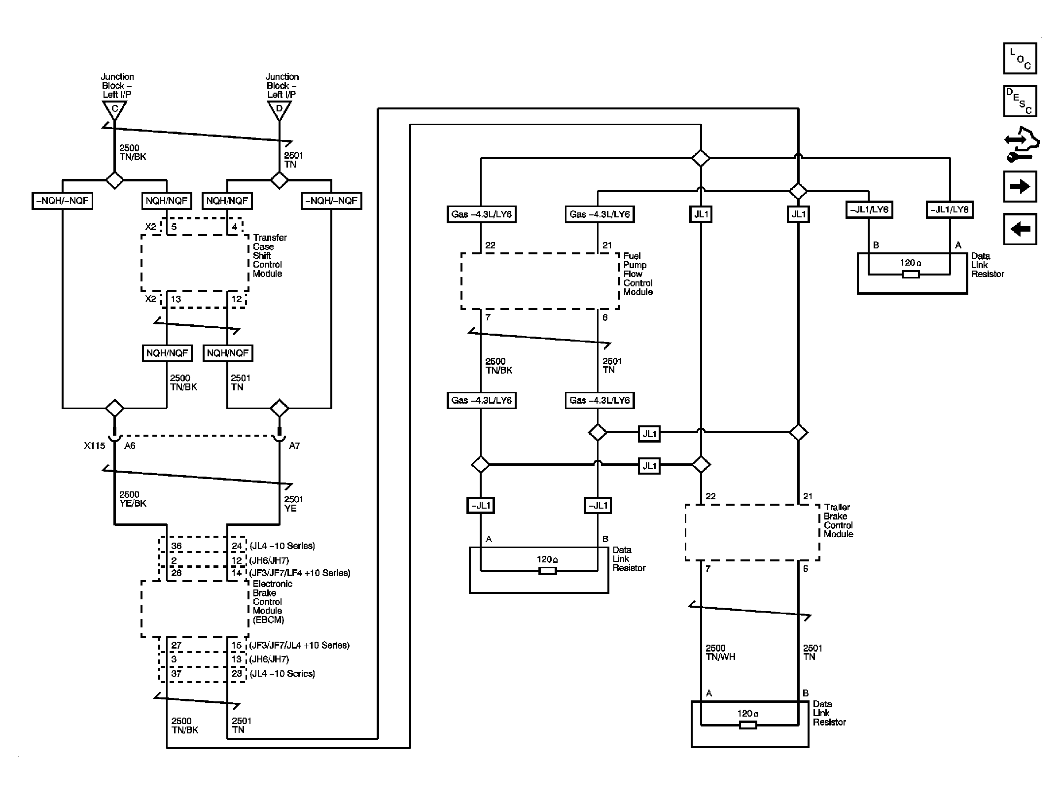
Fig 1: Low Speed Bus Circuit Schematic - 1 of 3
GM2064935Courtesy of GENERAL MOTORS CORP.
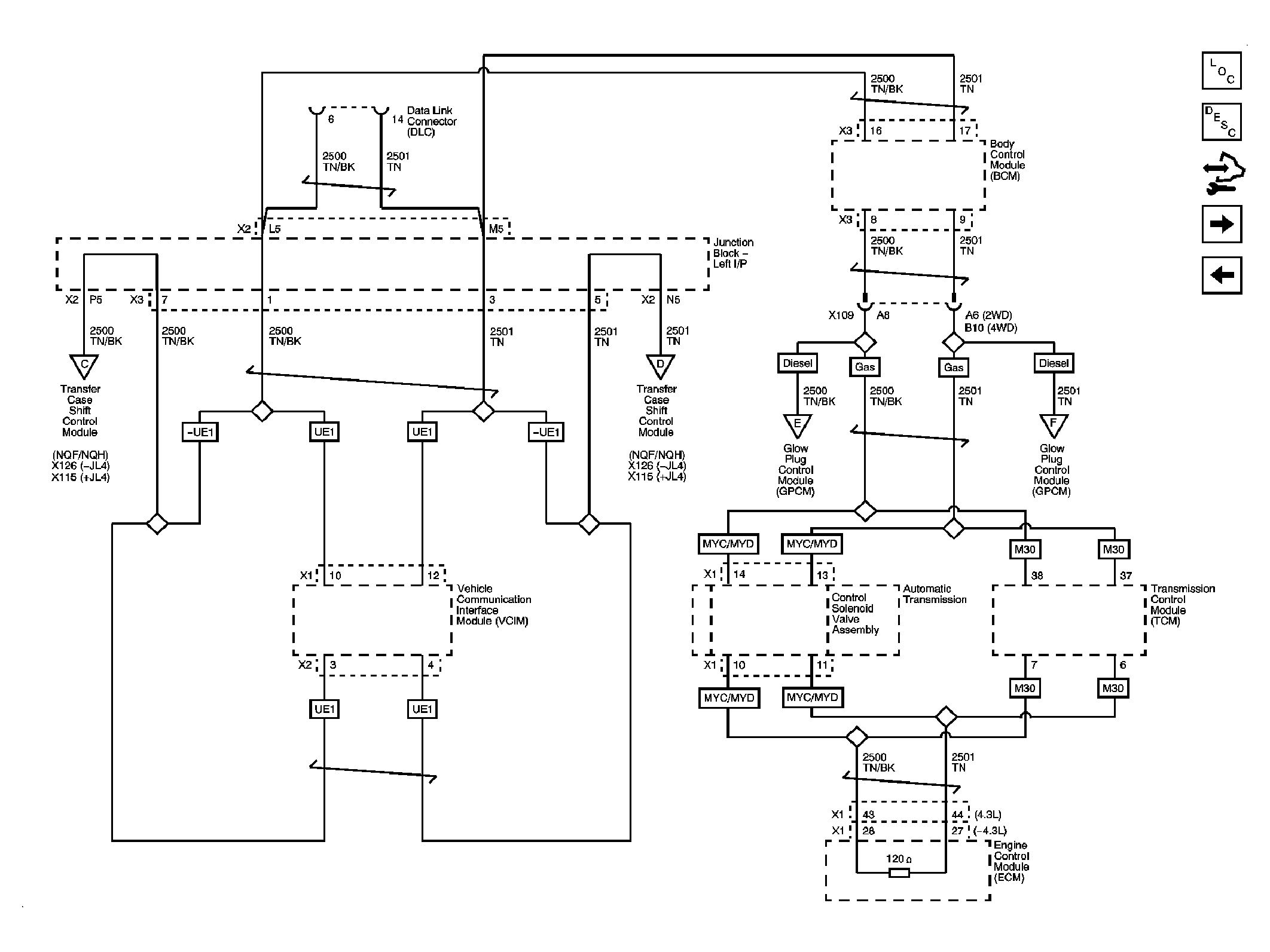
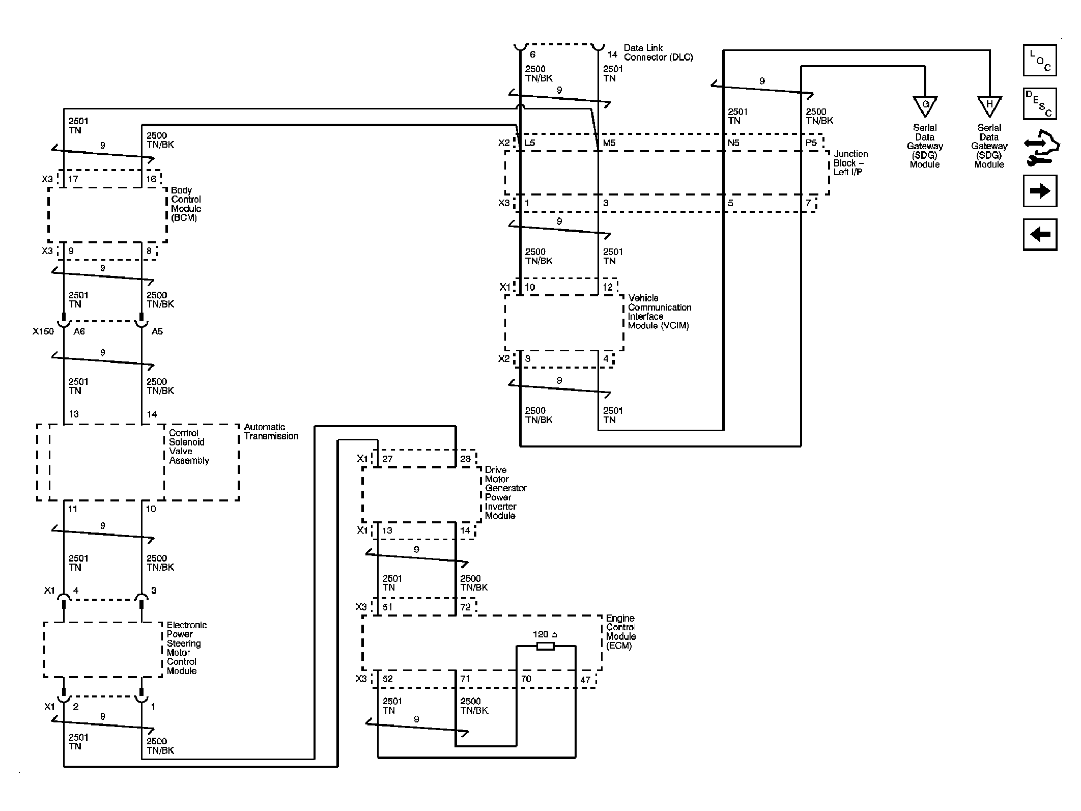
Fig 2: Low Speed Bus Circuit Schematic - 2 of 3
GM2064937Courtesy of GENERAL MOTORS CORP.
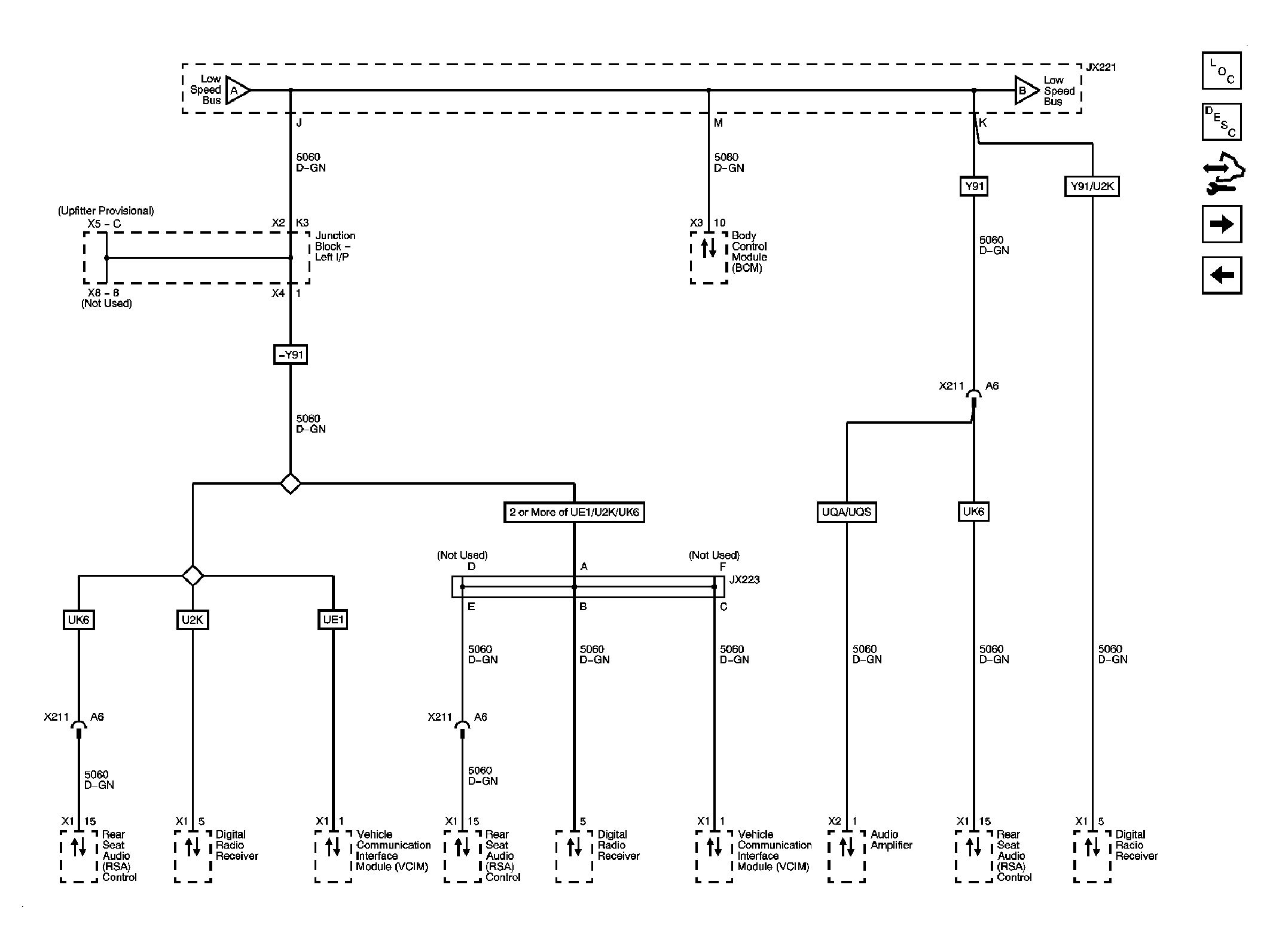
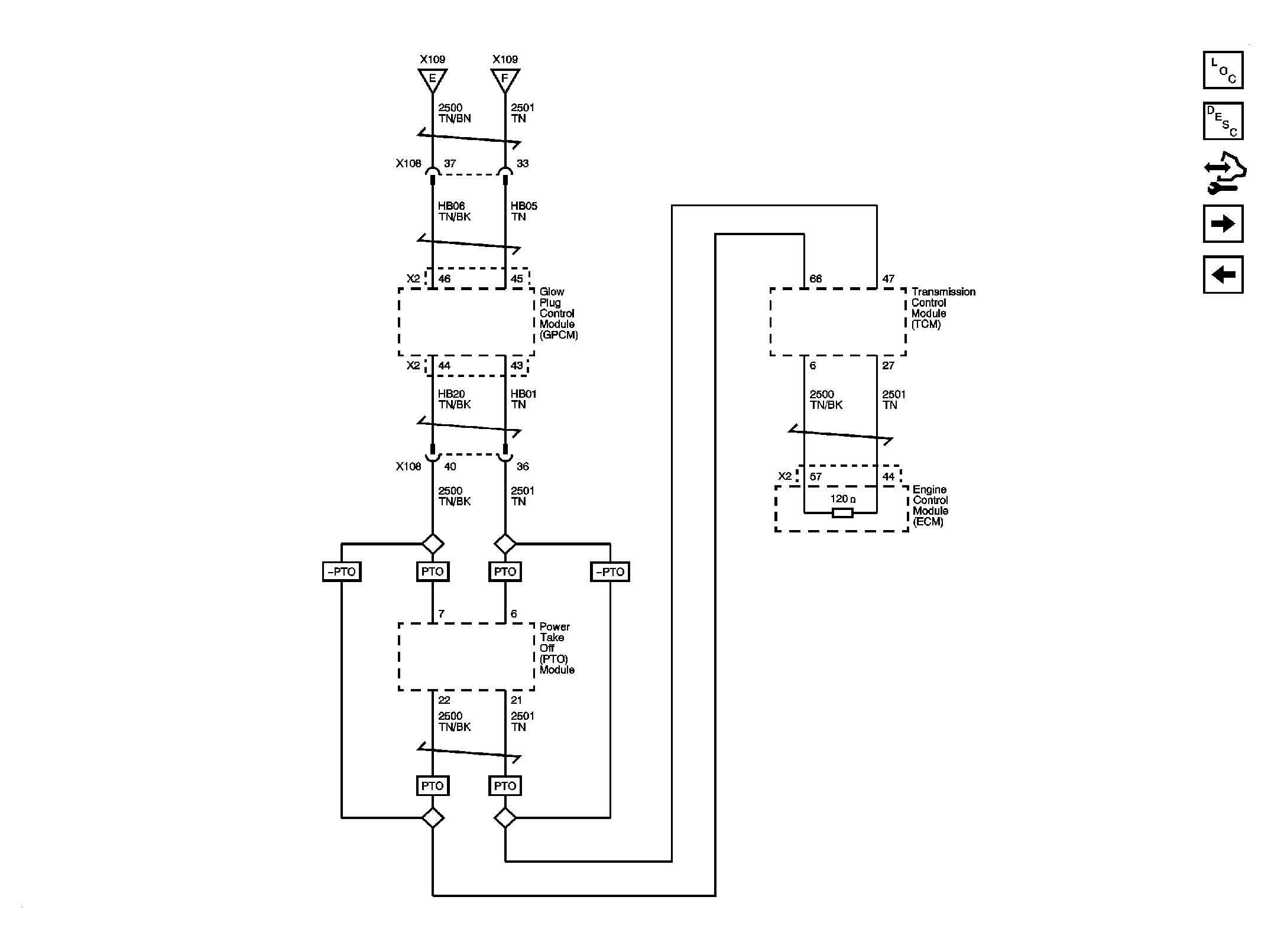
Fig 3: Low Speed Bus Circuit Schematic - 3 of 3
GM2064939Courtesy of GENERAL MOTORS CORP.
Fig 4: High Speed Bus Circuit Schematic - 1 of 6 (except MEX/HP2)
GM2064942Courtesy of GENERAL MOTORS CORP.
Fig 5: High Speed Bus Circuit Schematic - 2 of 6 (except MEX/HP2)
GM2064945Courtesy of GENERAL MOTORS CORP.
Fig 6: High Speed Bus Circuit Schematic - 3 of 6 (Diesel)
GM2064947Courtesy of GENERAL MOTORS CORP.
Fig 7: High Speed Bus Circuit Schematic - 4 of 6 (MEX)
GM2064950Courtesy of GENERAL MOTORS CORP.
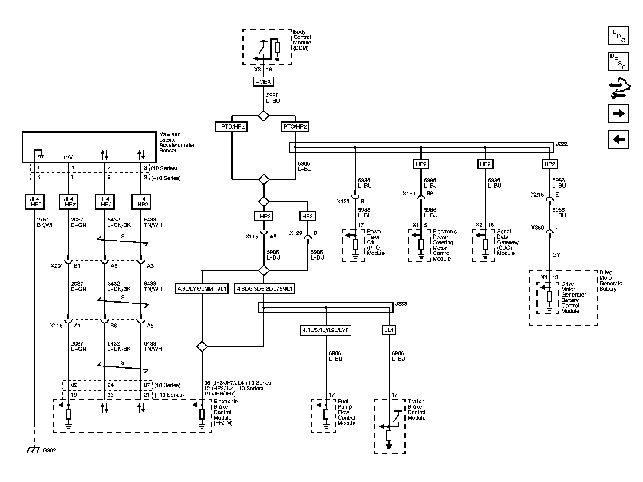
Fig 8: High Speed Bus Circuit Schematic - 5 of 6 (HP2)
GM2165233Courtesy of GENERAL MOTORS CORP.
Fig 9: High Speed Bus Circuit Schematic - 6 of 6 (HP2)
GM2165234Courtesy of GENERAL MOTORS CORP.
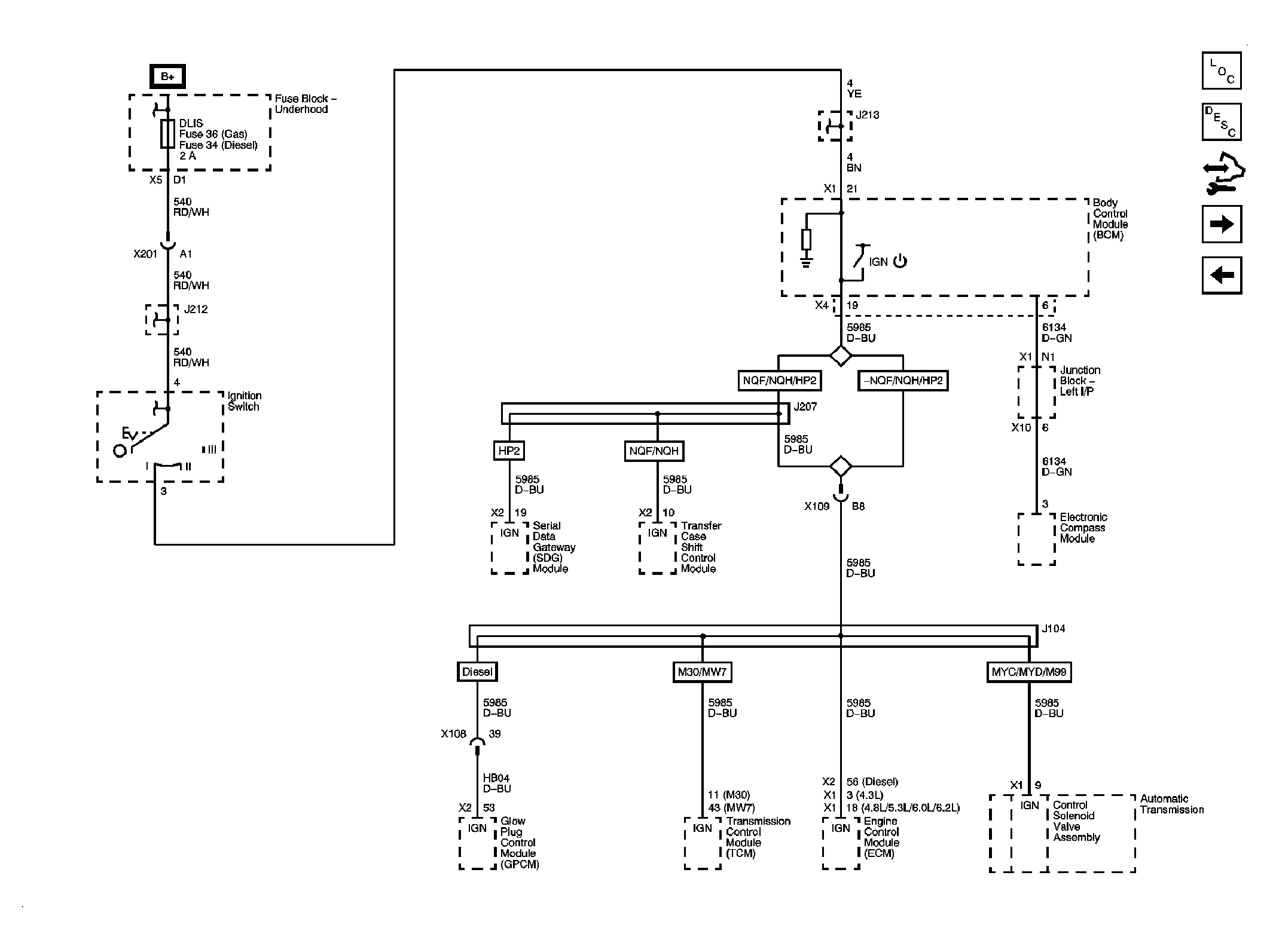
Fig 10: Serial Data Communication Enable Circuit Schematic
GM2064954Courtesy of GENERAL MOTORS CORP.
Fig 11: Accessory Wakeup Serial Data & Linear Interconnect Network Circuit Schematic (LIN)
GM2064958Courtesy of GENERAL MOTORS CORP.
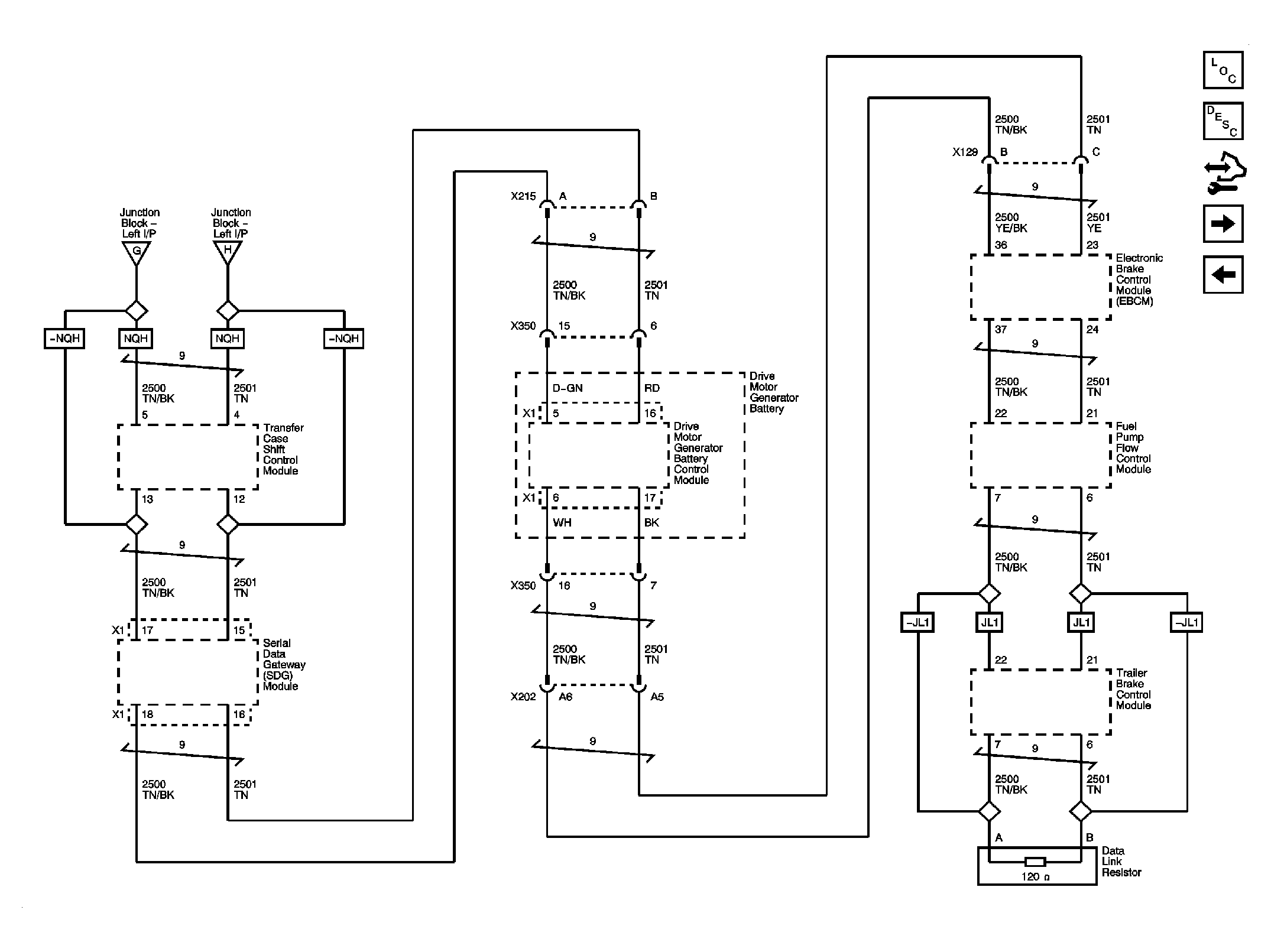
Fig 12: Powertrain Expansion Bus Circuit Schematic (HP2)
GM2165236Courtesy of GENERAL MOTORS CORP.
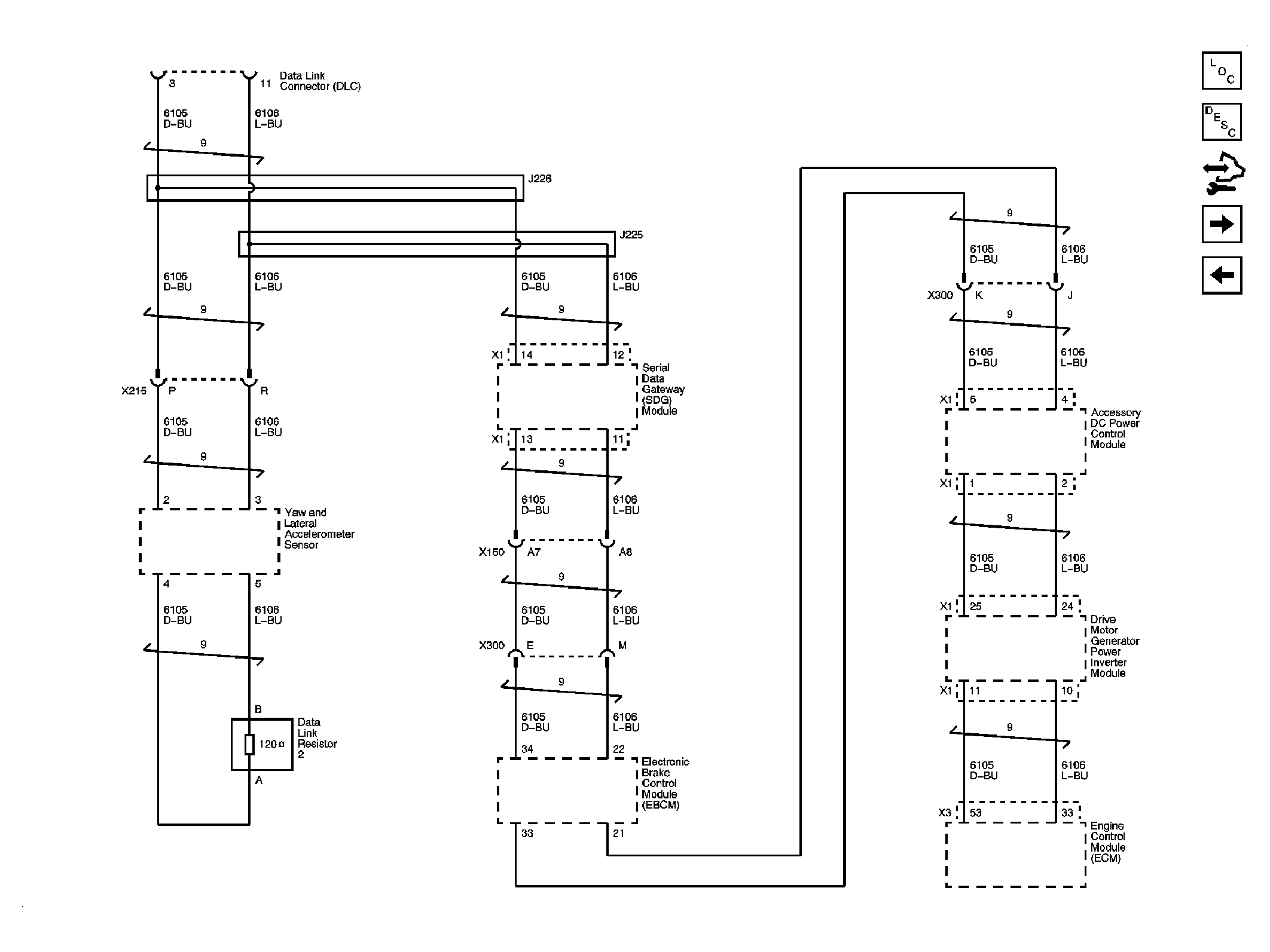
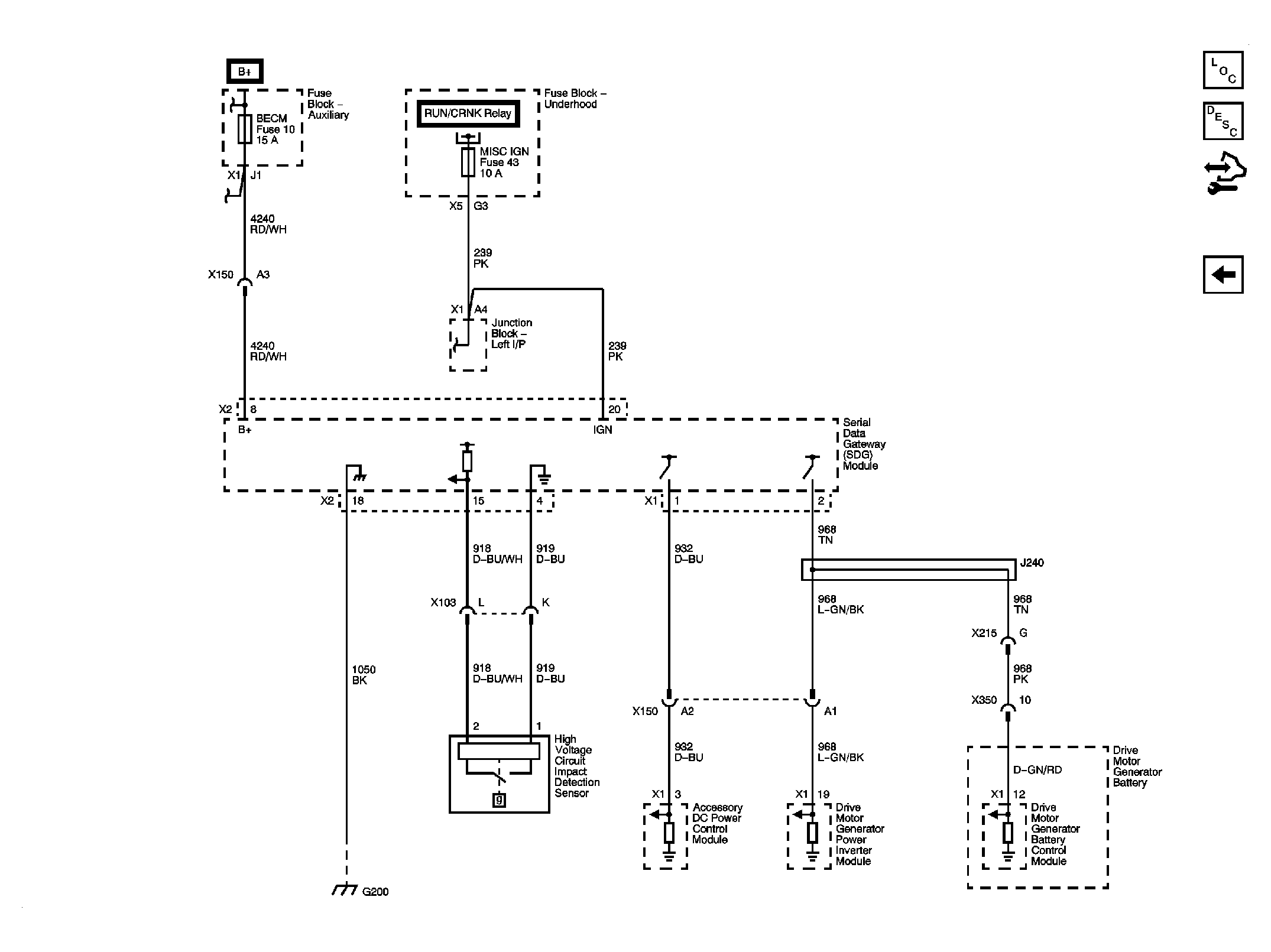
Fig 13: Serial Data Gateway (SDG) Module Circuit Schematic (HP2)
GM2165237Courtesy of GENERAL MOTORS CORP.