LEMON Manuals: Even more car manuals for everyone
Home >> Cadillac >> 2012 >> Escalade EXT >> Repair and Diagnosis >> External Pages >> Different car >> Section 1302 (Data Communication System) >> Repair Instructions >> Body Control Module Replacement

Body Control Module Replacement

WARNING: This page is about a different car, the 2009 GMC Sierra, 2009 GMC Cab & Chassis Sierra, 2009 Chevrolet Silverado, and 2009 Chevrolet Cab & Chassis Silverado. However, it is still accessible from the selected car via links, so may be relevant.
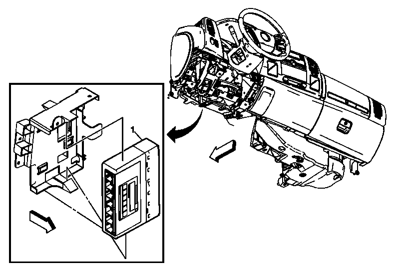
Fig 1: View Of Body Control Module
GM1809056Courtesy of GENERAL MOTORS CORP.
Callout Component Name
Preliminary Procedure: 
Remove the knee bolster. Refer to Knee Bolster Replacement (With RPO SLT) or Knee Bolster Replacement (Without RPO SLT)
1 Body Control Module
Tip: 
  1. Remove the BCM cover.
  2. Disconnect the electrical connectors.
  3. Press on the tabs to release the body control module.
  4. If a replacement module is installed, program the module. Refer to Control Module References .