LEMON Manuals: Even more car manuals for everyone
Home >> Cadillac >> 2012 >> Escalade EXT >> Repair and Diagnosis >> External Pages >> Different car >> Section 1219 (Data Communication System) >> Schematic and Routing Diagrams >> Data Communication Schematics

Data Communication Schematics

WARNING: This page does not describe the selected car, but rather 8 other vehicles, including the 2008 GMC Yukon XL, 2008 GMC Yukon, 2008 Chevrolet Tahoe, 2008 Chevrolet Suburban, and 2008 Chevrolet Avalanche. However, it is still accessible from the selected car via links, so may be relevant.
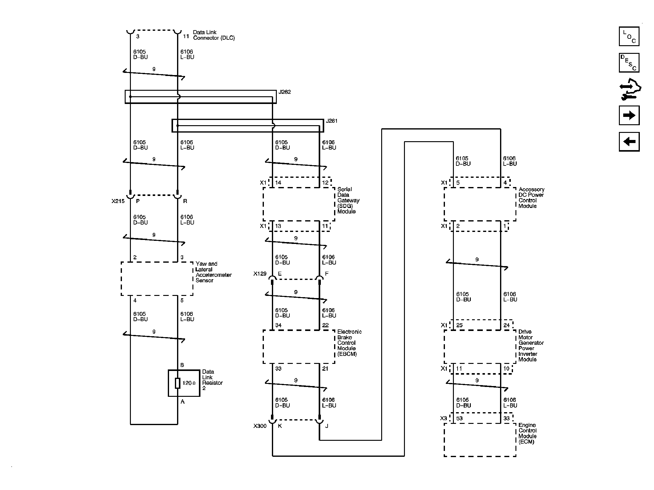
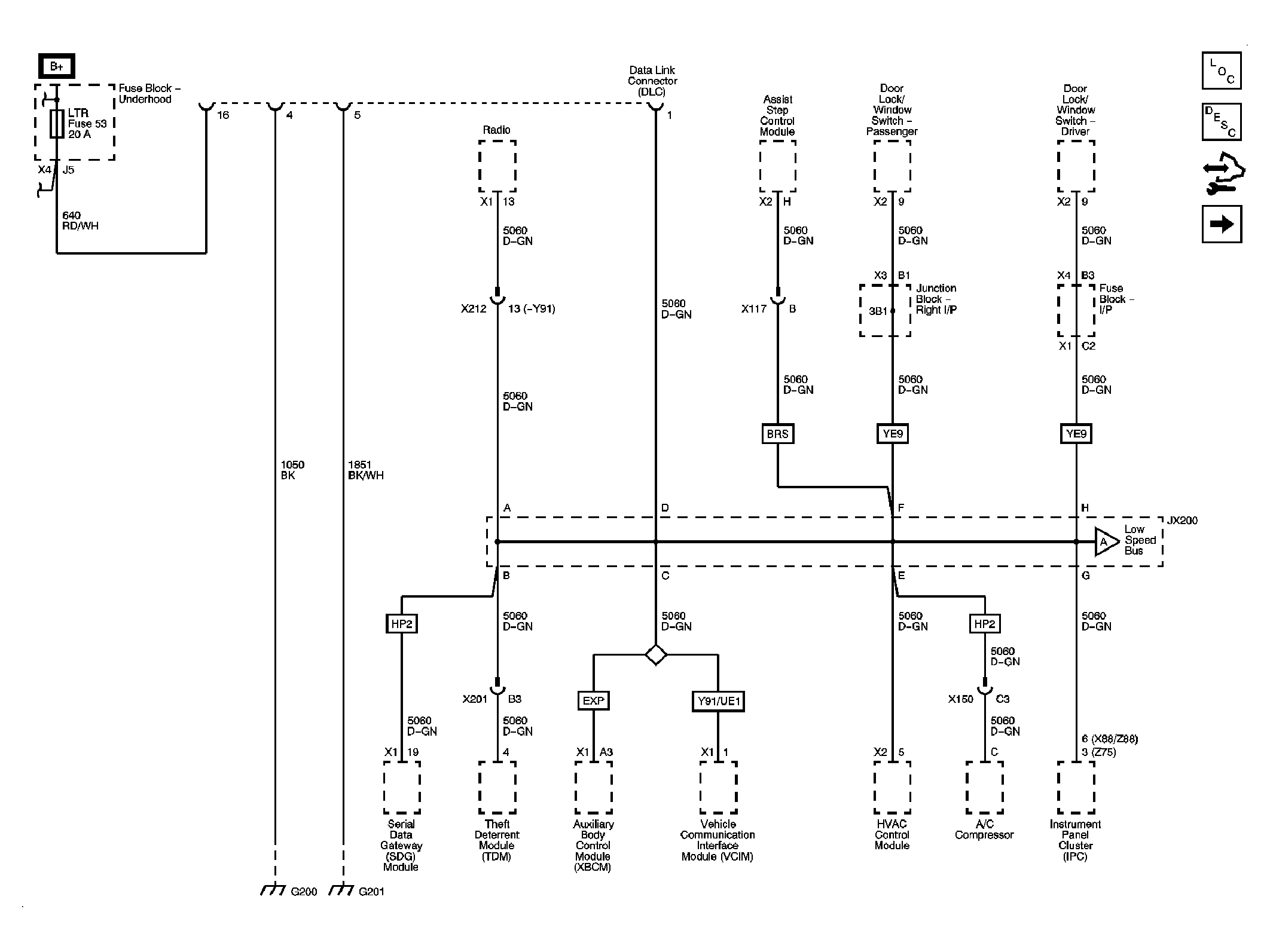
Fig 1: Low Speed Bus - JX200 - 1 of 3
GM1906797Courtesy of GENERAL MOTORS CORP.
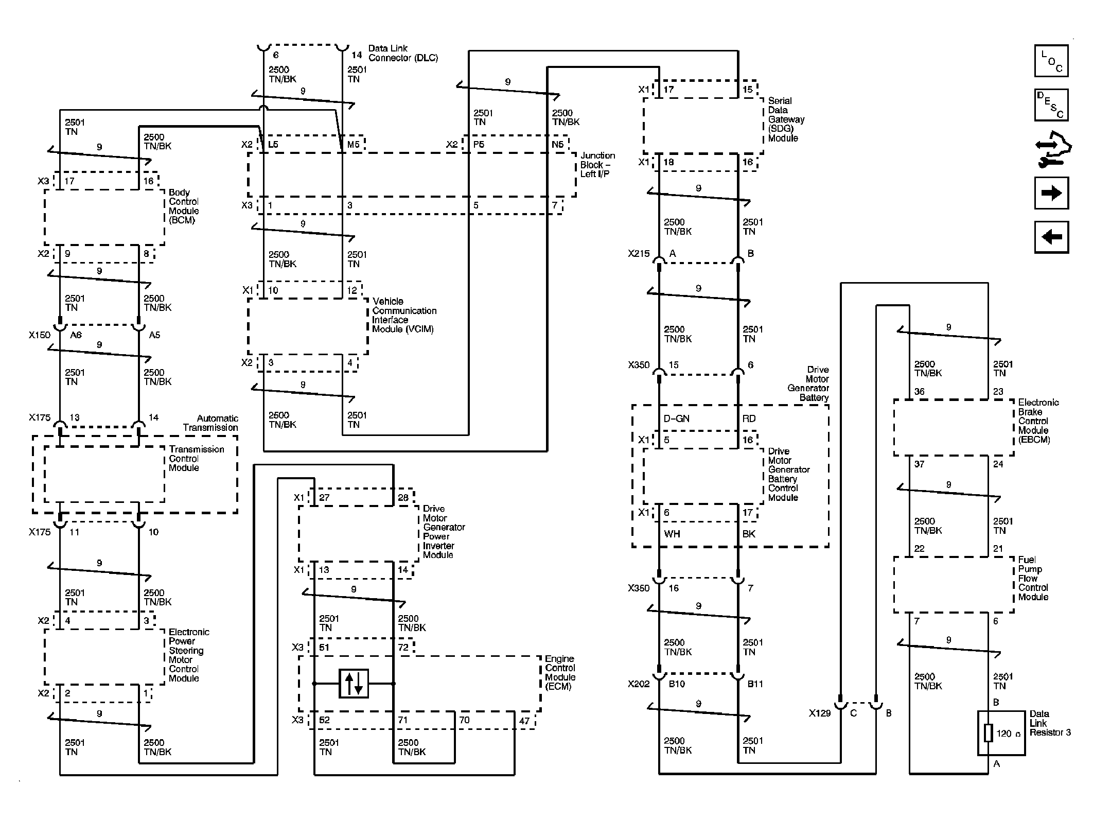
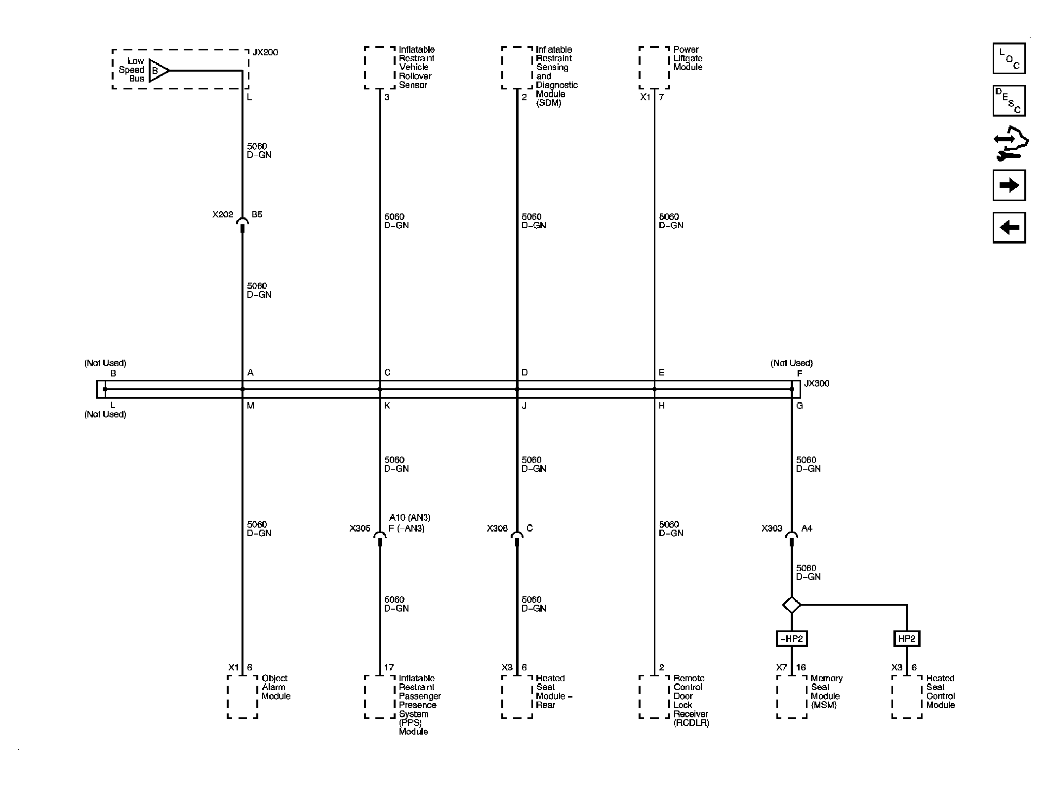
Fig 2: Low Speed Bus - JX200 - 2 of 3
GM1906799Courtesy of GENERAL MOTORS CORP.
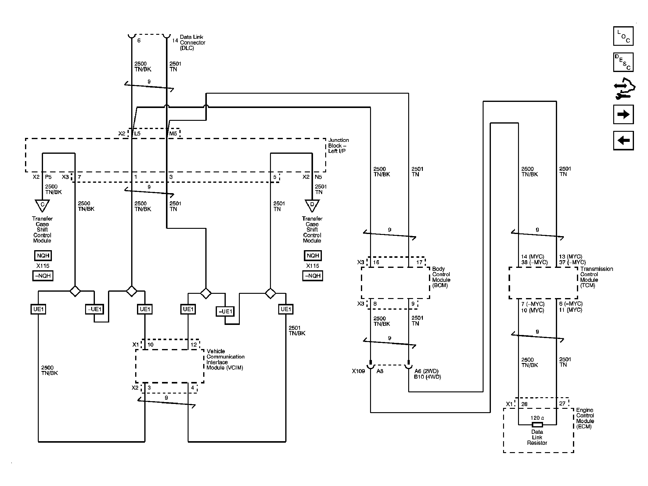
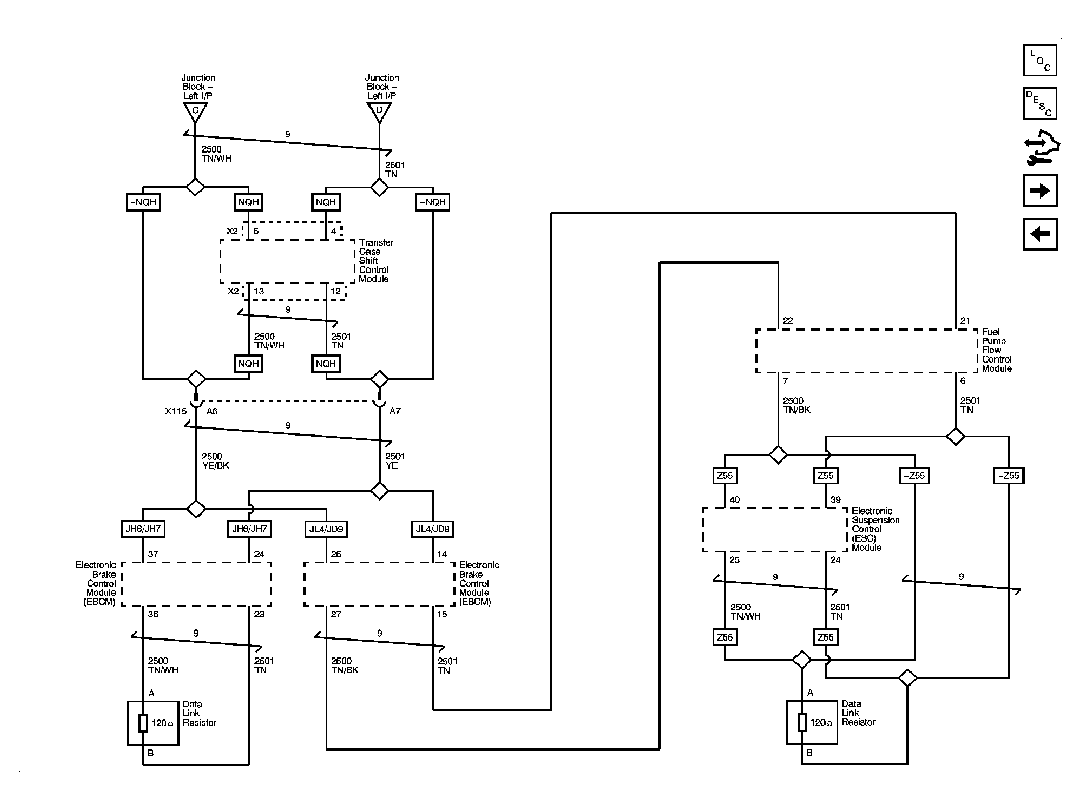
Fig 3: Low Speed Bus - JX200 - 3 of 3 and JX300
GM1906801Courtesy of GENERAL MOTORS CORP.
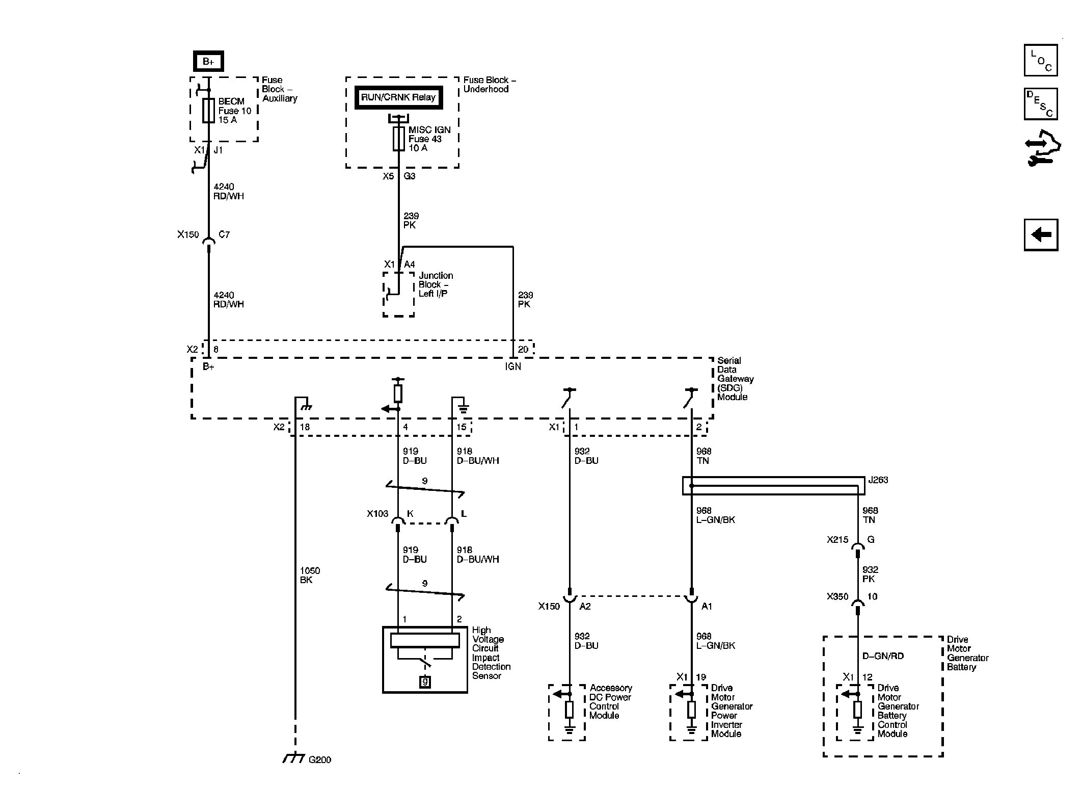
Fig 4: High Speed Bus - 1 of 2
GM1906806Courtesy of GENERAL MOTORS CORP.
Fig 5: High Speed Bus - 2 of 2
GM1906812Courtesy of GENERAL MOTORS CORP.
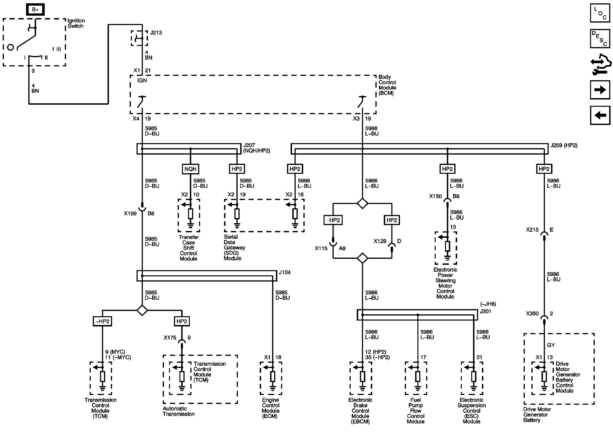
Fig 6: Serial Data Communication Enable and Wake-up Circuits
GM2006034Courtesy of GENERAL MOTORS CORP.
Fig 7: High Speed Bus (HP2)
GM2005978Courtesy of GENERAL MOTORS CORP.
Fig 8: Powertrain Expansion Bus (HP2)
GM2005980Courtesy of GENERAL MOTORS CORP.
Fig 9: Serial Data Gateway (SDG) Module (HP2)
GM2005981Courtesy of GENERAL MOTORS CORP.