LEMON Manuals: Even more car manuals for everyone
Home >> Cadillac >> 2012 >> Escalade EXT >> Repair and Diagnosis >> External Pages >> Different car >> Section 1128 (Keyless Entry System & Remote Functions) >> Schematic and Routing Diagrams >> Remote Function Schematics

Remote Function Schematics

WARNING: This page is about a different car, the 2008 Cadillac CTS. However, it is still accessible from the selected car via links, so may be relevant.
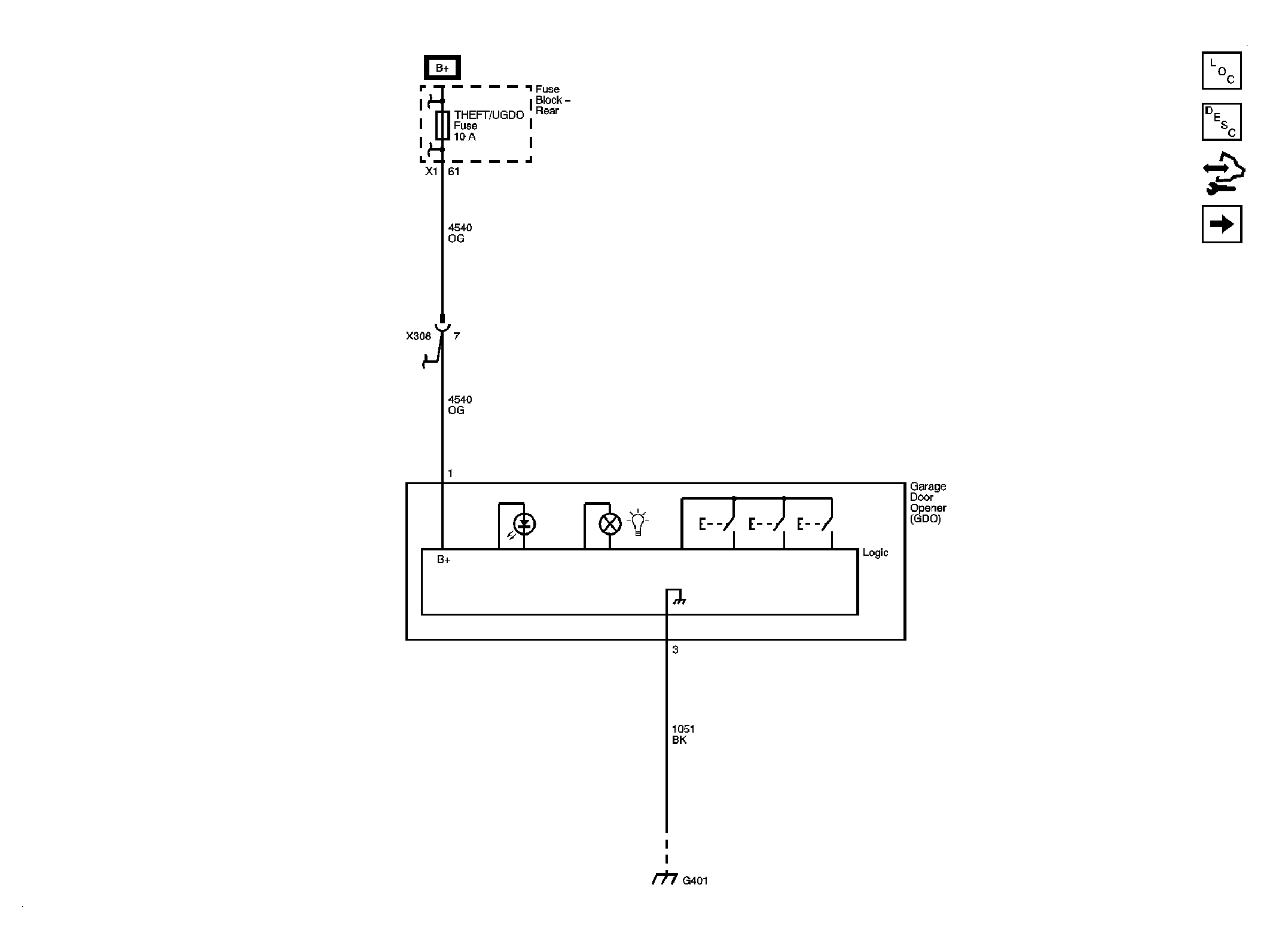
Fig 1: Garage Door Opener - UG1 Schematic
GM1923734Courtesy of GENERAL MOTORS CORP.
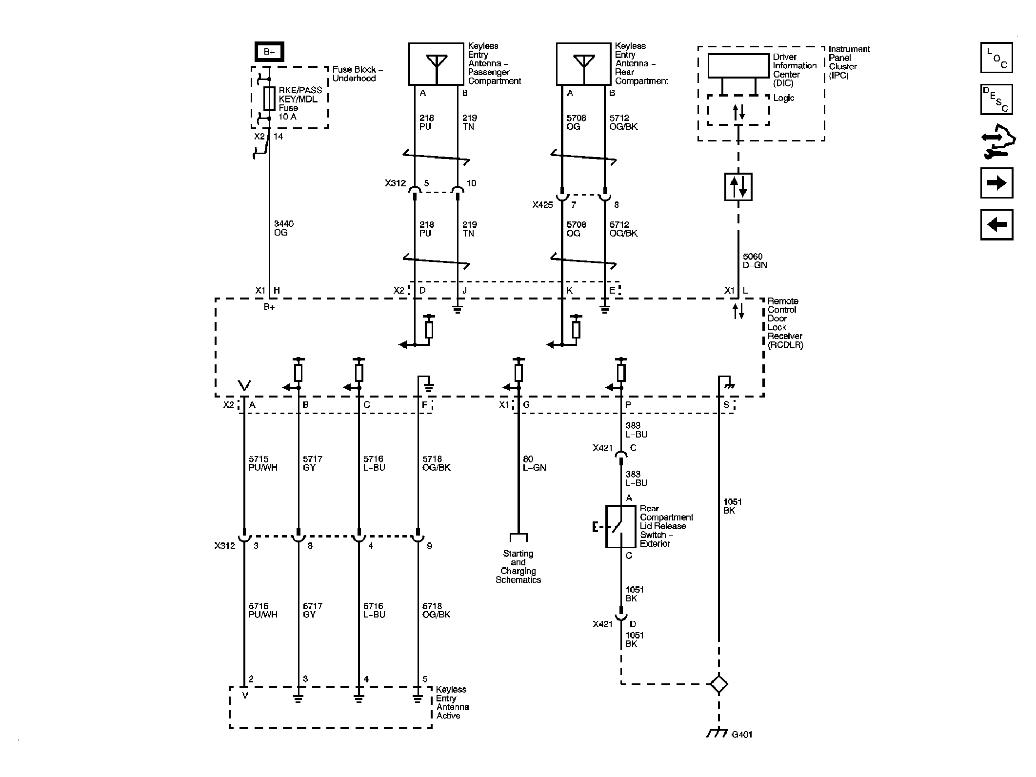
Fig 2: Power, Grounds, Antennas, Indicator and Release Switch Schematic
GM1923735Courtesy of GENERAL MOTORS CORP.
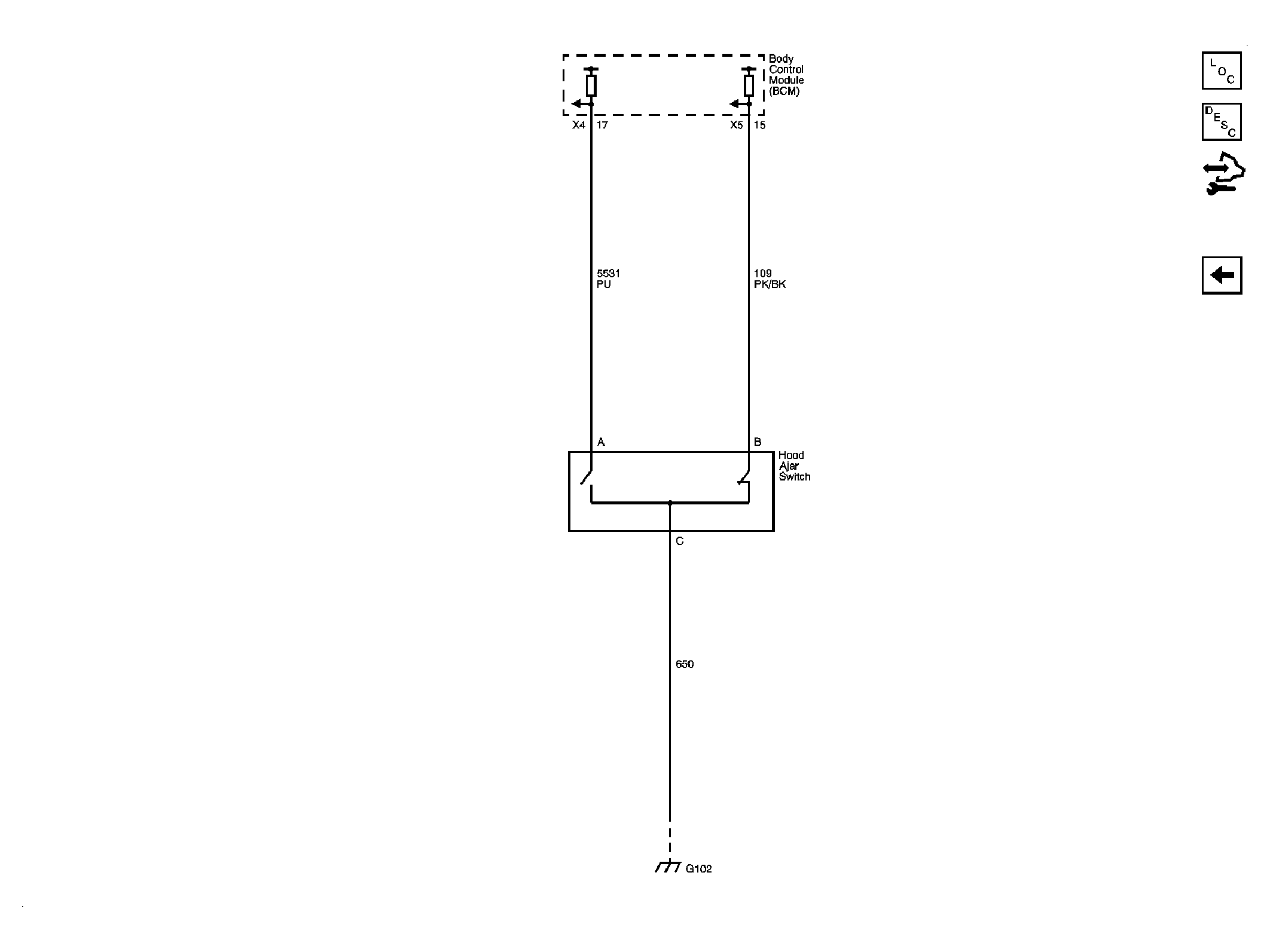
Fig 3: Hood Ajar Switch Schematic
GM1923736Courtesy of GENERAL MOTORS CORP.