LEMON Manuals: Even more car manuals for everyone
Home >> Cadillac >> 2012 >> Escalade EXT >> Repair and Diagnosis >> Engine Performance >> System >> Data Communications System >> Schematic Wiring Diagrams >> Data Communication Wiring Schematics >> Serial Data Gateway Module (HP2) Wiring Schematics

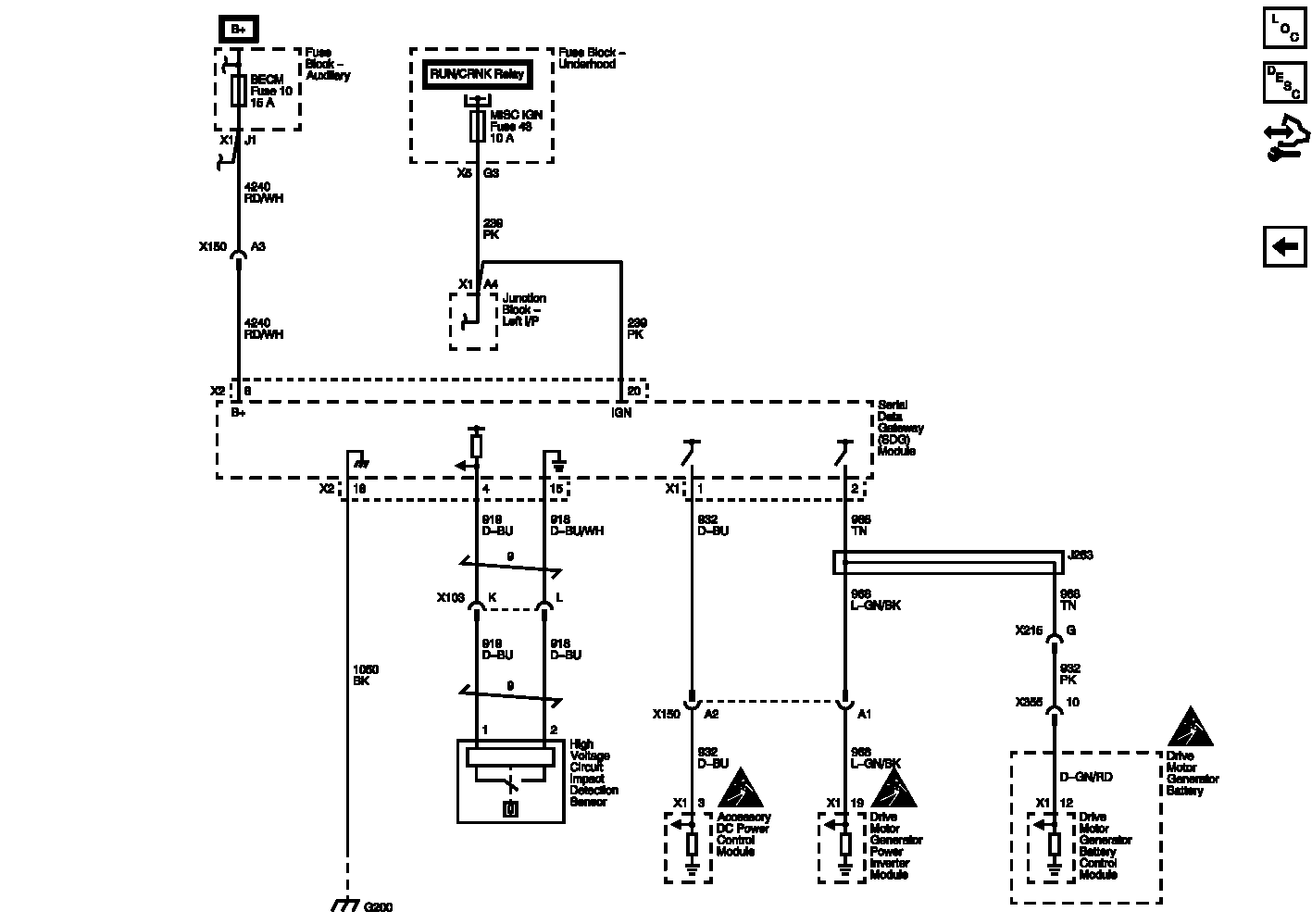
Serial Data Gateway Module (HP2) Wiring Schematics

Fig 1: Serial Data Gateway Module (HP2) Wiring Schematics
GM2635384Courtesy of GENERAL MOTORS COMPANY