LEMON Manuals: Even more car manuals for everyone
Home >> Cadillac >> 2012 >> Escalade EXT >> Repair and Diagnosis (Single Page) >> Accessories & Equipment >> Anti-Theft Systems >> Power Door Lock System And Release Systems >> Schematic Wiring Diagrams >> Liftgate Wiring Schematics >> Module Power, Ground, Serial Data, and Front Switch (E61) Wiring Schematics

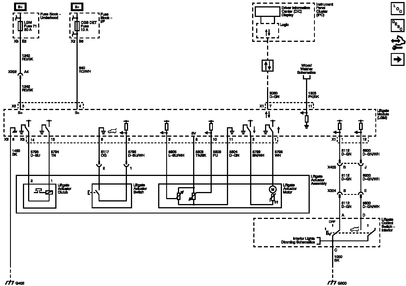
Module Power, Ground, Serial Data, and Front Switch (E61) Wiring Schematics

Fig 1: Module Power, Ground, Serial Data, and Front Switch (E61) Wiring Schematics
GM2643736Courtesy of GENERAL MOTORS COMPANY