LEMON Manuals: Even more car manuals for everyone
Home >> Cadillac >> 2012 >> Escalade EXT >> Repair and Diagnosis (Single Page) >> Accessories & Equipment >> Anti-Theft Systems >> Power Door Lock System And Release Systems >> Schematic Wiring Diagrams >> Door Control Module Wiring Schematics >> Power, Ground, and Serial Data Wiring Schematics

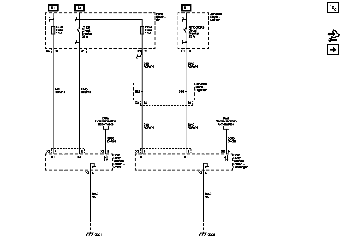
Power, Ground, and Serial Data Wiring Schematics

Fig 1: Power, Ground, and Serial Data Wiring Schematics
GM2640825Courtesy of GENERAL MOTORS COMPANY