LEMON Manuals: Even more car manuals for everyone
Home >> Cadillac >> 2011 >> SRX 2.8 6 >> Repair and Diagnosis >> Accessories & Equipment >> Drivers Assistance Systems - ADAS >> Object Detection System - Park Assist System >> Wiring Schematics >> Object Detection Wiring Schematics

Object Detection Wiring Schematics

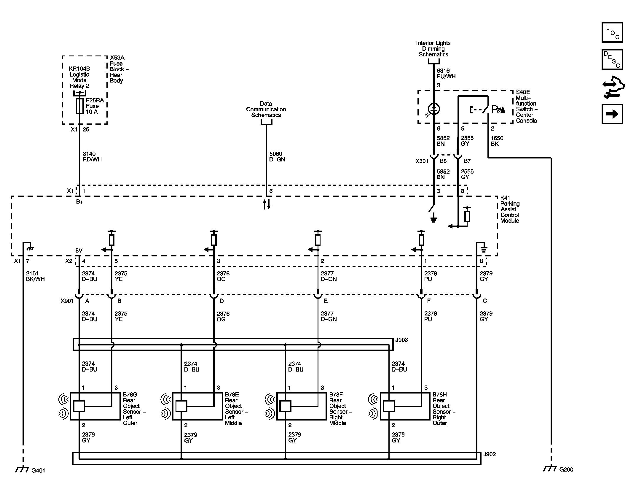
Fig 1: Power, Ground, and Rear Sensors Wiring Schematic
GM2423792Courtesy of GENERAL MOTORS CORP.
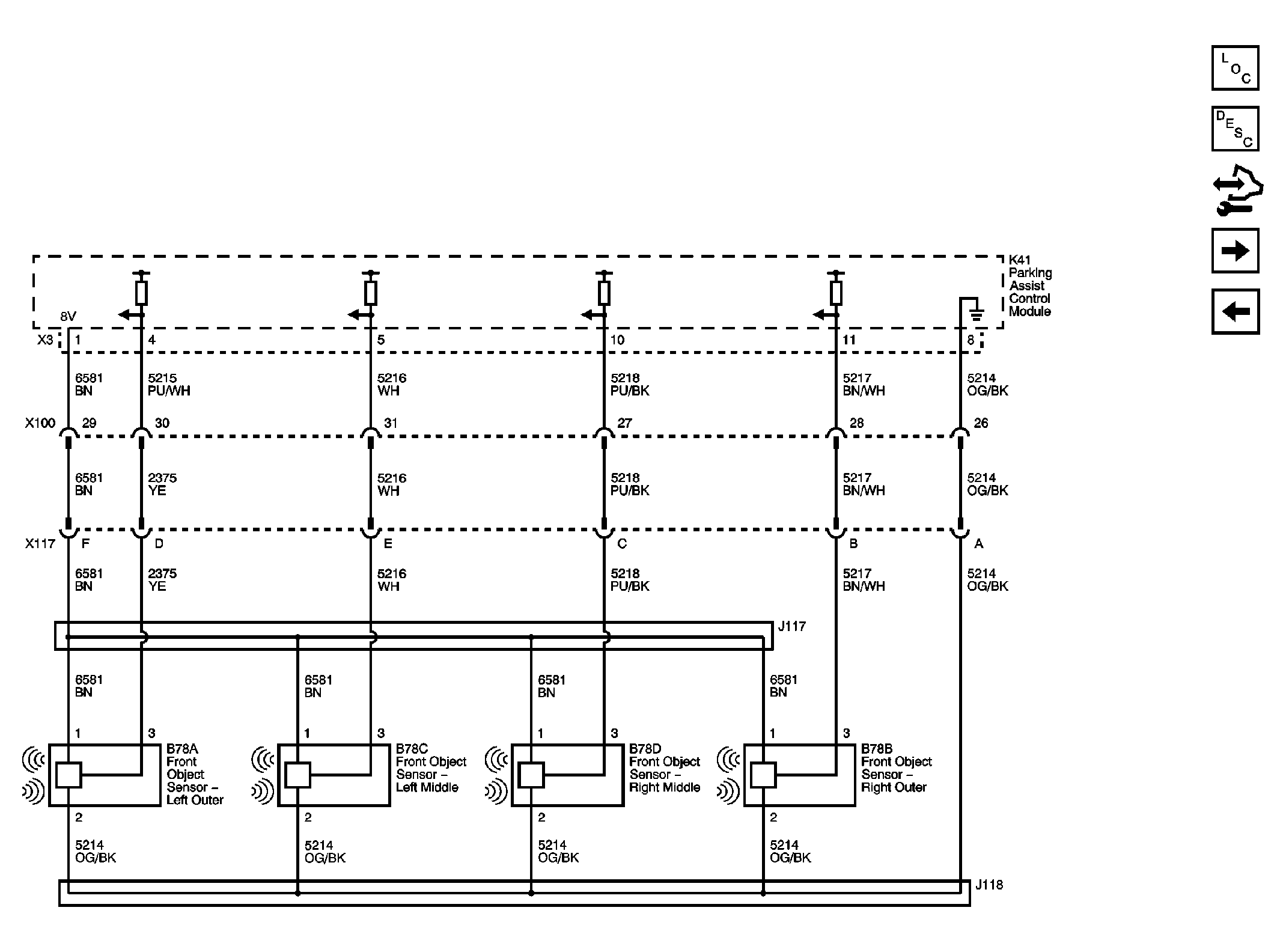
Fig 2: Front Sensors Wiring Schematic
GM2423797Courtesy of GENERAL MOTORS CORP.
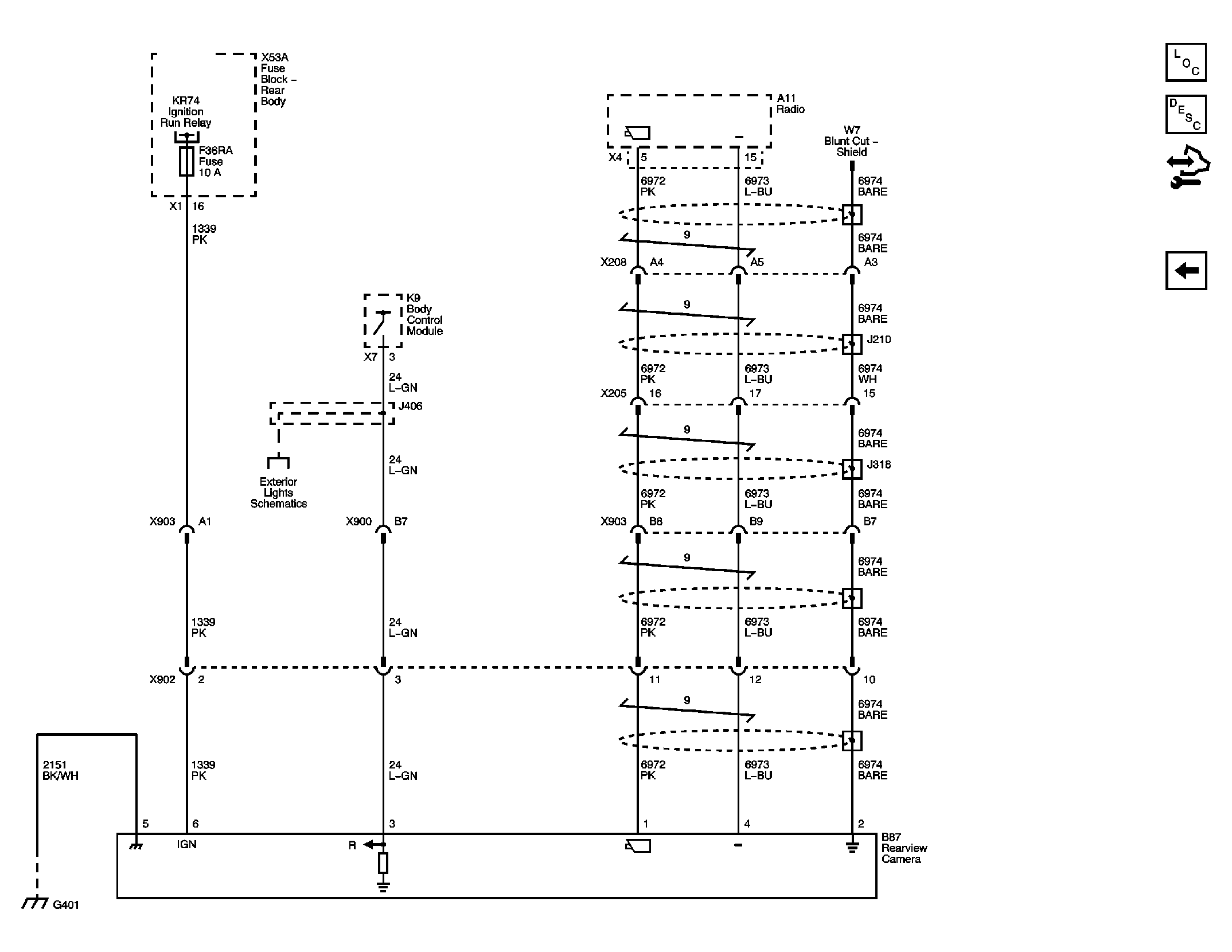
Fig 3: Rear Vision Camera Wiring Schematic
GM2423799Courtesy of GENERAL MOTORS CORP.