LEMON Manuals: Even more car manuals for everyone
Home >> Cadillac >> 2011 >> Escalade EXT >> Repair and Diagnosis >> Engine Performance >> System >> Data Communications System >> Wiring Schematics >> Data Communication Wiring Schematics >> Powertrain Expansion Bus (HP2)

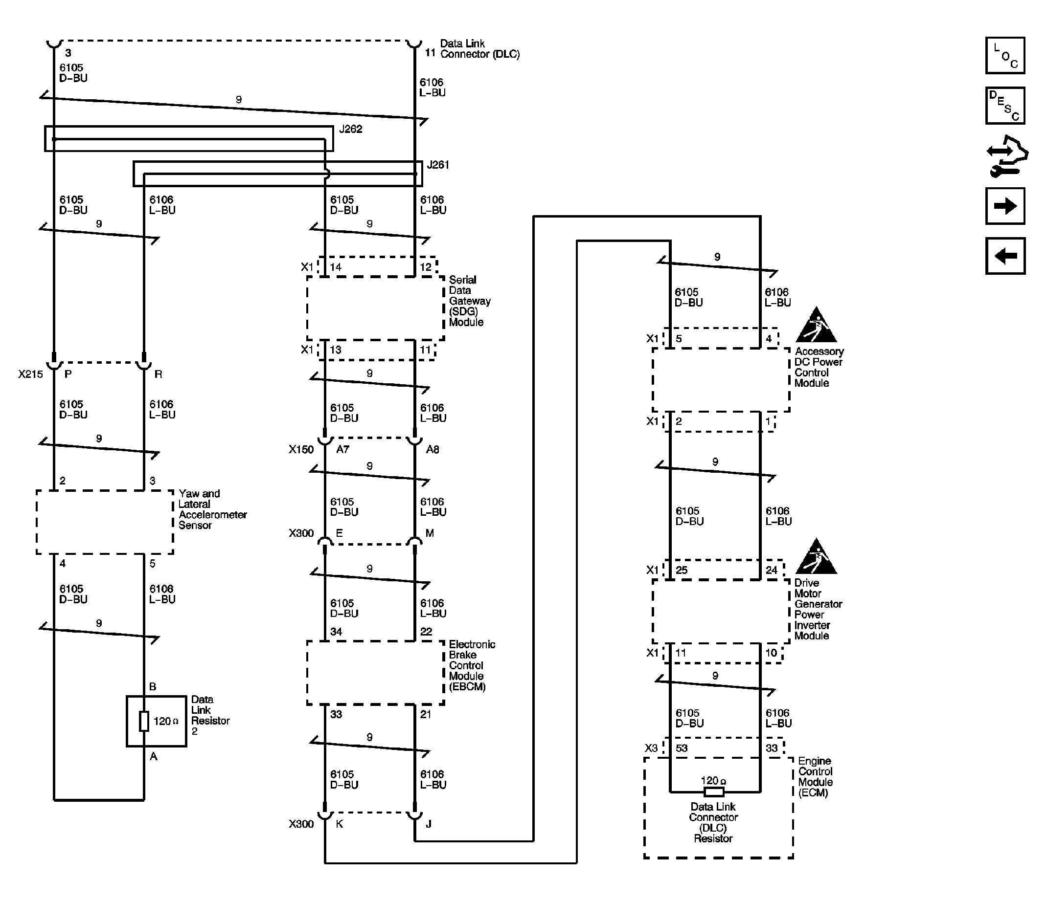
Powertrain Expansion Bus (HP2)

Fig 1: Powertrain Expansion Bus (HP2) Wiring Schematic
GM2398342Courtesy of GENERAL MOTORS CORP.