LEMON Manuals: Even more car manuals for everyone
Home >> Cadillac >> 2011 >> Escalade EXT >> Repair and Diagnosis (Single Page) >> Body & Frame >> Seats >> Power Seat System >> Wiring Schematics >> Driver Seat Wiring Schematics >> Module Power, Ground, Serial Data, and Memory Switch

Module Power, Ground, Serial Data, and Memory Switch

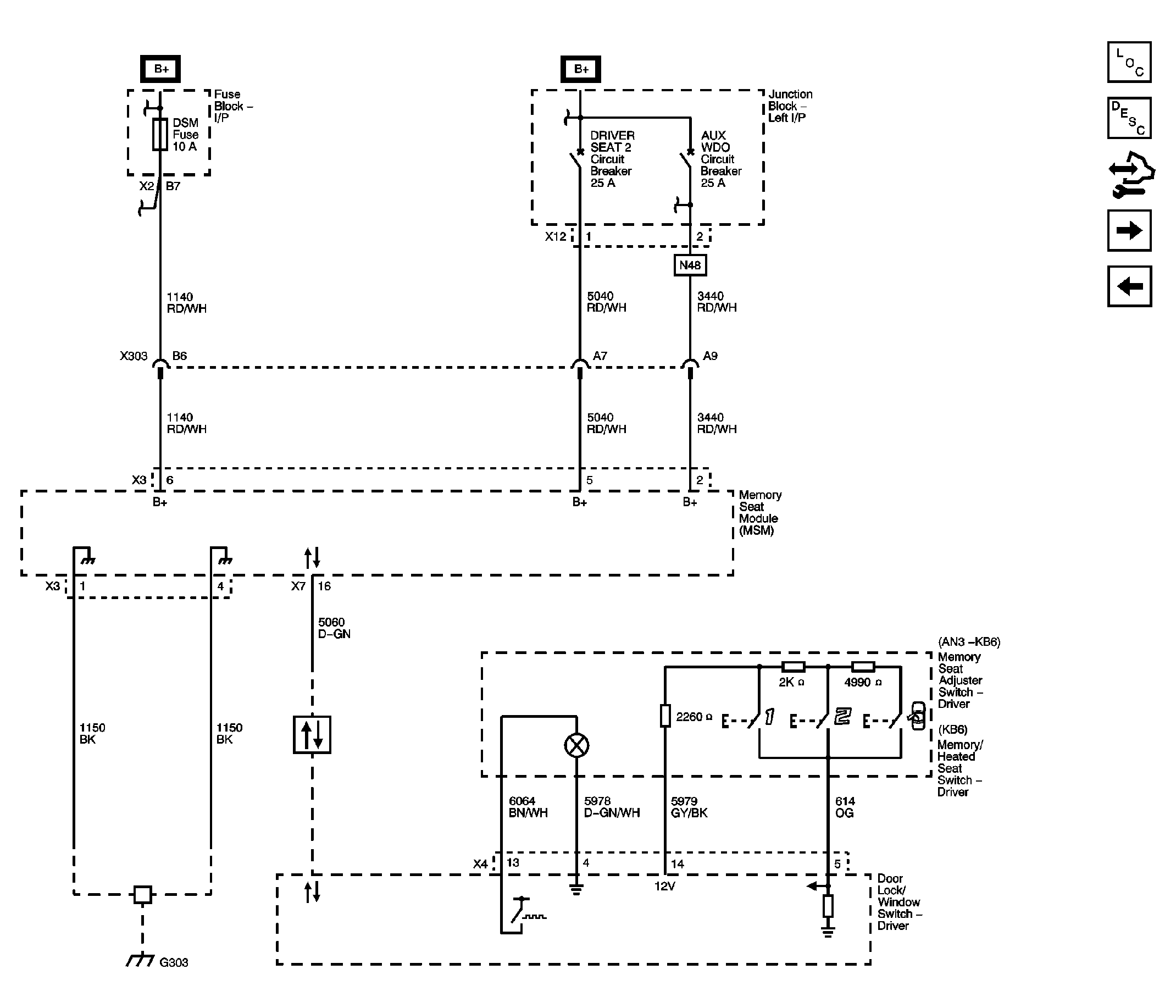
Fig 1: Module Power, Ground, Serial Data And Memory Switch Wiring Schematic
GM2399218Courtesy of GENERAL MOTORS CORP.