LEMON Manuals: Even more car manuals for everyone
Home >> Cadillac >> 2010 >> Escalade EXT >> Repair and Diagnosis >> Accessories & Equipment >> Infotainment >> Cellular Systems, Entertainment Systems & Navigation Systems >> Schematic and Routing Diagrams >> Radio/Navigation System Schematics

Radio/Navigation System Schematics

Fig 1: Radio Power, Ground, Serial Data, and Antenna Signals
GM2241590Courtesy of GENERAL MOTORS CORP.
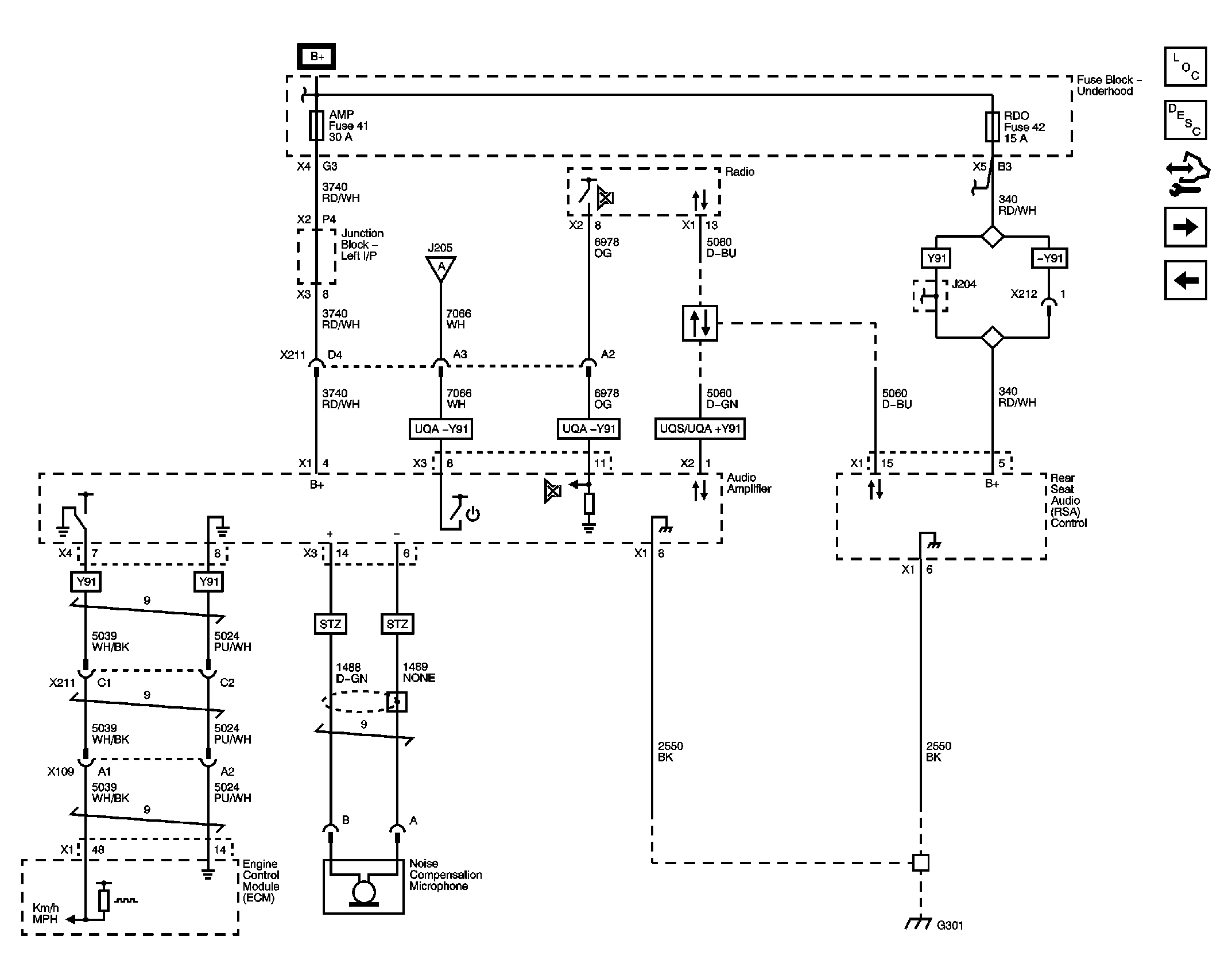
Fig 2: Amplifier (UQA/UQS) and Rear Seat Audio (UK6) Power, Ground, and Serial Data
GM2241592Courtesy of GENERAL MOTORS CORP.
Fig 3: Amplifier Inputs (UQA or UQS)
GM2241593Courtesy of GENERAL MOTORS CORP.
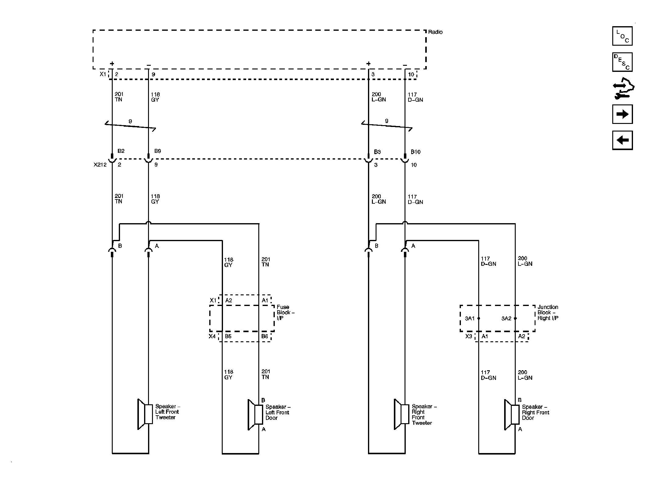
Fig 4: Front Speakers (UQ3)
GM2241595Courtesy of GENERAL MOTORS CORP.
Fig 5: Rear Speakers (UQ3 without UK6)
GM2241596Courtesy of GENERAL MOTORS CORP.
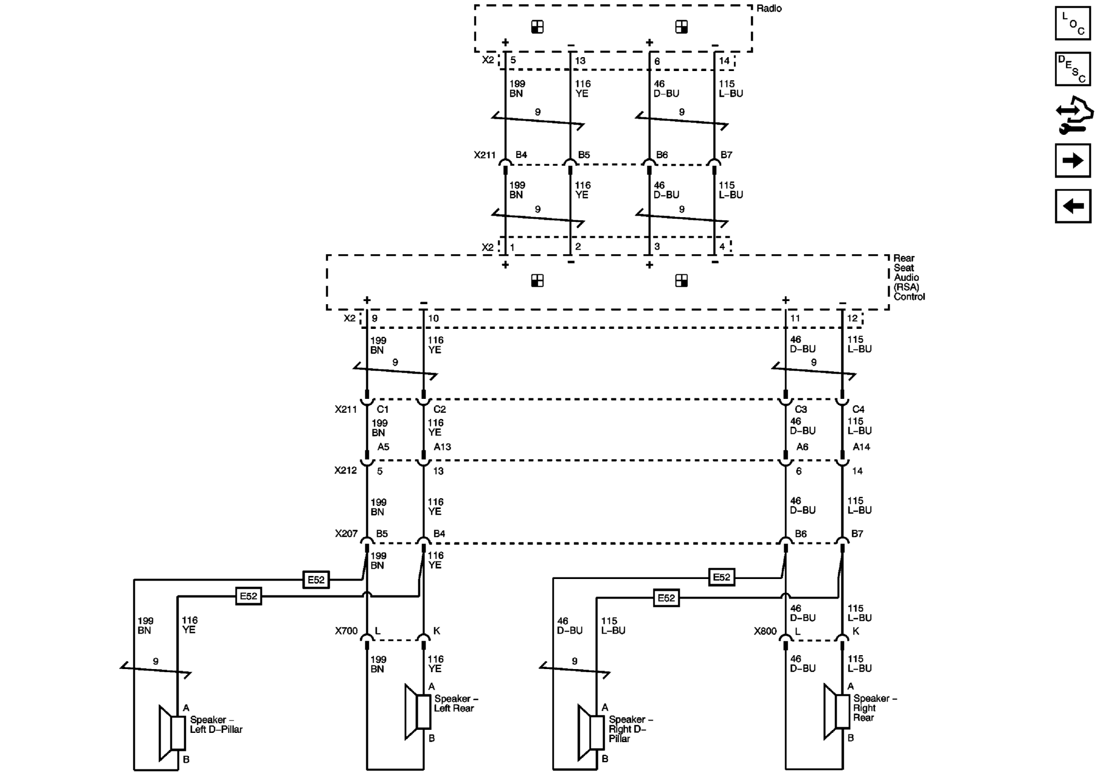
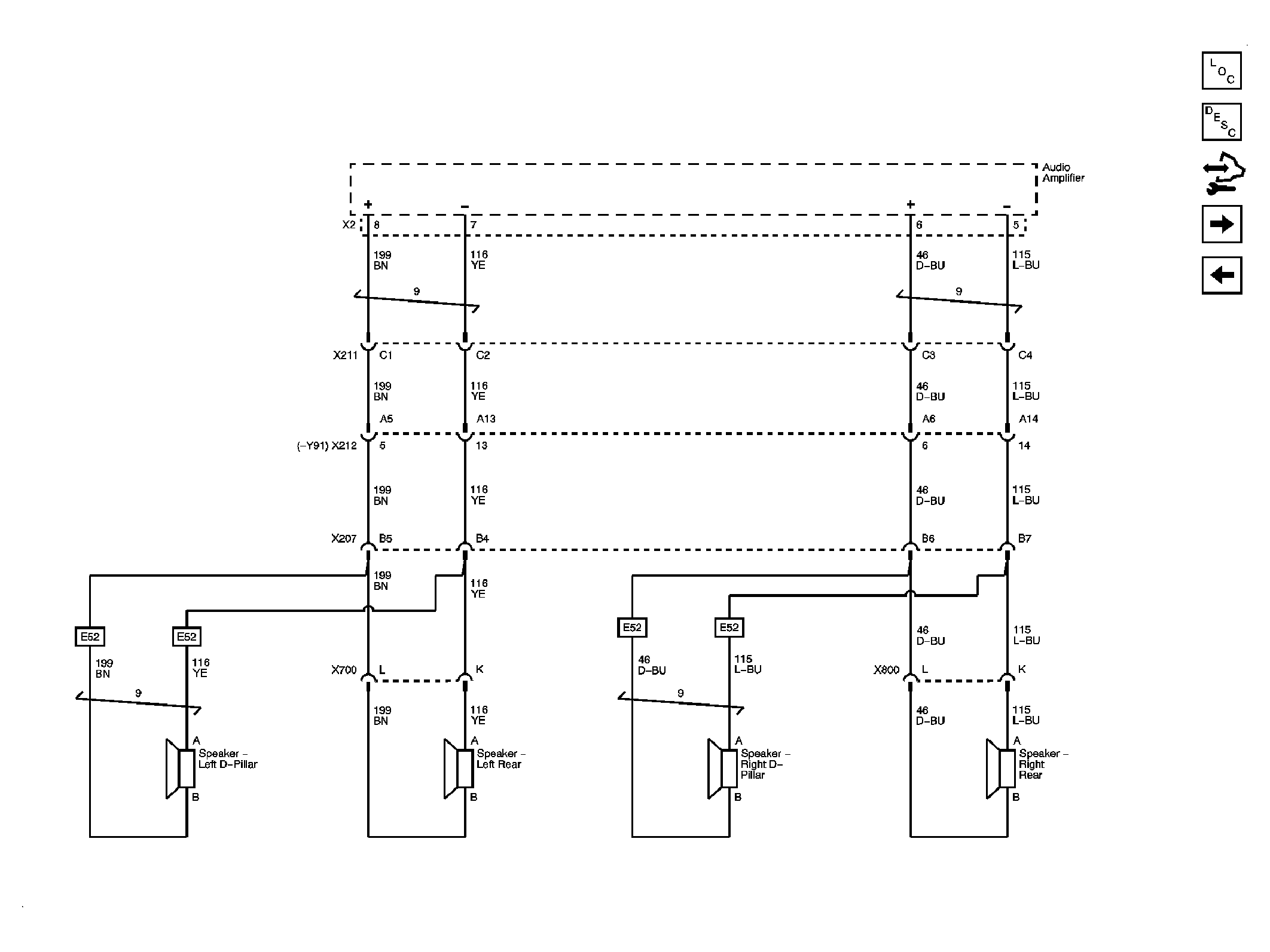
Fig 6: Rear Speakers (UQ3 with UK6)
GM2241597Courtesy of GENERAL MOTORS CORP.
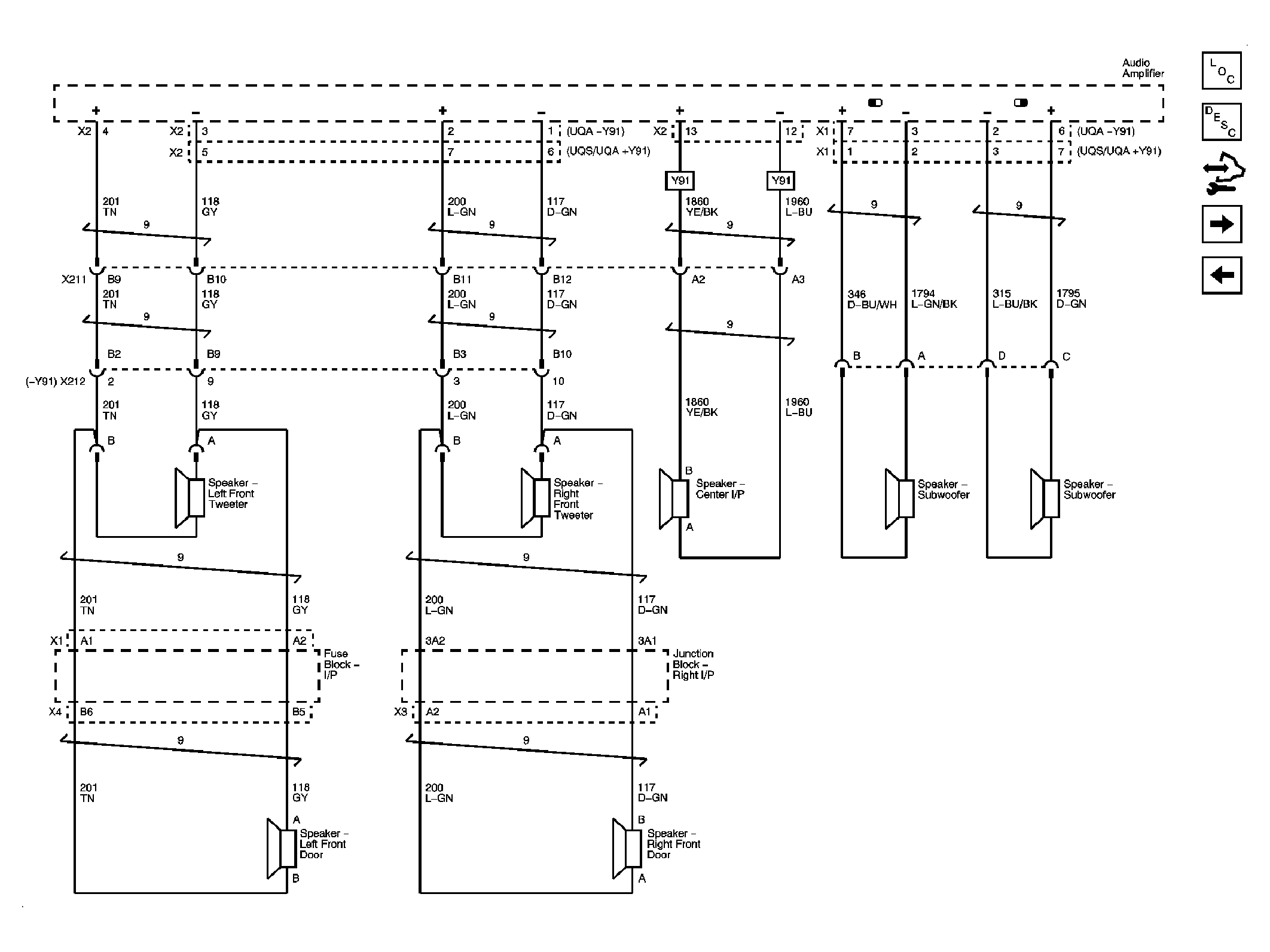
Fig 7: Front Speakers (UQA or UQS)
GM2241598Courtesy of GENERAL MOTORS CORP.
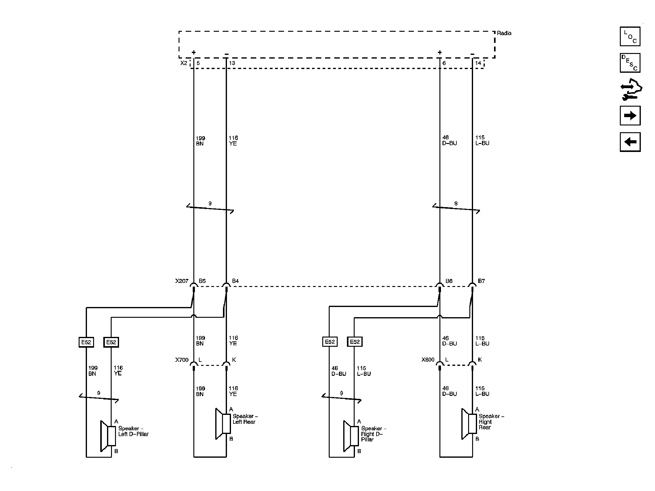
Fig 8: Rear Speakers (UQA)
GM2241599Courtesy of GENERAL MOTORS CORP.
Fig 9: Rear Speakers (UQS or UQA with Y91 or with STZ)
GM2241600Courtesy of GENERAL MOTORS CORP.
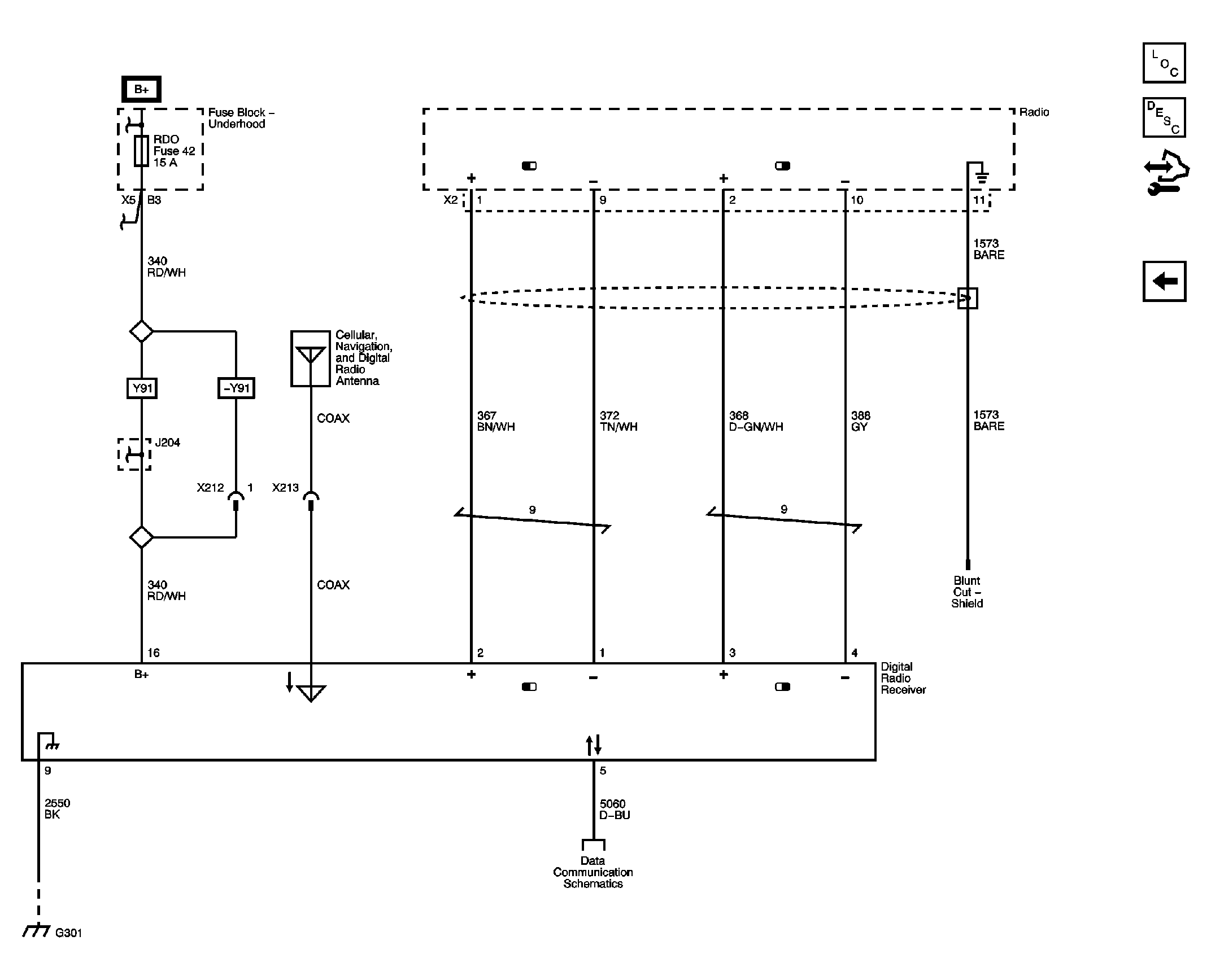
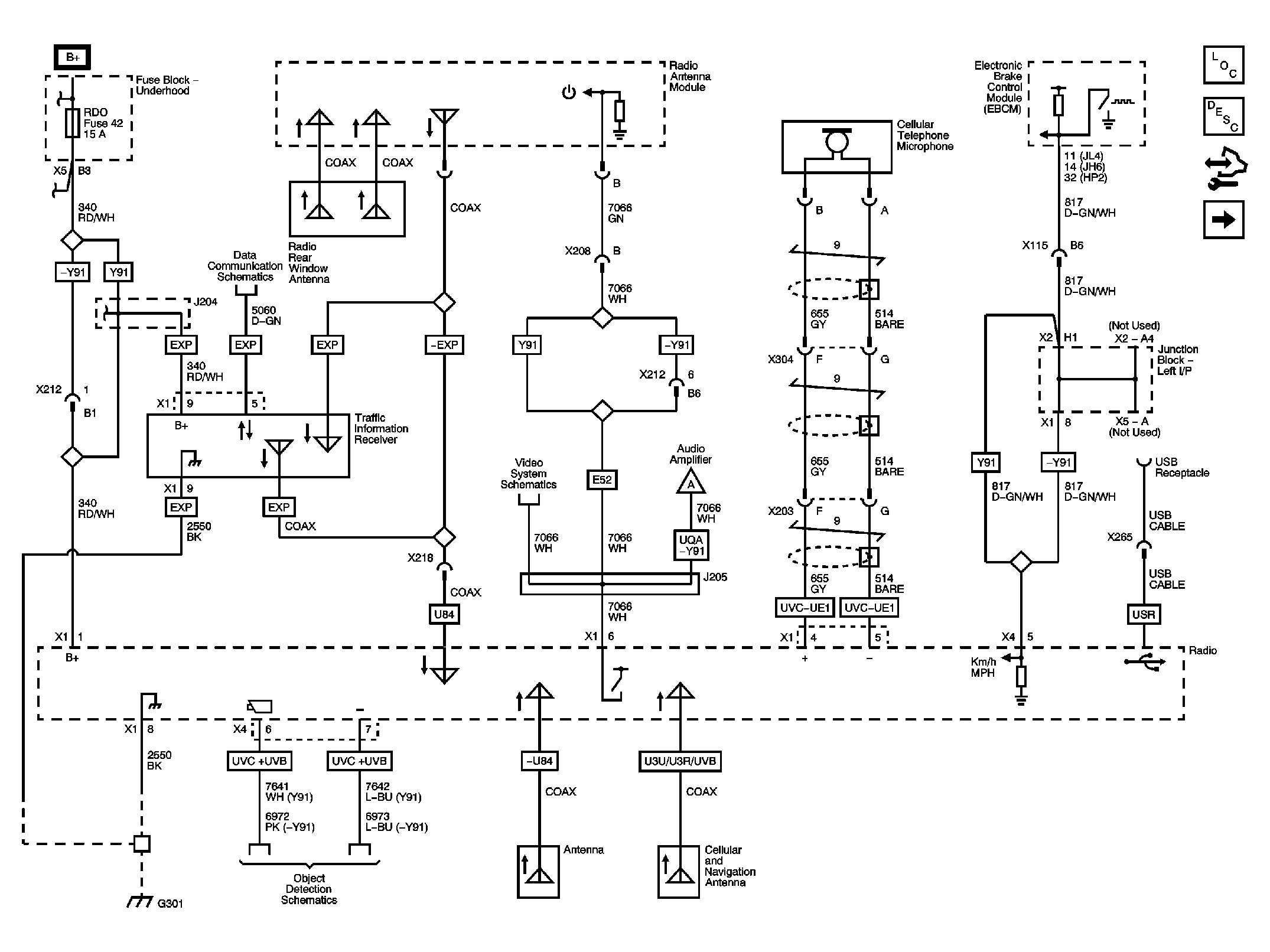
Fig 10: Digital Radio Receiver (U2K)
GM2241601Courtesy of GENERAL MOTORS CORP.