LEMON Manuals: Even more car manuals for everyone
Home >> Cadillac >> 2010 >> DTS 4.6 9 >> Repair and Diagnosis >> Engine Performance >> System >> Data Communication System >> Schematic and Routing Diagrams >> Data Communication Schematics

Data Communication Schematics

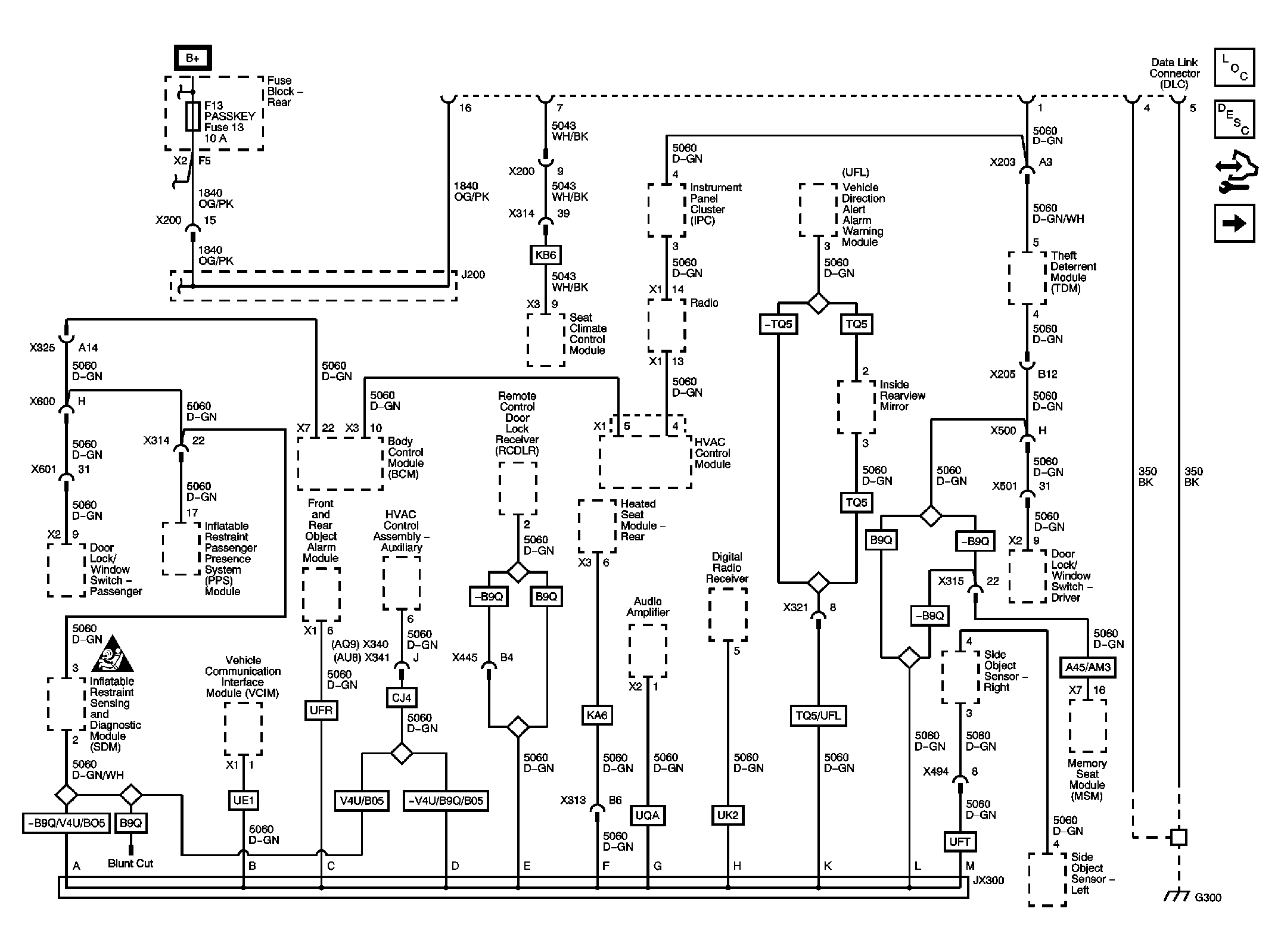
Fig 1: Power, Ground and Low Speed GMLAN
GM2227734Courtesy of GENERAL MOTORS CORP.
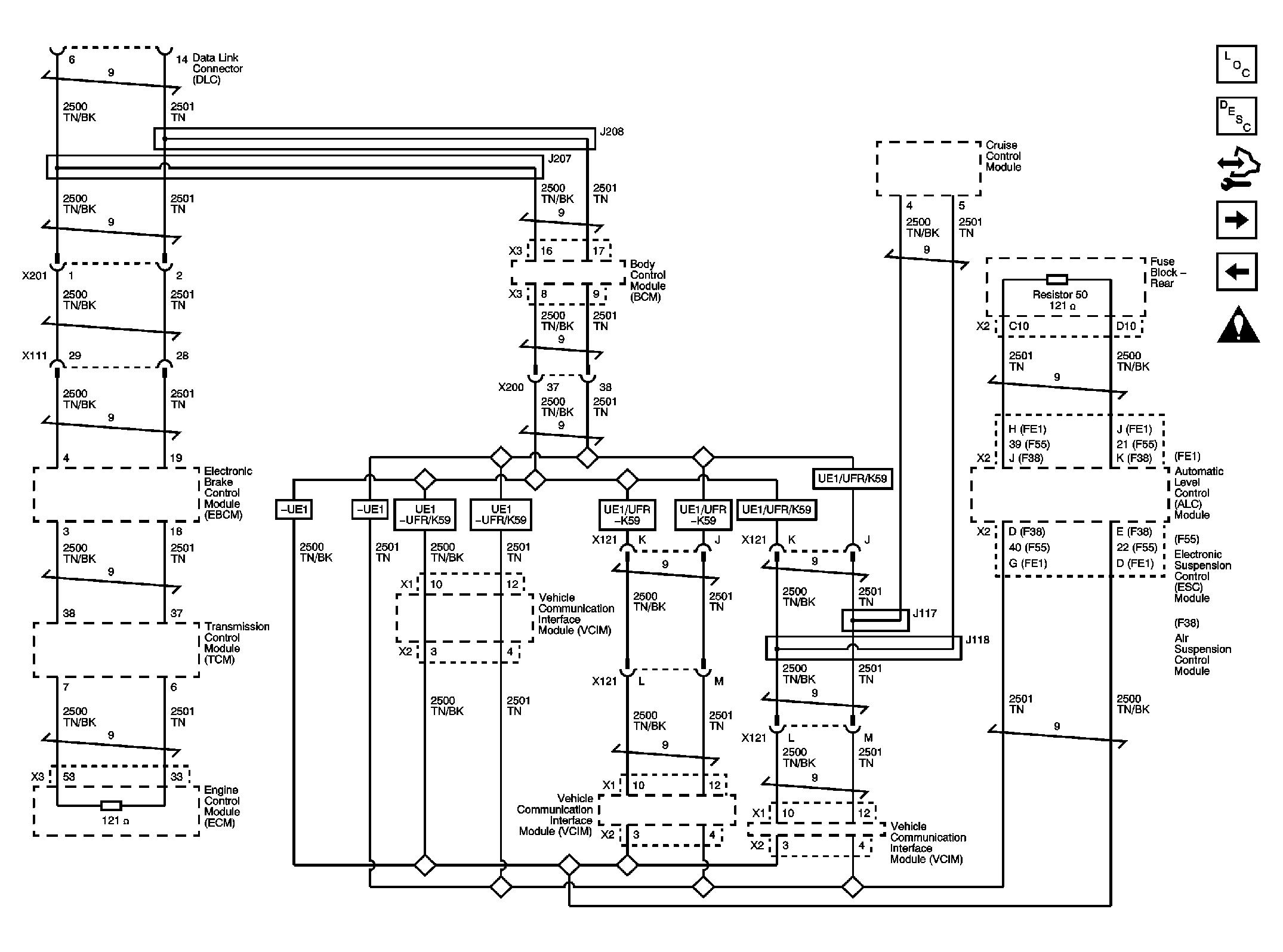
Fig 2: High Speed Serial Data
GM2227735Courtesy of GENERAL MOTORS CORP.
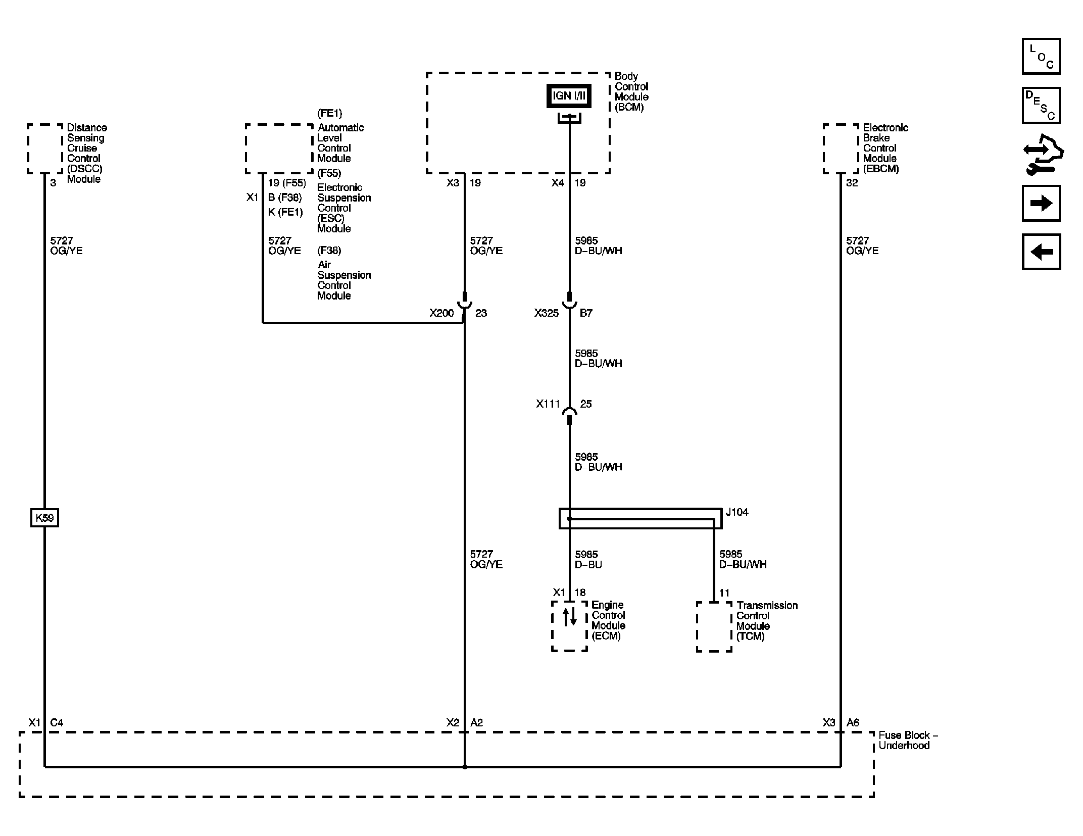
Fig 3: High Speed Serial Data, Wake up
GM2227738Courtesy of GENERAL MOTORS CORP.
Fig 4: Local Interconnect Network Bus
GM2227740Courtesy of GENERAL MOTORS CORP.