LEMON Manuals: Even more car manuals for everyone
Home >> Cadillac >> 2010 >> CTS V, Standard >> Repair and Diagnosis >> Body & Frame >> Door Locks >> Keyless Entry System And Remote Functions >> Schematic and Routing Diagrams >> Remote Function Schematics

Remote Function Schematics

Fig 1: Garage Door Opener (UG1)
GM2219752Courtesy of GENERAL MOTORS CORP.
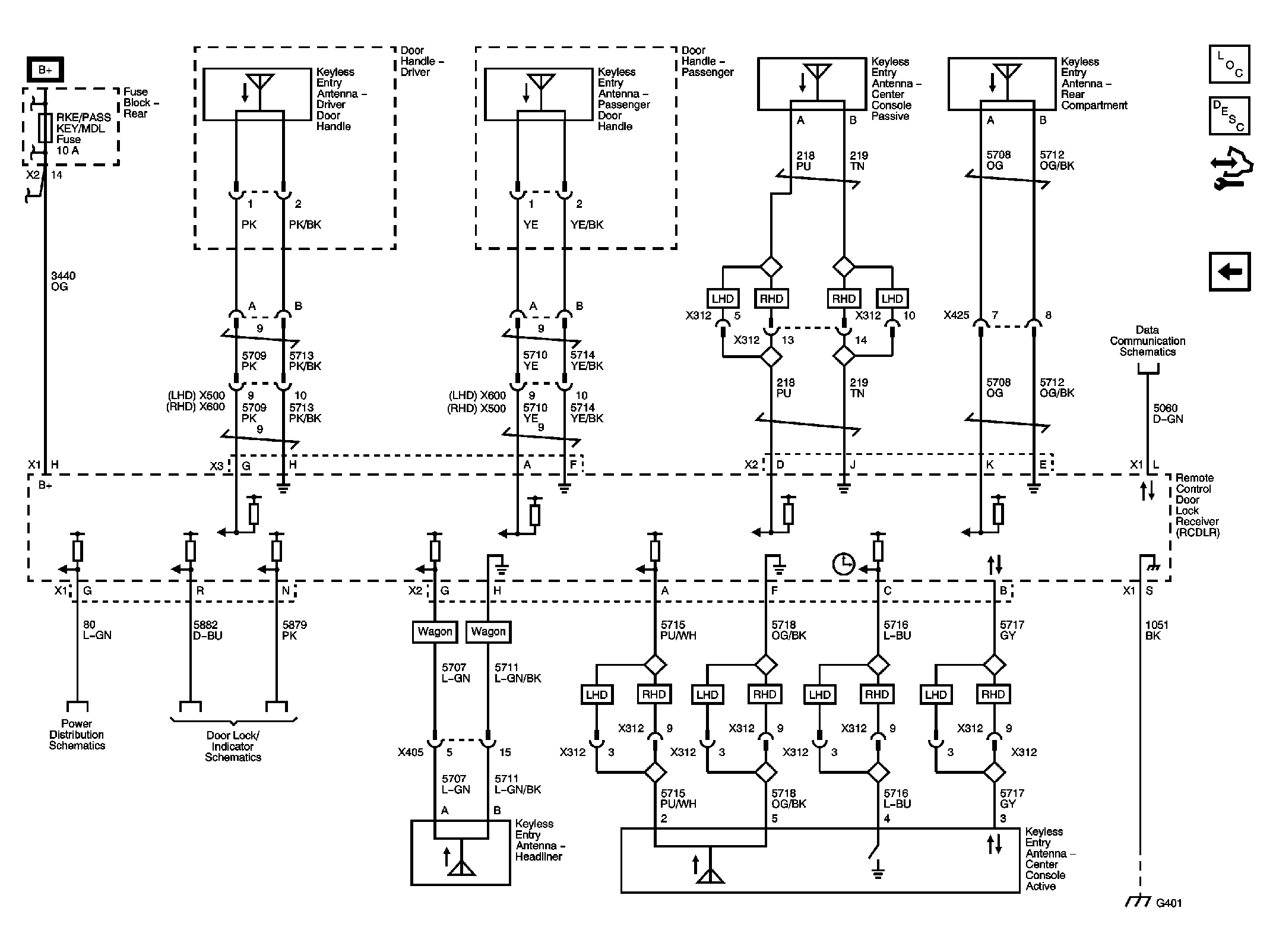
Fig 2: Keyless Entry (without BTM)
GM2221260Courtesy of GENERAL MOTORS CORP.
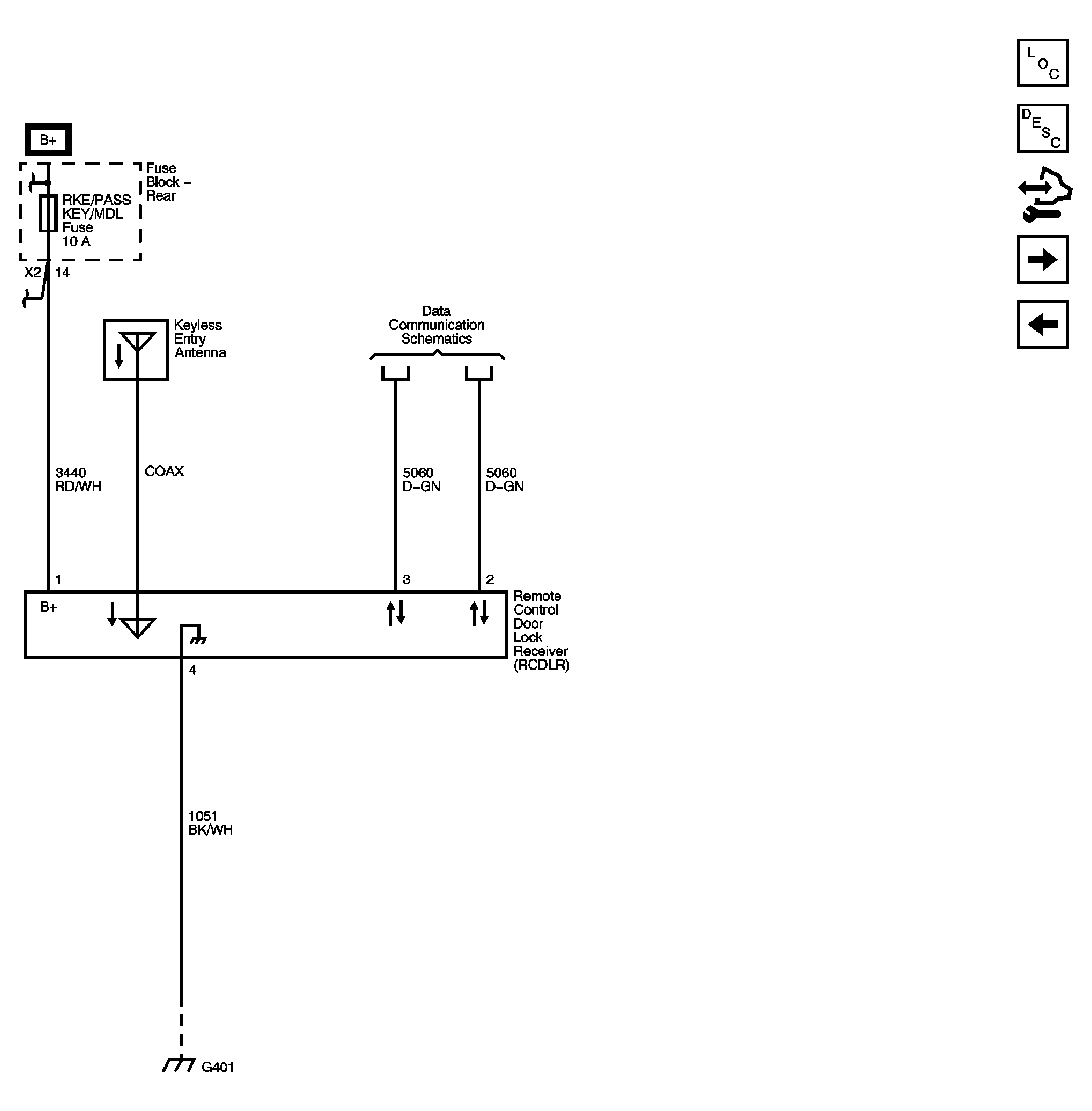
Fig 3: Keyless Entry (BTM)
GM2219754Courtesy of GENERAL MOTORS CORP.