LEMON Manuals: Even more car manuals for everyone
Home >> Cadillac >> 2009 >> XLR Base >> Repair and Diagnosis >> External Pages >> Different car >> Section 153 (Object Detection System) >> Schematic and Routing Diagrams >> Object Detection Schematics

Object Detection Schematics

WARNING: This page is about a different car, the 2008 Cadillac XLR. However, it is still accessible from the selected car via links, so may be relevant.
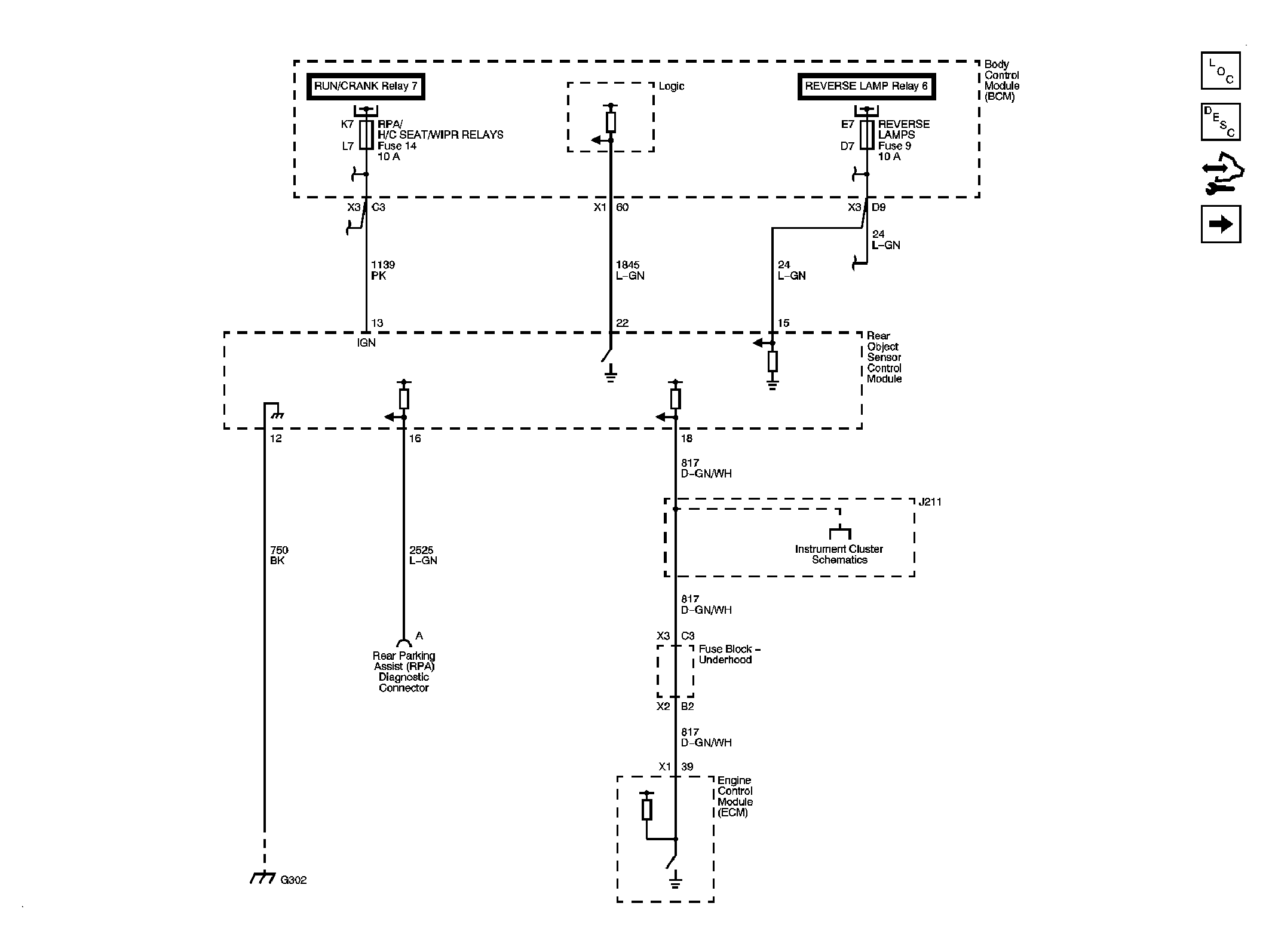
Fig 1: Power, Ground, DLC, and Sensor Signals
GM1899936Courtesy of GENERAL MOTORS CORP.
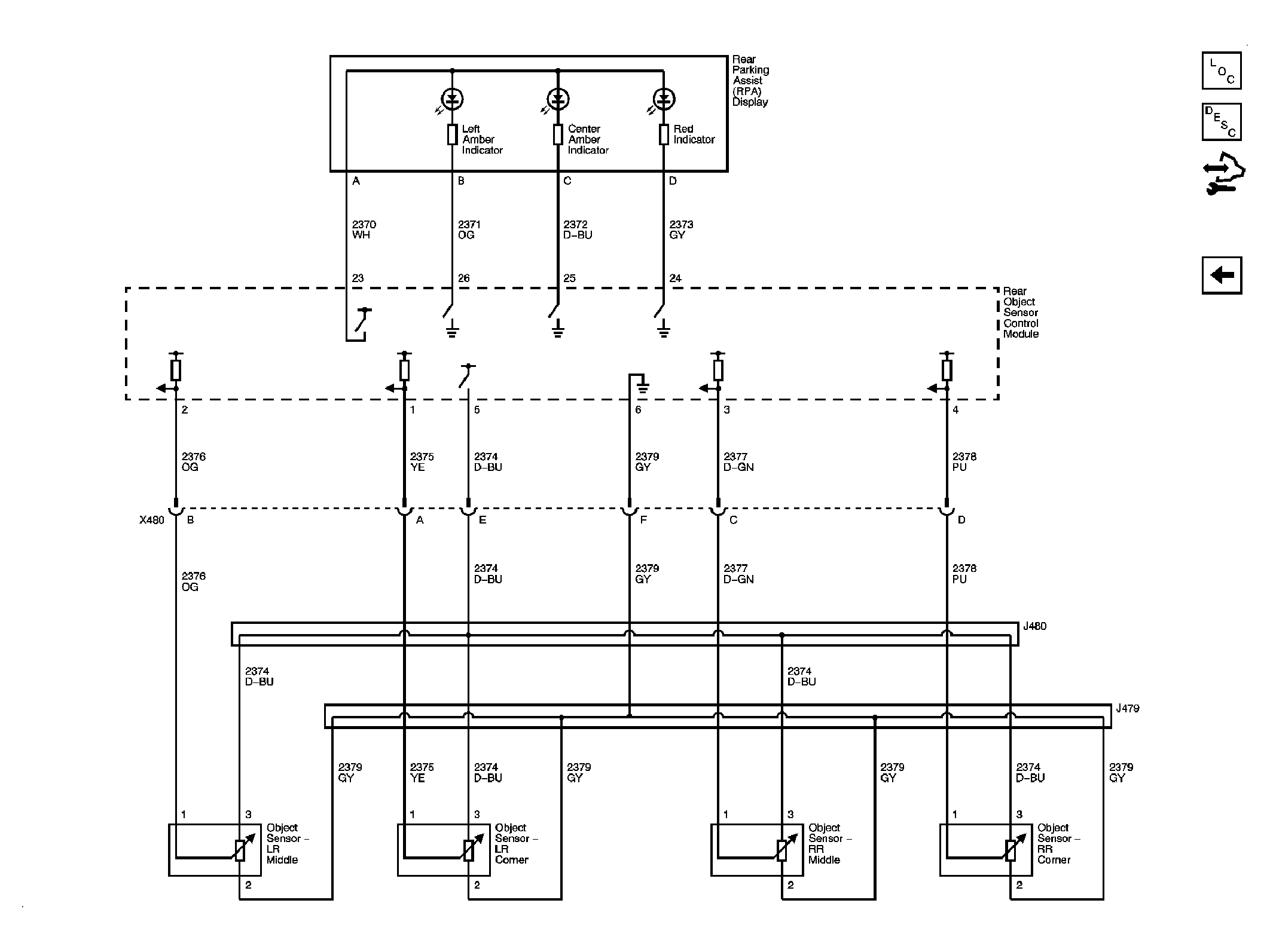
Fig 2: Display and Sensors
GM1899939Courtesy of GENERAL MOTORS CORP.